Skip to main content

Parts Diagrams

customer service agent speaking with a customer

Welcome, Kawasaki owners. Access the information and tools you need to get the most out of your vehicle.

Welcome, Kawasaki owners. Access the information and tools you need to get the most out of your vehicle.

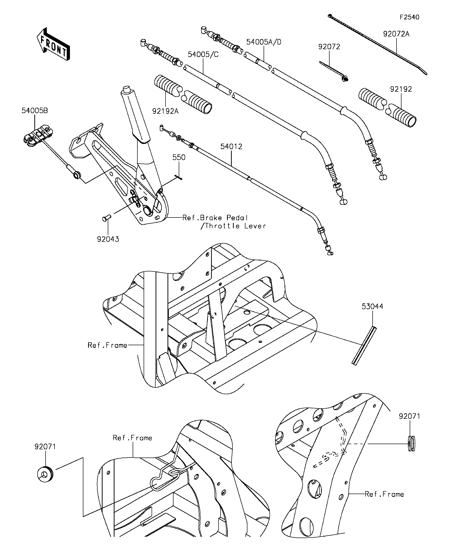
53044
54005B
54005C
54005D
54012
550
92043
92071
92071
92072
92072A
92192
92192A
Part Item Information
ITEM NAME REF # PART NUMBER QUANTITY DESTINATION REMARKS
TRIM,L=111 53044 53044-7502 1
CABLE-BRAKE,PARKING,FR 54005B 54005-0035 1
CABLE-BRAKE,PARKING,LH 54005C 54005-0039 1
CABLE-BRAKE,PARKING,RH 54005D 54005-0040 1
CABLE-THROTTLE 54012 54012-0639 1
PIN-COTTER,2.5X18 550 550AA2518 1
PIN 92043 92043-1039 1
GROMMET 92071 92071-0029 2
BAND 92072 92072-1414 9
BAND,L=292.1 92072A 92072-3509 6
TUBE,CONVOLUTED,25.1X30X260 92192 92192-1363 1
TUBE,CONVOLUTED,25.1X30X210 92192A 92192-1391 1