main content of page
Parts Diagrams
OWNER CENTER |
Welcome, Kawasaki owners. Access the information and tools you need to get the most out of your vehicle.
OWNER CENTER |
Welcome, Kawasaki owners. Access the information and tools you need to get the most out of your vehicle.
Parts Diagrams |
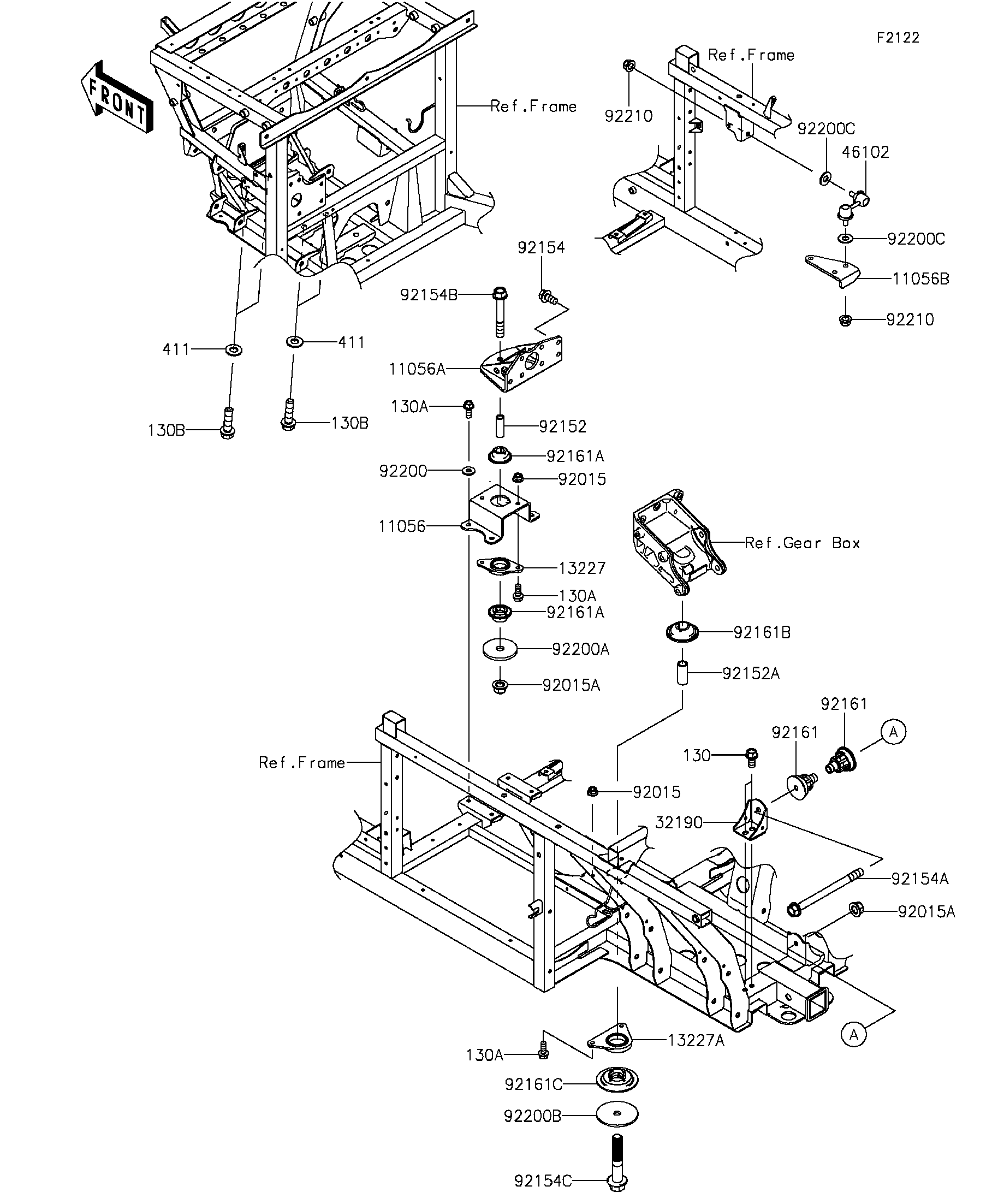
11056
11056A
11056B
130
130A
130A
130A
130B
130B
13227
13227A
32190
411
411
46102
92015
92015
92015A
92015A
92152
92152A
92154
92154A
92154B
92154C
92161
92161
92161A
92161A
92161B
92161C
92200
92200A
92200B
92200C
92200C
92210
92210
| ITEM NAME | REF # | PART NUMBER | QUANTITY | DESTINATION | REMARKS |
|---|---|---|---|---|---|
| BRACKET | 11056 | 11056-2867 | 1 | ||
| BRACKET | 11056A | 11056-2868 | 1 | ||
| BRACKET | 11056B | 11056-2869 | 1 | ||
| BOLT-FLANGED,10X20 | 130 | 130BA1020 | 2 | ||
| BOLT-FLANGED,8X20 | 130A | 130CA0820 | 8 | ||
| BOLT-FLANGED,12X45 | 130B | 130CA1245 | 4 | ||
| HOUSING | 13227 | 13227-0031 | 1 | ||
| HOUSING | 13227A | 13227-0032 | 1 | ||
| BRACKET-ENGINE | 32190 | 32190-0662 | 1 | ||
| WASHER-PLAIN,12MM | 411 | 411AA1200 | 4 | ||
| ROD,STABILIZER,RH | 46102 | 46102-0100 | 1 | ||
| NUT,LOCK,FLANGED,8MM | 92015 | 92015-1397 | 4 | ||
| NUT,LOCK,FLANGED,12MM | 92015A | 92015-1433 | 2 | ||
| COLLAR,13X19.1X54 | 92152 | 92152-1802 | 1 | ||
| COLLAR,17X23.8X54.5 | 92152A | 92152-2127 | 1 | ||
| BOLT,FLANGED,10X20 | 92154 | 92154-1321 | 7 | ||
| BOLT,FLANGED,12X150 | 92154A | 92154-1322 | 1 | ||
| BOLT,FLANGED,12X80 | 92154B | 92154-1419 | 1 | ||
| BOLT,FLANGED,16X86 | 92154C | 92154-1763 | 1 | ||
| DAMPER | 92161 | 92161-1616 | 2 | ||
| DAMPER | 92161A | 92161-1617 | 2 | ||
| DAMPER | 92161B | 92161-1618 | 1 | ||
| DAMPER | 92161C | 92161-1619 | 1 | ||
| WASHER,8.2X20.0X2.5 | 92200 | 92200-0205 | 4 | ||
| WASHER,12.5X55X4.76 | 92200A | 92200-0913 | 1 | ||
| WASHER,16.5X100X4.76 | 92200B | 92200-1747 | 1 | ||
| WASHER,10.3X23X1.6 | 92200C | 92200-2009 | 2 | ||
| NUT,LOCK,FLANGED,10MM | 92210 | 92210-0276 | 2 |
| BRACKET | |
| REF # | 11056 |
|---|---|
| PART NUMBER | |
| QUANTITY | 1 |
| DESTINATION | |
| REMARKS | |
| BRACKET | |
| REF # | 11056A |
|---|---|
| PART NUMBER | |
| QUANTITY | 1 |
| DESTINATION | |
| REMARKS | |
| BRACKET | |
| REF # | 11056B |
|---|---|
| PART NUMBER | |
| QUANTITY | 1 |
| DESTINATION | |
| REMARKS | |
| BOLT-FLANGED,10X20 | |
| REF # | 130 |
|---|---|
| PART NUMBER | |
| QUANTITY | 2 |
| DESTINATION | |
| REMARKS | |
| BOLT-FLANGED,8X20 | |
| REF # | 130A |
|---|---|
| PART NUMBER | |
| QUANTITY | 8 |
| DESTINATION | |
| REMARKS | |
| BOLT-FLANGED,12X45 | |
| REF # | 130B |
|---|---|
| PART NUMBER | |
| QUANTITY | 4 |
| DESTINATION | |
| REMARKS | |
| HOUSING | |
| REF # | 13227 |
|---|---|
| PART NUMBER | |
| QUANTITY | 1 |
| DESTINATION | |
| REMARKS | |
| HOUSING | |
| REF # | 13227A |
|---|---|
| PART NUMBER | |
| QUANTITY | 1 |
| DESTINATION | |
| REMARKS | |
| BRACKET-ENGINE | |
| REF # | 32190 |
|---|---|
| PART NUMBER | |
| QUANTITY | 1 |
| DESTINATION | |
| REMARKS | |
| WASHER-PLAIN,12MM | |
| REF # | 411 |
|---|---|
| PART NUMBER | |
| QUANTITY | 4 |
| DESTINATION | |
| REMARKS | |
| ROD,STABILIZER,RH | |
| REF # | 46102 |
|---|---|
| PART NUMBER | |
| QUANTITY | 1 |
| DESTINATION | |
| REMARKS | |
| NUT,LOCK,FLANGED,8MM | |
| REF # | 92015 |
|---|---|
| PART NUMBER | |
| QUANTITY | 4 |
| DESTINATION | |
| REMARKS | |
| NUT,LOCK,FLANGED,12MM | |
| REF # | 92015A |
|---|---|
| PART NUMBER | |
| QUANTITY | 2 |
| DESTINATION | |
| REMARKS | |
| COLLAR,13X19.1X54 | |
| REF # | 92152 |
|---|---|
| PART NUMBER | |
| QUANTITY | 1 |
| DESTINATION | |
| REMARKS | |
| COLLAR,17X23.8X54.5 | |
| REF # | 92152A |
|---|---|
| PART NUMBER | |
| QUANTITY | 1 |
| DESTINATION | |
| REMARKS | |
| BOLT,FLANGED,10X20 | |
| REF # | 92154 |
|---|---|
| PART NUMBER | |
| QUANTITY | 7 |
| DESTINATION | |
| REMARKS | |
| BOLT,FLANGED,12X150 | |
| REF # | 92154A |
|---|---|
| PART NUMBER | |
| QUANTITY | 1 |
| DESTINATION | |
| REMARKS | |
| BOLT,FLANGED,12X80 | |
| REF # | 92154B |
|---|---|
| PART NUMBER | |
| QUANTITY | 1 |
| DESTINATION | |
| REMARKS | |
| BOLT,FLANGED,16X86 | |
| REF # | 92154C |
|---|---|
| PART NUMBER | |
| QUANTITY | 1 |
| DESTINATION | |
| REMARKS | |
| DAMPER | |
| REF # | 92161 |
|---|---|
| PART NUMBER | |
| QUANTITY | 2 |
| DESTINATION | |
| REMARKS | |
| DAMPER | |
| REF # | 92161A |
|---|---|
| PART NUMBER | |
| QUANTITY | 2 |
| DESTINATION | |
| REMARKS | |
| DAMPER | |
| REF # | 92161B |
|---|---|
| PART NUMBER | |
| QUANTITY | 1 |
| DESTINATION | |
| REMARKS | |
| DAMPER | |
| REF # | 92161C |
|---|---|
| PART NUMBER | |
| QUANTITY | 1 |
| DESTINATION | |
| REMARKS | |
| WASHER,8.2X20.0X2.5 | |
| REF # | 92200 |
|---|---|
| PART NUMBER | |
| QUANTITY | 4 |
| DESTINATION | |
| REMARKS | |
| WASHER,12.5X55X4.76 | |
| REF # | 92200A |
|---|---|
| PART NUMBER | |
| QUANTITY | 1 |
| DESTINATION | |
| REMARKS | |
| WASHER,16.5X100X4.76 | |
| REF # | 92200B |
|---|---|
| PART NUMBER | |
| QUANTITY | 1 |
| DESTINATION | |
| REMARKS | |
| WASHER,10.3X23X1.6 | |
| REF # | 92200C |
|---|---|
| PART NUMBER | |
| QUANTITY | 2 |
| DESTINATION | |
| REMARKS | |
| NUT,LOCK,FLANGED,10MM | |
| REF # | 92210 |
|---|---|
| PART NUMBER | |
| QUANTITY | 2 |
| DESTINATION | |
| REMARKS | |