main content of page
Parts Diagrams
OWNER CENTER |

Welcome, Kawasaki owners. Access the information and tools you need to get the most out of your vehicle.
OWNER CENTER |
Welcome, Kawasaki owners. Access the information and tools you need to get the most out of your vehicle.
Parts Diagrams |
132
172
172
220
220
221
221
670
11009
11009
11009
11009
14001
14014
14014A
14014B
14014C
14014C
14014D
14067
32102
92002
92002
92002A
92005
92028
92028
92043
92043
92043
92043
92043
92043
92043A
92043A
92045
92045A
92045B
92049
92050
92059
92065
92066
92066A
92066B
92066C
92066C
92150
92150
92150A
92150A
92153
92172
92172
92172
92172
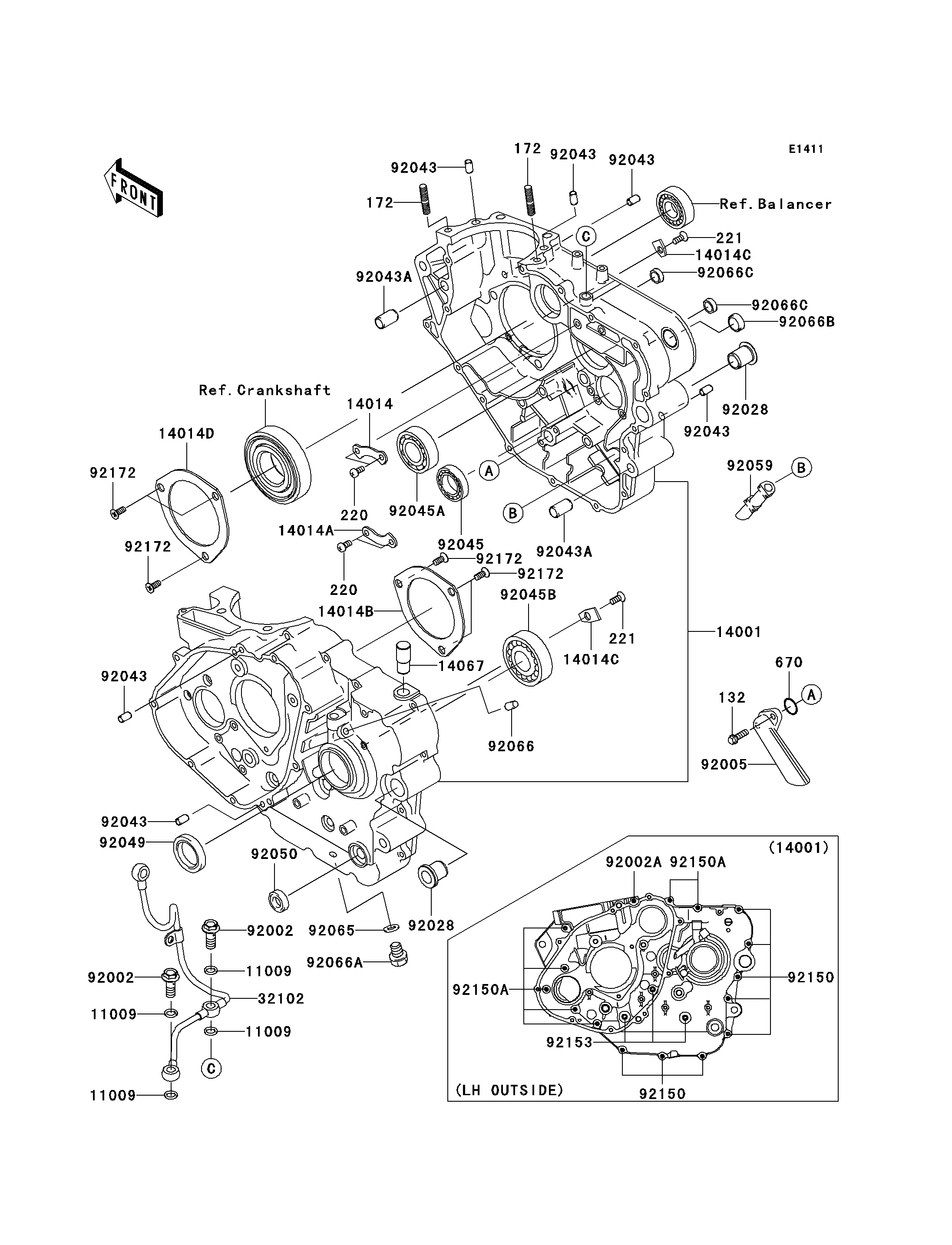
ITEM NAME | REF # | PART NUMBER | QUANTITY | DESTINATION | REMARKS |
---|---|---|---|---|---|
BOLT-FLANGED-SMALL,6X20 | 132 | 132BA0620 | 2 | ||
BOLT-STUD,8X22 | 172 | 172BA0822 | 2 | ||
SCREW-PAN-CROSS,6X12 | 220 | 220AA0612 | 4 | ||
SCREW-CSK-CROSS,6X12 | 221 | 221AA0612 | 2 | ||
O RING | 670 | 670D2018 | 1 | ||
GASKET,10X14.5X1.5 | 11009 | 11009-1105 | 4 | ||
SET-CRANKCASE | 14001 | 14001-5406 | 1 | ||
PLATE-POSITION | 14014 | 14014-037 | 1 | ||
PLATE-POSITION | 14014A | 14014-1015 | 1 | ||
PLATE-POSITION | 14014B | 14014-1051 | 1 | ||
PLATE-POSITION | 14014C | 14014-1057 | 2 | ||
PLATE-POSITION | 14014D | 14014-1083 | 1 | ||
FITTING,BREATHER | 14067 | 14067-006 | 1 | ||
PIPE,CRANKCASE-HEAD | 32102 | 32102-1353 | 1 | ||
BOLT,BANJO,10X25 | 92002 | 92002-1170 | 2 | ||
BOLT,FLANGED,6X60 | 92002A | 92002-1567 | 1 | ||
FITTING | 92005 | 92005-1152 | 1 | ||
BUSHING,SWING ARM | 92028 | 92028-1261 | 2 | ||
PIN,6.2X8X14 | 92043 | 92043-1263 | 6 | ||
PIN,11.5X14X14 | 92043A | 92043-1279 | 2 | ||
BEARING-BALL,#6905 | 92045 | 92045-036 | 1 | ||
BEARING-BALL,TMB205 | 92045A | 92045-1105 | 1 | ||
BEARING-BALL,TM-SX0597LU | 92045B | 92045-1127 | 1 | ||
SEAL-OIL,TC32457 | 92049 | 92049-1159 | 1 | ||
SEAL-OIL | 92050 | 92050-082 | 1 | ||
TUBE,BREATHER | 92059 | 92059-1833 | 1 | ||
GASKET,12X22X2 | 92065 | 92065-097 | 1 | ||
PLUG,OIL LINE,7.2X8 | 92066 | 92066-1012 | 1 | ||
PLUG,OIL DRAIN,12X15 | 92066A | 92066-1174 | 1 | ||
PLUG,RCA207 | 92066B | 92066-1264 | 1 | ||
PLUG | 92066C | 92066-1282 | 2 | ||
BOLT,6X30 | 92150 | 92150-1021 | 8 | ||
BOLT,6X50 | 92150A | 92150-1968 | 7 | ||
BOLT,FLANGED-SMALL,8X80 | 92153 | 92153-1323 | 3 | ||
SCREW,6X15 | 92172 | 92172-0144 | 6 |
BOLT-FLANGED-SMALL,6X20 | |
REF # | 132 |
---|---|
PART NUMBER | |
QUANTITY | 2 |
DESTINATION | |
REMARKS |
BOLT-STUD,8X22 | |
REF # | 172 |
---|---|
PART NUMBER | |
QUANTITY | 2 |
DESTINATION | |
REMARKS |
SCREW-PAN-CROSS,6X12 | |
REF # | 220 |
---|---|
PART NUMBER | |
QUANTITY | 4 |
DESTINATION | |
REMARKS |
SCREW-CSK-CROSS,6X12 | |
REF # | 221 |
---|---|
PART NUMBER | |
QUANTITY | 2 |
DESTINATION | |
REMARKS |
O RING | |
REF # | 670 |
---|---|
PART NUMBER | |
QUANTITY | 1 |
DESTINATION | |
REMARKS |
GASKET,10X14.5X1.5 | |
REF # | 11009 |
---|---|
PART NUMBER | |
QUANTITY | 4 |
DESTINATION | |
REMARKS |
SET-CRANKCASE | |
REF # | 14001 |
---|---|
PART NUMBER | |
QUANTITY | 1 |
DESTINATION | |
REMARKS |
PLATE-POSITION | |
REF # | 14014 |
---|---|
PART NUMBER | |
QUANTITY | 1 |
DESTINATION | |
REMARKS |
PLATE-POSITION | |
REF # | 14014A |
---|---|
PART NUMBER | |
QUANTITY | 1 |
DESTINATION | |
REMARKS |
PLATE-POSITION | |
REF # | 14014B |
---|---|
PART NUMBER | |
QUANTITY | 1 |
DESTINATION | |
REMARKS |
PLATE-POSITION | |
REF # | 14014C |
---|---|
PART NUMBER | |
QUANTITY | 2 |
DESTINATION | |
REMARKS |
PLATE-POSITION | |
REF # | 14014D |
---|---|
PART NUMBER | |
QUANTITY | 1 |
DESTINATION | |
REMARKS |
FITTING,BREATHER | |
REF # | 14067 |
---|---|
PART NUMBER | |
QUANTITY | 1 |
DESTINATION | |
REMARKS |
PIPE,CRANKCASE-HEAD | |
REF # | 32102 |
---|---|
PART NUMBER | |
QUANTITY | 1 |
DESTINATION | |
REMARKS |
BOLT,BANJO,10X25 | |
REF # | 92002 |
---|---|
PART NUMBER | |
QUANTITY | 2 |
DESTINATION | |
REMARKS |
BOLT,FLANGED,6X60 | |
REF # | 92002A |
---|---|
PART NUMBER | |
QUANTITY | 1 |
DESTINATION | |
REMARKS |
FITTING | |
REF # | 92005 |
---|---|
PART NUMBER | |
QUANTITY | 1 |
DESTINATION | |
REMARKS |
BUSHING,SWING ARM | |
REF # | 92028 |
---|---|
PART NUMBER | |
QUANTITY | 2 |
DESTINATION | |
REMARKS |
PIN,6.2X8X14 | |
REF # | 92043 |
---|---|
PART NUMBER | |
QUANTITY | 6 |
DESTINATION | |
REMARKS |
PIN,11.5X14X14 | |
REF # | 92043A |
---|---|
PART NUMBER | |
QUANTITY | 2 |
DESTINATION | |
REMARKS |
BEARING-BALL,#6905 | |
REF # | 92045 |
---|---|
PART NUMBER | |
QUANTITY | 1 |
DESTINATION | |
REMARKS |
BEARING-BALL,TMB205 | |
REF # | 92045A |
---|---|
PART NUMBER | |
QUANTITY | 1 |
DESTINATION | |
REMARKS |
BEARING-BALL,TM-SX0597LU | |
REF # | 92045B |
---|---|
PART NUMBER | |
QUANTITY | 1 |
DESTINATION | |
REMARKS |
SEAL-OIL,TC32457 | |
REF # | 92049 |
---|---|
PART NUMBER | |
QUANTITY | 1 |
DESTINATION | |
REMARKS |
SEAL-OIL | |
REF # | 92050 |
---|---|
PART NUMBER | |
QUANTITY | 1 |
DESTINATION | |
REMARKS |
TUBE,BREATHER | |
REF # | 92059 |
---|---|
PART NUMBER | |
QUANTITY | 1 |
DESTINATION | |
REMARKS |
GASKET,12X22X2 | |
REF # | 92065 |
---|---|
PART NUMBER | |
QUANTITY | 1 |
DESTINATION | |
REMARKS |
PLUG,OIL LINE,7.2X8 | |
REF # | 92066 |
---|---|
PART NUMBER | |
QUANTITY | 1 |
DESTINATION | |
REMARKS |
PLUG,OIL DRAIN,12X15 | |
REF # | 92066A |
---|---|
PART NUMBER | |
QUANTITY | 1 |
DESTINATION | |
REMARKS |
PLUG,RCA207 | |
REF # | 92066B |
---|---|
PART NUMBER | |
QUANTITY | 1 |
DESTINATION | |
REMARKS |
PLUG | |
REF # | 92066C |
---|---|
PART NUMBER | |
QUANTITY | 2 |
DESTINATION | |
REMARKS |
BOLT,6X30 | |
REF # | 92150 |
---|---|
PART NUMBER | |
QUANTITY | 8 |
DESTINATION | |
REMARKS |
BOLT,6X50 | |
REF # | 92150A |
---|---|
PART NUMBER | |
QUANTITY | 7 |
DESTINATION | |
REMARKS |
BOLT,FLANGED-SMALL,8X80 | |
REF # | 92153 |
---|---|
PART NUMBER | |
QUANTITY | 3 |
DESTINATION | |
REMARKS |
SCREW,6X15 | |
REF # | 92172 |
---|---|
PART NUMBER | |
QUANTITY | 6 |
DESTINATION | |
REMARKS |