Skip to main content

Parts Diagrams

customer service agent speaking with a customer

Welcome, Kawasaki owners. Access the information and tools you need to get the most out of your vehicle.

Welcome, Kawasaki owners. Access the information and tools you need to get the most out of your vehicle.

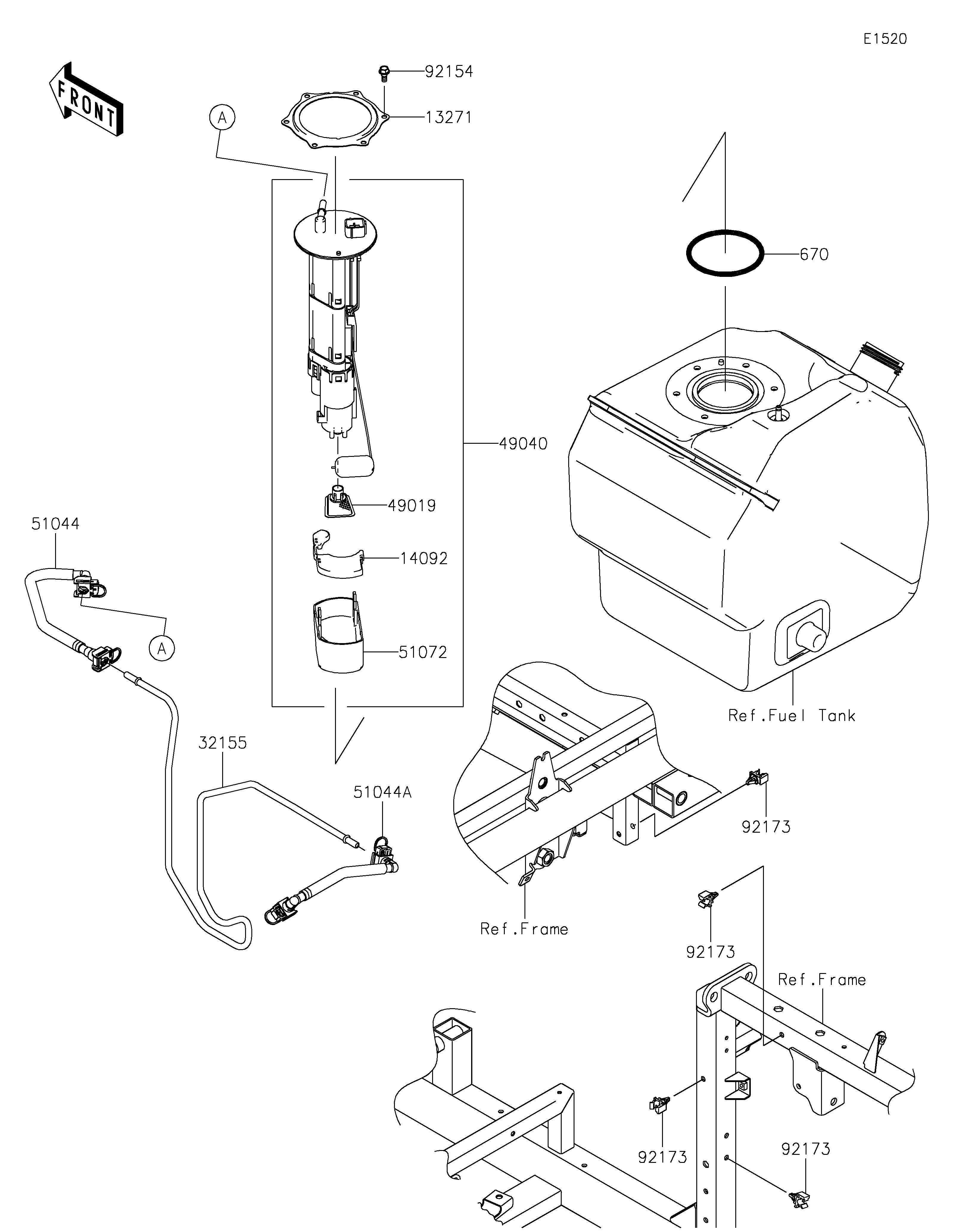
13271
14092
32155
49019
49040
51044
51044A
51072
670
92154
92173
92173
92173
92173
Part Item Information
ITEM NAME REF # PART NUMBER QUANTITY DESTINATION REMARKS
PLATE 13271 13271-0980 1
COVER 14092 14092-1044 1
PIPE,FUEL 32155 32155-2547 1
FILTER-FUEL 49019 49019-0013 1
PUMP-FUEL 49040 49040-0733 1
TUBE-ASSY,TANK-PIPE 51044 51044-0833 1
TUBE-ASSY,PIPE-INJECTION PIPE 51044A 51044-0834 1
CHAMBER-FUEL 51072 51072-0003 1
O RING 670 670E5090 1
BOLT,FUEL PUMP 92154 92154-1326 6
CLAMP,FUEL PIPE 92173 92173-1213 4