Skip to main content

Parts Diagrams

customer service agent speaking with a customer

Welcome, Kawasaki owners. Access the information and tools you need to get the most out of your vehicle.

Welcome, Kawasaki owners. Access the information and tools you need to get the most out of your vehicle.

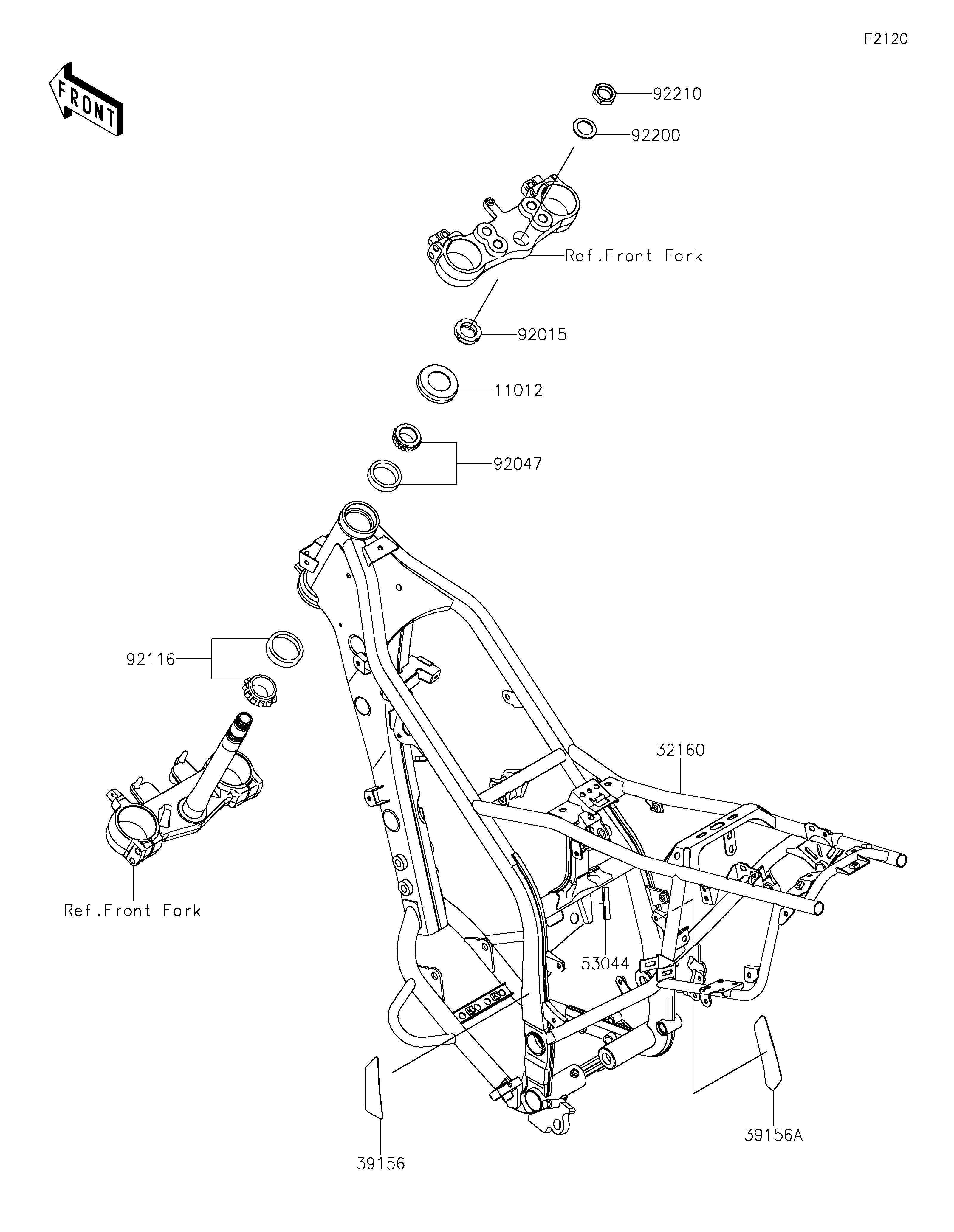
11012
32160
39156
39156A
53044
92015
92047
92116
92200
92210
Part Item Information
ITEM NAME REF # PART NUMBER QUANTITY DESTINATION REMARKS
CAP,STEERING STEM 11012 11012-1762 1
FRAME-COMP,P.SILVER 32160 32160-1832-458 1
PAD,FRAME,LH 39156 39156-2529 1
PAD,FRAME,RH 39156A 39156-2530 1
TRIM 53044 53044-0580 1
NUT,25MM,T=12 92015 92015-1546 1
RACE,ROLLER,32005JR RS 92047 92047-017 1
BEARING-ROLLER,HI-CAP32006JRRS 92116 92116-1069 1
WASHER,STEERING STEM 92200 92200-0517 1
NUT,STEERING STEM,22MM 92210 92210-1521 1