Skip to main content

Parts Diagrams

customer service agent speaking with a customer

Welcome, Kawasaki owners. Access the information and tools you need to get the most out of your vehicle.

Welcome, Kawasaki owners. Access the information and tools you need to get the most out of your vehicle.

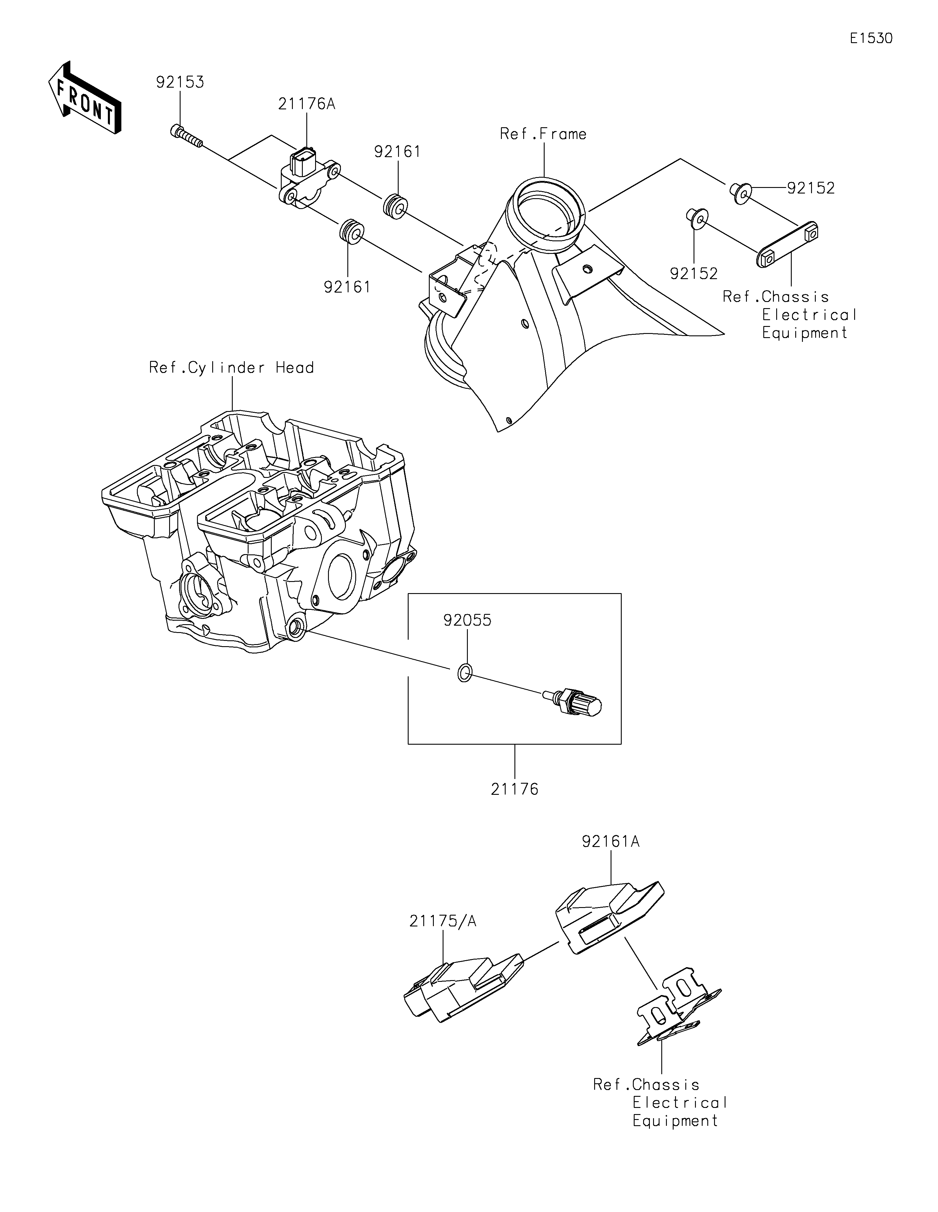
21175
21175A
21176
21176A
92055
92152
92152
92153
92161
92161
92161A
Part Item Information
ITEM NAME REF # PART NUMBER QUANTITY DESTINATION REMARKS
CONTROL UNIT-ELECTRONIC 21175 21175-1503 1 CN,US
CONTROL UNIT-ELECTRONIC 21175A 21175-1531 1 CA
SENSOR,WATER TEMP 21176 21176-0009 1
SENSOR,VEHICLE-DOWN 21176A 21176-0026 1
RING-O,9.5X1.9 92055 92055-0016 1
COLLAR 92152 92152-1592 2
BOLT,SOCKET,5X22 92153 92153-1597 2
DAMPER,8X16X8.6 92161 92161-0685 2
DAMPER,ECU 92161A 92161-2200 1