Skip to main content

Parts Diagrams

customer service agent speaking with a customer

Welcome, Kawasaki owners. Access the information and tools you need to get the most out of your vehicle.

Welcome, Kawasaki owners. Access the information and tools you need to get the most out of your vehicle.

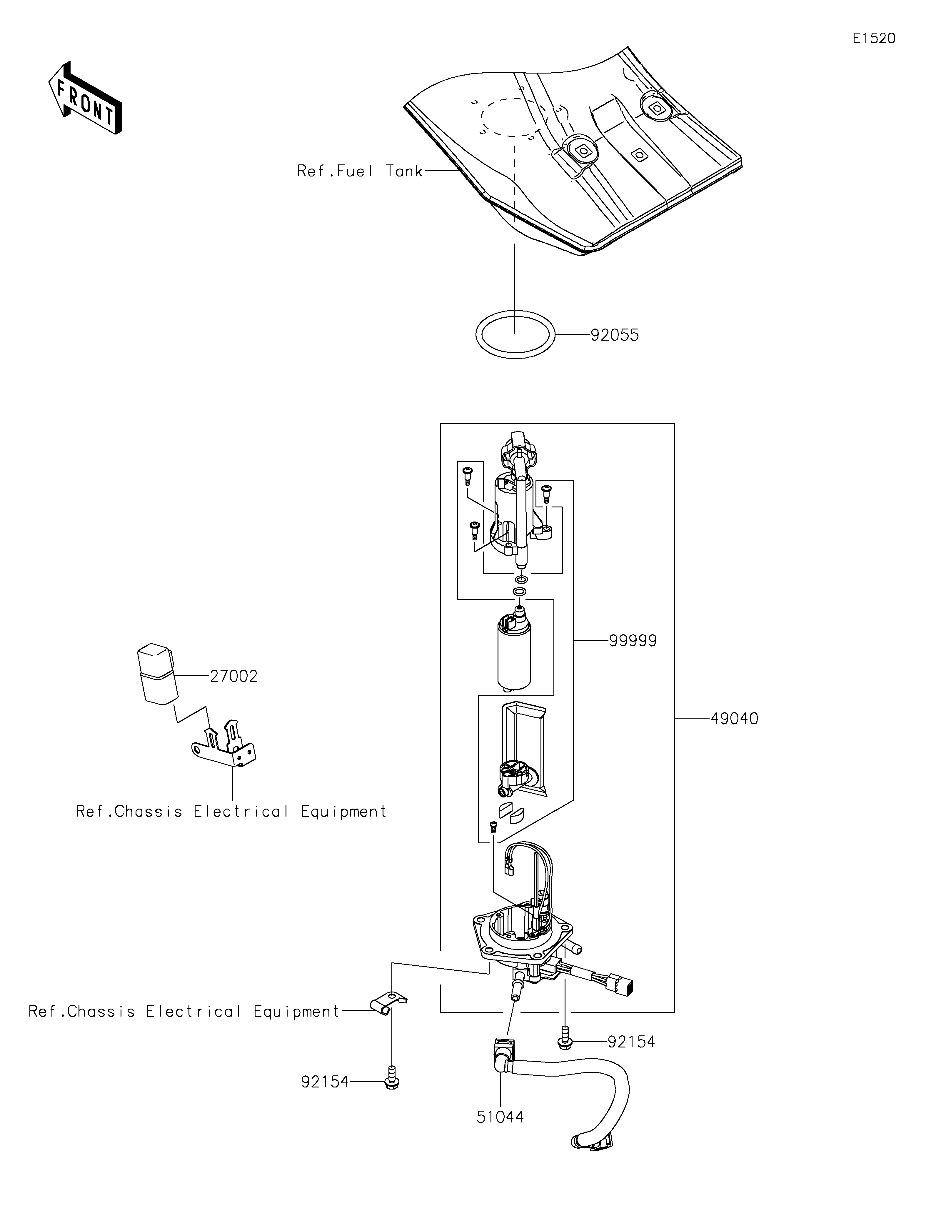
27002
49040
51044
92055
92154
92154
99999
Part Item Information
ITEM NAME REF # PART NUMBER QUANTITY DESTINATION REMARKS
RELAY-ASSY 27002 27002-1086 1
PUMP-FUEL 49040 49040-0767 1
TUBE-ASSY,FUEL 51044 51044-0912 1
RING-O,64.6X5.7 92055 92055-0185 1
BOLT,FLANGED,6X16 92154 92154-0899 5
KIT.,FUEL FILTER 99999 99999-0535 1