Skip to main content

Parts Diagrams

customer service agent speaking with a customer

Welcome, Kawasaki owners. Access the information and tools you need to get the most out of your vehicle.

Welcome, Kawasaki owners. Access the information and tools you need to get the most out of your vehicle.

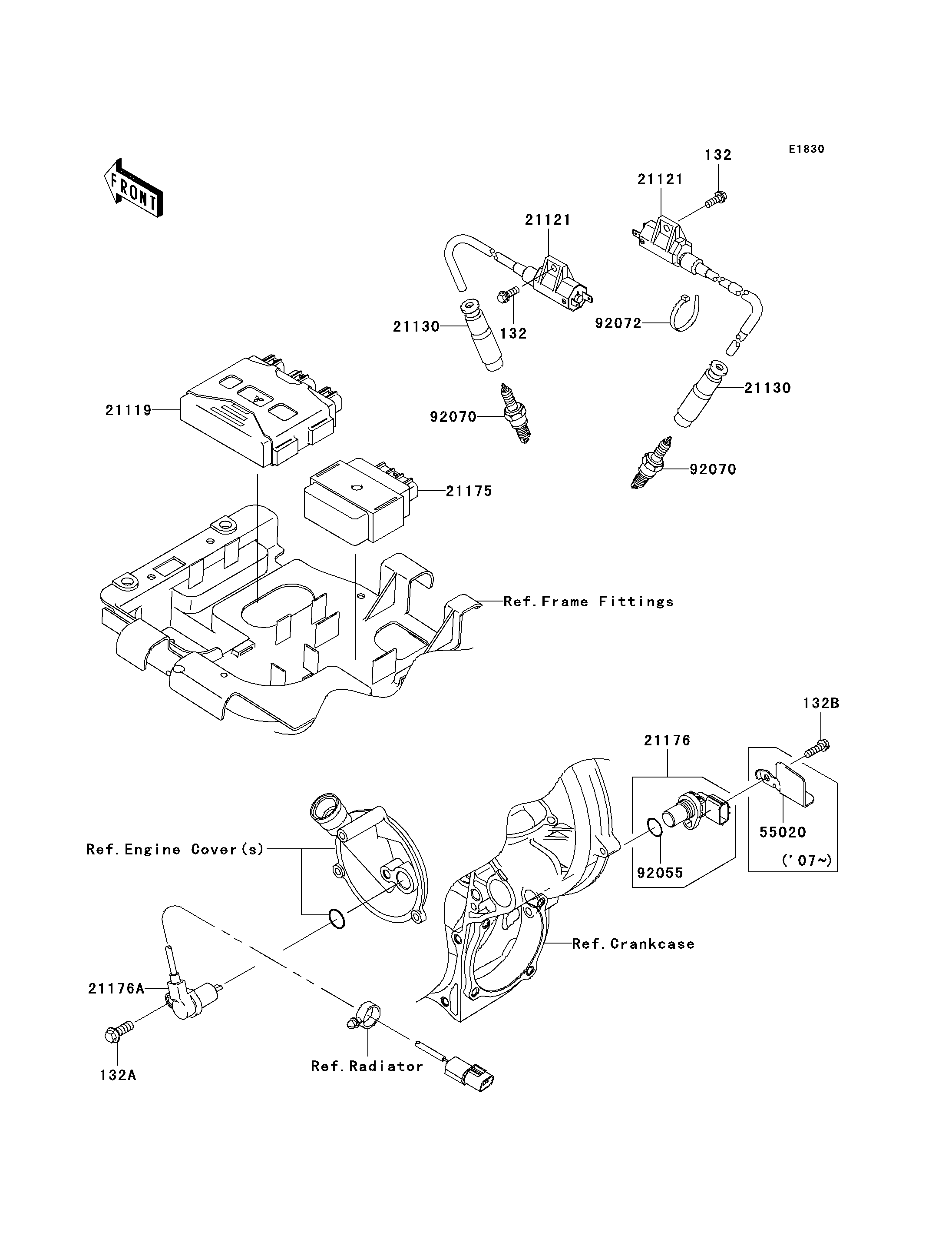
132
132
132A
132B
21119
21121
21121
21130
21130
21175
21176
21176A
55020
92055
92070
92070
92072
Part Item Information
ITEM NAME REF # PART NUMBER QUANTITY DESTINATION REMARKS
BOLT-FLANGED-SMALL,6X16 132 132H0616 2
BOLT-FLANGED-SMALL,8X22 132A 132H0822 1
BOLT-FLANGED-SMALL,6X20 132B 132Y0620 1
IGNITER 21119 21119-0065 1
COIL-IGNITION 21121 21121-0018 2
CAP-SPARK PLUG 21130 21130-1071 2
CONTROL UNIT-ELECTRONIC 21175 21175-0086 1
SENSOR,SPEED 21176 21176-1104 1
SENSOR,REVERSE 21176A 21176-1109 1
GUARD 55020 55020-0247 1
RING-O 92055 92055-1718 1
PLUG-SPARK,CR7E(NGK) 92070 92070-1209 AR
BAND,L=188 92072 92072-1239 1