Skip to main content

Parts Diagrams

customer service agent speaking with a customer

Welcome, Kawasaki owners. Access the information and tools you need to get the most out of your vehicle.

Welcome, Kawasaki owners. Access the information and tools you need to get the most out of your vehicle.

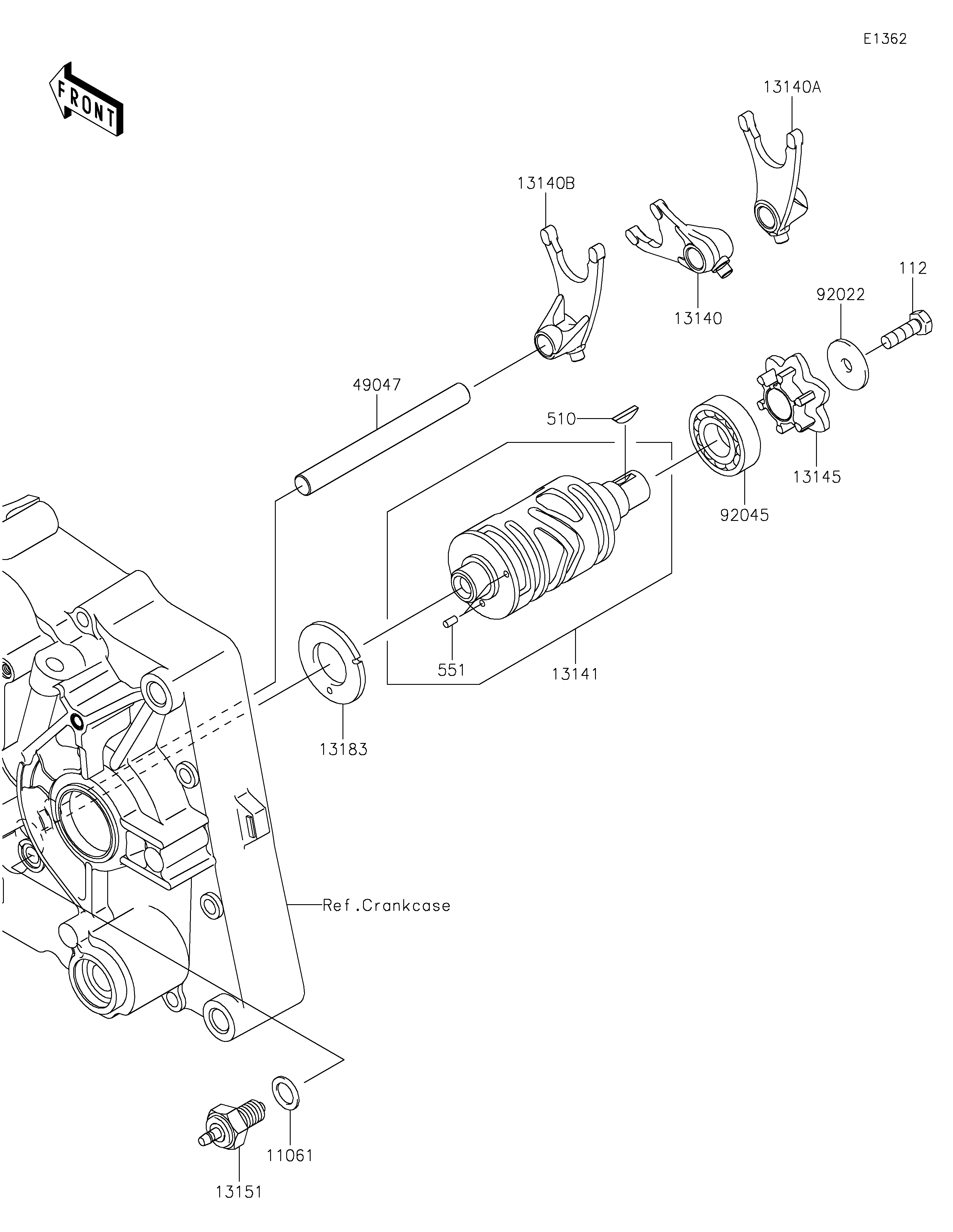
2020 KLX®140G - Gear Change Drum/Shift Fork(s)

11061
112
13140
13140A
13140B
13141
13145
13151
13183
49047
510
551
92022
92045
Part Item Information
ITEM NAME REF # PART NUMBER QUANTITY DESTINATION REMARKS
GASKET,10.5X16X1 11061 11061-0373 1
BOLT-UPSET,6X20 112 112CA0620 1
FORK-SHIFT,INPUT 13140 13140-0051 1
FORK-SHIFT,OUTPUT RH 13140A 13140-0052 1
FORK-SHIFT,OUTPUT LH 13140B 13140-0053 1
DRUM-CHANGE 13141 13141-0572 1
CAM-CHANGE DRUM 13145 13145-1084 1
SWITCH-COMP,NEUTRAL 13151 13151-1099 1
PLATE,CHANGE 13183 13183-1066 1
ROD-SHIFT 49047 49047-1094 1
KEY-WOODRUFF 510 510A3200 1
PIN-DOWEL,3X6 551 551A0306 2
WASHER,6.5X24X2 92022 92022-1690 1
BEARING-BALL,17X35X10 92045 92045-0126 1