main content of page
Parts Diagrams
OWNER CENTER |

Welcome, Kawasaki owners. Access the information and tools you need to get the most out of your vehicle.
OWNER CENTER |
Welcome, Kawasaki owners. Access the information and tools you need to get the most out of your vehicle.
Parts Diagrams |
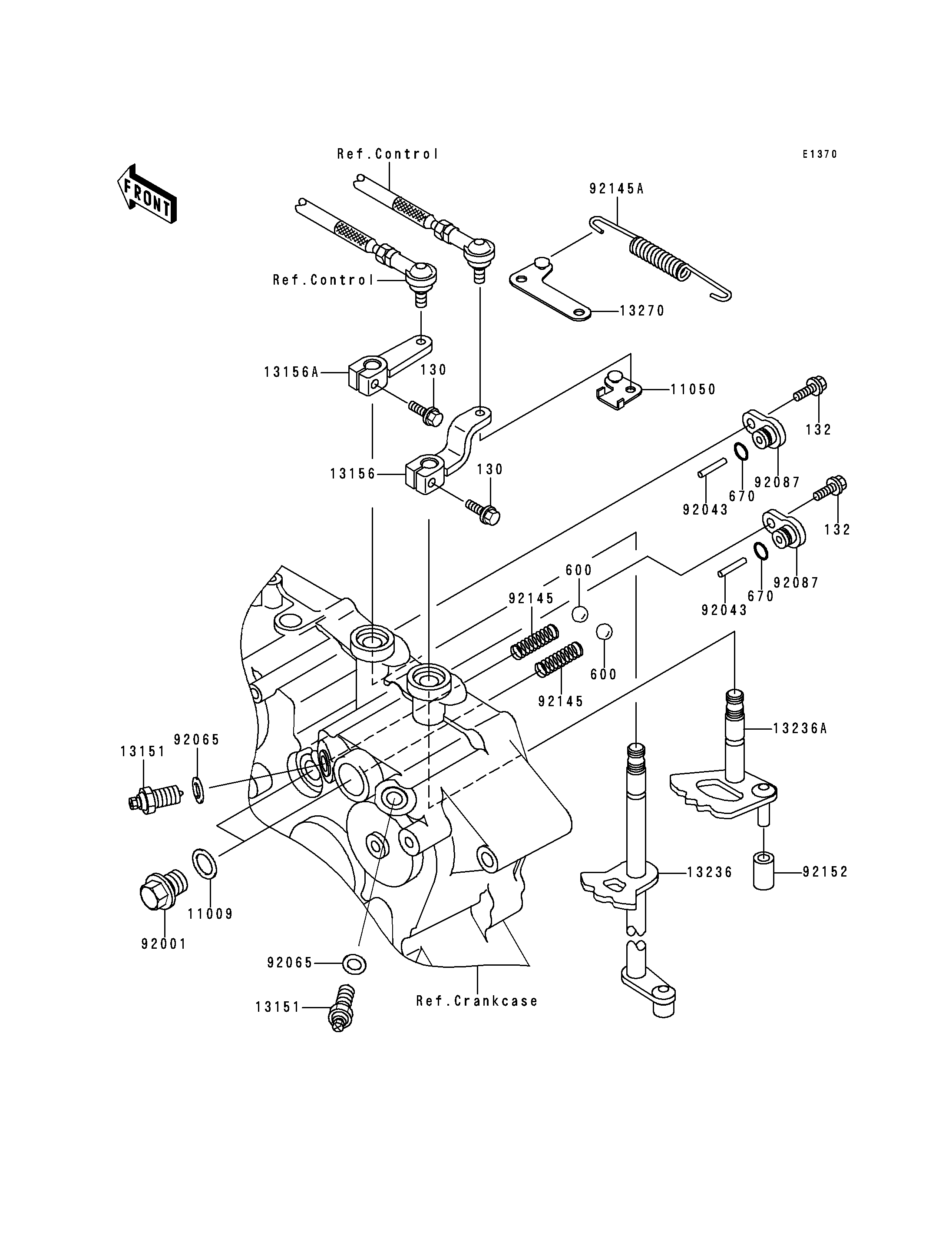
1998 Prairie 400 - Gear Change Mechanism
130
130
132
132
600
600
670
670
11009
11050
13151
13151
13156
13156A
13236
13236A
13270
92001
92043
92043
92065
92065
92087
92087
92145
92145
92145A
92152
ITEM NAME | REF # | PART NUMBER | QUANTITY | DESTINATION | REMARKS |
---|---|---|---|---|---|
BOLT-FLANGED,6X20 | 130 | 130P0620 | 2 | ||
BOLT-FLANGED-SMALL | 132 | 132J0614 | 2 | ||
BALL-STEEL,13/32" | 600 | 600A1300 | 2 | ||
O RING,10MM | 670 | 670D1510 | 2 | ||
GASKET,15.5X22X1 | 11009 | 11009-1008 | 2 | ||
BRACKET | 11050 | 11050-1386 | 1 | ||
SWITCH-COMP,NEUTRAL | 13151 | 13151-1069 | 2 | ||
LEVER-CHANGE,FORWARD/REVERSE | 13156 | 13156-1394 | 1 | ||
LEVER-CHANGE,HI/LOW | 13156A | 13156-1395 | 1 | ||
LEVER-COMP,HI/LOW | 13236 | 13236-1292 | 1 | ||
LEVER-COMP,FORWARD/REVERSE | 13236A | 13236-1313 | 1 | ||
PLATE | 13270 | 13270-1850 | 1 | ||
BOLT,NEUTRAL POSITION | 92001 | 92001-1037 | 2 | ||
PIN | 92043 | 92043-1415 | 2 | ||
GASKET,10.5X16X1,DRAIN PLUG | 92065 | 92065-058 | 2 | ||
BUSHING-METER GEAR | 92087 | 92087-1058 | 2 | ||
SPRING | 92145 | 92145-1075 | 2 | ||
SPRING | 92145A | 92145-1079 | 1 | ||
COLLAR,LEVER | 92152 | 92152-1073 | 1 |
BOLT-FLANGED,6X20 | |
REF # | 130 |
---|---|
PART NUMBER | |
QUANTITY | 2 |
DESTINATION | |
REMARKS |
BOLT-FLANGED-SMALL | |
REF # | 132 |
---|---|
PART NUMBER | |
QUANTITY | 2 |
DESTINATION | |
REMARKS |
BALL-STEEL,13/32" | |
REF # | 600 |
---|---|
PART NUMBER | |
QUANTITY | 2 |
DESTINATION | |
REMARKS |
O RING,10MM | |
REF # | 670 |
---|---|
PART NUMBER | |
QUANTITY | 2 |
DESTINATION | |
REMARKS |
GASKET,15.5X22X1 | |
REF # | 11009 |
---|---|
PART NUMBER | |
QUANTITY | 2 |
DESTINATION | |
REMARKS |
BRACKET | |
REF # | 11050 |
---|---|
PART NUMBER | |
QUANTITY | 1 |
DESTINATION | |
REMARKS |
SWITCH-COMP,NEUTRAL | |
REF # | 13151 |
---|---|
PART NUMBER | |
QUANTITY | 2 |
DESTINATION | |
REMARKS |
LEVER-CHANGE,FORWARD/REVERSE | |
REF # | 13156 |
---|---|
PART NUMBER | |
QUANTITY | 1 |
DESTINATION | |
REMARKS |
LEVER-CHANGE,HI/LOW | |
REF # | 13156A |
---|---|
PART NUMBER | |
QUANTITY | 1 |
DESTINATION | |
REMARKS |
LEVER-COMP,HI/LOW | |
REF # | 13236 |
---|---|
PART NUMBER | |
QUANTITY | 1 |
DESTINATION | |
REMARKS |
LEVER-COMP,FORWARD/REVERSE | |
REF # | 13236A |
---|---|
PART NUMBER | |
QUANTITY | 1 |
DESTINATION | |
REMARKS |
PLATE | |
REF # | 13270 |
---|---|
PART NUMBER | |
QUANTITY | 1 |
DESTINATION | |
REMARKS |
BOLT,NEUTRAL POSITION | |
REF # | 92001 |
---|---|
PART NUMBER | |
QUANTITY | 2 |
DESTINATION | |
REMARKS |
PIN | |
REF # | 92043 |
---|---|
PART NUMBER | |
QUANTITY | 2 |
DESTINATION | |
REMARKS |
GASKET,10.5X16X1,DRAIN PLUG | |
REF # | 92065 |
---|---|
PART NUMBER | |
QUANTITY | 2 |
DESTINATION | |
REMARKS |
BUSHING-METER GEAR | |
REF # | 92087 |
---|---|
PART NUMBER | |
QUANTITY | 2 |
DESTINATION | |
REMARKS |
SPRING | |
REF # | 92145 |
---|---|
PART NUMBER | |
QUANTITY | 2 |
DESTINATION | |
REMARKS |
SPRING | |
REF # | 92145A |
---|---|
PART NUMBER | |
QUANTITY | 1 |
DESTINATION | |
REMARKS |
COLLAR,LEVER | |
REF # | 92152 |
---|---|
PART NUMBER | |
QUANTITY | 1 |
DESTINATION | |
REMARKS |