main content of page
Parts Diagrams
OWNER CENTER |

Welcome, Kawasaki owners. Access the information and tools you need to get the most out of your vehicle.
OWNER CENTER |
Welcome, Kawasaki owners. Access the information and tools you need to get the most out of your vehicle.
Parts Diagrams |
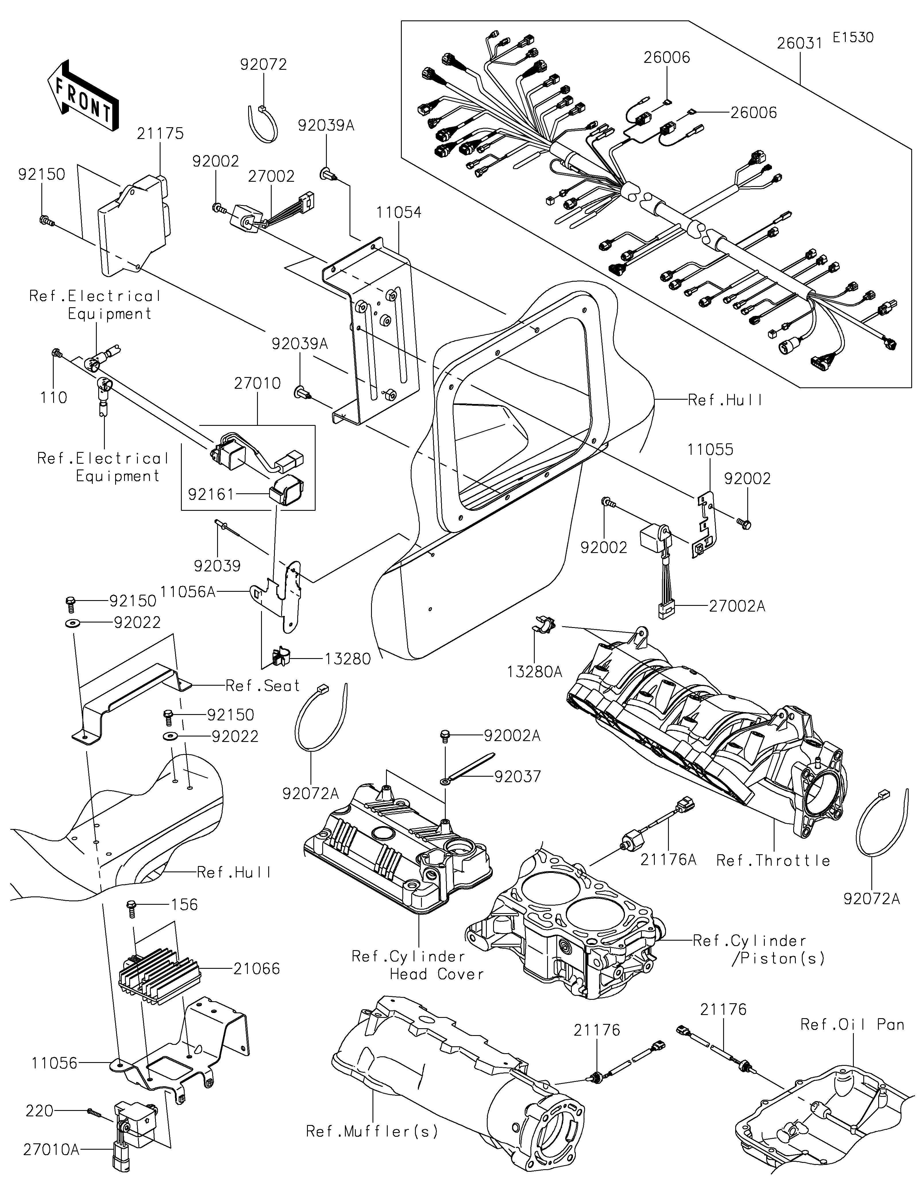
2019 JET SKI® Ultra® 310X SE - Fuel Injection
110
11054
11055
11056
11056A
13280
13280A
156
21066
21175
21176
21176
21176A
220
26006
26006
26031
27002
27002A
27010
27010A
92002
92002
92002
92002A
92022
92022
92037
92039
92039A
92039A
92072
92072A
92072A
92150
92150
92150
92161
ITEM NAME | REF # | PART NUMBER | QUANTITY | DESTINATION | REMARKS |
---|---|---|---|---|---|
BOLT,6X8 | 110 | 110R0608 | 2 | ||
BRACKET,ECU&RELAY | 11054 | 11054-3743 | 1 | ||
BRACKET,FUSE | 11055 | 11055-3713 | 1 | ||
BRACKET,REGULATOR&VDS | 11056 | 11056-3702 | 1 | ||
BRACKET,SWITCH | 11056A | 11056-3855 | 1 | ||
HOLDER | 13280 | 13280-0789 | 1 | ||
HOLDER,HARNESS | 13280A | 13280-3760 | 2 | ||
BOLT-WP,6X20 | 156 | 156R0620 | 2 | ||
REGULATOR-VOLTAGE | 21066 | 21066-3718 | 1 | ||
CONTROL UNIT-ELECTRONIC | 21175 | 21175-0954 | 1 | ||
SENSOR,TEMP | 21176 | 21176-0741 | 2 | ||
SENSOR,KNOCK | 21176A | 21176-0770 | 1 | ||
SCREW-PAN-CROS,4X20 | 220 | 220R0420 | 2 | ||
FUSE,MINI BLADE,20A,YELLOW | 26006 | 26006-3704 | 2 | ||
HARNESS,MAIN | 26031 | 26031-1698 | 1 | ||
RELAY-ASSY | 27002 | 27002-3703 | 2 | ||
RELAY-ASSY | 27002A | 27002-3704 | 1 | ||
SWITCH | 27010 | 27010-0710 | 1 | ||
SWITCH,VDS | 27010A | 27010-3785 | 1 | ||
BOLT,6X16 | 92002 | 92002-3728 | 4 | ||
BOLT,6X12 | 92002A | 92002-3763 | 2 | ||
WASHER,6.5X20X1.5 | 92022 | 92022-3710 | 3 | ||
CLAMP,L=100 | 92037 | 92037-3736 | 2 | ||
RIVET | 92039 | 92039-3714 | 2 | ||
RIVET | 92039A | 92039-3788 | 4 | ||
BAND,L=188.85 | 92072 | 92072-0105 | 1 | ||
BAND,L=372.24 | 92072A | 92072-3883 | 2 | ||
BOLT,6X18 | 92150 | 92150-3729 | 5 | ||
DAMPER,SWITCH | 92161 | 92161-1625 | 1 |
BOLT,6X8 | |
REF # | 110 |
---|---|
PART NUMBER | |
QUANTITY | 2 |
DESTINATION | |
REMARKS |
BRACKET,ECU&RELAY | |
REF # | 11054 |
---|---|
PART NUMBER | |
QUANTITY | 1 |
DESTINATION | |
REMARKS |
BRACKET,FUSE | |
REF # | 11055 |
---|---|
PART NUMBER | |
QUANTITY | 1 |
DESTINATION | |
REMARKS |
BRACKET,REGULATOR&VDS | |
REF # | 11056 |
---|---|
PART NUMBER | |
QUANTITY | 1 |
DESTINATION | |
REMARKS |
BRACKET,SWITCH | |
REF # | 11056A |
---|---|
PART NUMBER | |
QUANTITY | 1 |
DESTINATION | |
REMARKS |
HOLDER | |
REF # | 13280 |
---|---|
PART NUMBER | |
QUANTITY | 1 |
DESTINATION | |
REMARKS |
HOLDER,HARNESS | |
REF # | 13280A |
---|---|
PART NUMBER | |
QUANTITY | 2 |
DESTINATION | |
REMARKS |
BOLT-WP,6X20 | |
REF # | 156 |
---|---|
PART NUMBER | |
QUANTITY | 2 |
DESTINATION | |
REMARKS |
REGULATOR-VOLTAGE | |
REF # | 21066 |
---|---|
PART NUMBER | |
QUANTITY | 1 |
DESTINATION | |
REMARKS |
CONTROL UNIT-ELECTRONIC | |
REF # | 21175 |
---|---|
PART NUMBER | |
QUANTITY | 1 |
DESTINATION | |
REMARKS |
SENSOR,TEMP | |
REF # | 21176 |
---|---|
PART NUMBER | |
QUANTITY | 2 |
DESTINATION | |
REMARKS |
SENSOR,KNOCK | |
REF # | 21176A |
---|---|
PART NUMBER | |
QUANTITY | 1 |
DESTINATION | |
REMARKS |
SCREW-PAN-CROS,4X20 | |
REF # | 220 |
---|---|
PART NUMBER | |
QUANTITY | 2 |
DESTINATION | |
REMARKS |
FUSE,MINI BLADE,20A,YELLOW | |
REF # | 26006 |
---|---|
PART NUMBER | |
QUANTITY | 2 |
DESTINATION | |
REMARKS |
HARNESS,MAIN | |
REF # | 26031 |
---|---|
PART NUMBER | |
QUANTITY | 1 |
DESTINATION | |
REMARKS |
RELAY-ASSY | |
REF # | 27002 |
---|---|
PART NUMBER | |
QUANTITY | 2 |
DESTINATION | |
REMARKS |
RELAY-ASSY | |
REF # | 27002A |
---|---|
PART NUMBER | |
QUANTITY | 1 |
DESTINATION | |
REMARKS |
SWITCH | |
REF # | 27010 |
---|---|
PART NUMBER | |
QUANTITY | 1 |
DESTINATION | |
REMARKS |
SWITCH,VDS | |
REF # | 27010A |
---|---|
PART NUMBER | |
QUANTITY | 1 |
DESTINATION | |
REMARKS |
BOLT,6X16 | |
REF # | 92002 |
---|---|
PART NUMBER | |
QUANTITY | 4 |
DESTINATION | |
REMARKS |
BOLT,6X12 | |
REF # | 92002A |
---|---|
PART NUMBER | |
QUANTITY | 2 |
DESTINATION | |
REMARKS |
WASHER,6.5X20X1.5 | |
REF # | 92022 |
---|---|
PART NUMBER | |
QUANTITY | 3 |
DESTINATION | |
REMARKS |
CLAMP,L=100 | |
REF # | 92037 |
---|---|
PART NUMBER | |
QUANTITY | 2 |
DESTINATION | |
REMARKS |
RIVET | |
REF # | 92039 |
---|---|
PART NUMBER | |
QUANTITY | 2 |
DESTINATION | |
REMARKS |
RIVET | |
REF # | 92039A |
---|---|
PART NUMBER | |
QUANTITY | 4 |
DESTINATION | |
REMARKS |
BAND,L=188.85 | |
REF # | 92072 |
---|---|
PART NUMBER | |
QUANTITY | 1 |
DESTINATION | |
REMARKS |
BAND,L=372.24 | |
REF # | 92072A |
---|---|
PART NUMBER | |
QUANTITY | 2 |
DESTINATION | |
REMARKS |
BOLT,6X18 | |
REF # | 92150 |
---|---|
PART NUMBER | |
QUANTITY | 5 |
DESTINATION | |
REMARKS |
DAMPER,SWITCH | |
REF # | 92161 |
---|---|
PART NUMBER | |
QUANTITY | 1 |
DESTINATION | |
REMARKS |