main content of page
Parts Diagrams
OWNER CENTER |

Welcome, Kawasaki owners. Access the information and tools you need to get the most out of your vehicle.
OWNER CENTER |
Welcome, Kawasaki owners. Access the information and tools you need to get the most out of your vehicle.
Parts Diagrams |
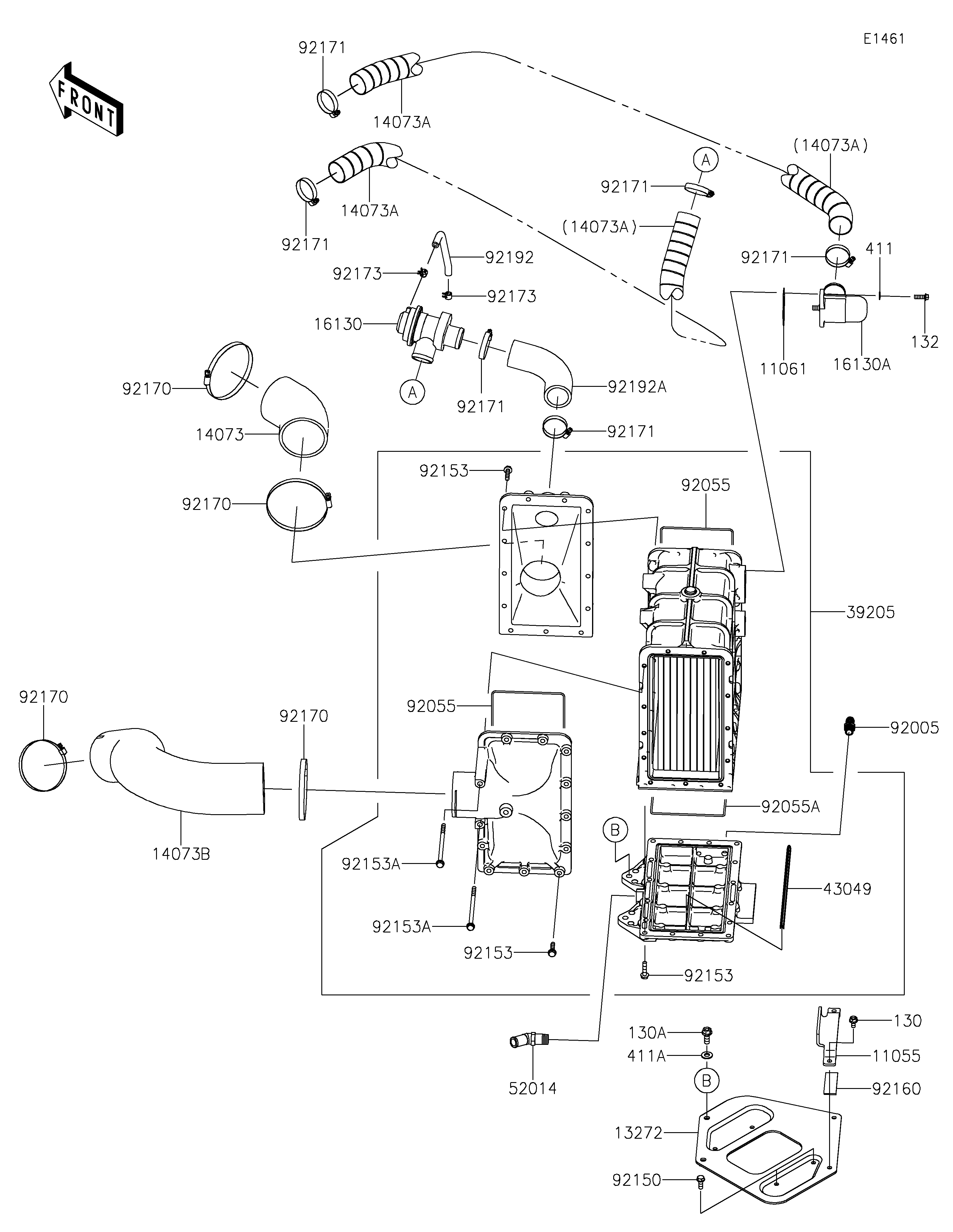
2019 JET SKI® Ultra® 310X SE - Inter Cooler
11055
11061
130
130A
132
13272
14073
14073A
14073A
14073B
16130
16130A
39205
411
411A
43049
52014
92005
92055
92055
92055A
92150
92153
92153
92153
92153A
92153A
92160
92170
92170
92170
92170
92171
92171
92171
92171
92171
92171
92173
92173
92192
92192A
ITEM NAME | REF # | PART NUMBER | QUANTITY | DESTINATION | REMARKS |
---|---|---|---|---|---|
BRACKET | 11055 | 11055-3714 | 1 | ||
GASKET | 11061 | 11061-3765 | 1 | ||
BOLT-FLANGED,6X12 | 130 | 130CD0612 | 2 | ||
BOLT-FLANGED,8X20 | 130A | 130CD0820 | 2 | ||
BOLT-FLANGED-SMALL,6X18 | 132 | 132BC0618 | 2 | ||
PLATE | 13272 | 13272-3721 | 1 | ||
DUCT,I/C-TH. | 14073 | 14073-3823 | 1 | ||
DUCT,BYPASS VALVE-A/C | 14073A | 14073-3834 | 2 | ||
DUCT,S/C-I/C | 14073B | 14073-3839 | 1 | ||
VALVE-ASSY-RELIEF,AIR BYPASS | 16130 | 16130-3703 | 1 | ||
VALVE-ASSY-RELIEF,BLOW OFF | 16130A | 16130-3707 | 1 | ||
HEAT EXCHANGER,INTER COOLER | 39205 | 39205-3702 | 1 | ||
WASHER-PLAIN,6MM | 411 | 411S0600 | 2 | ||
WASHER-PLAIN,8MM | 411A | 411S0800 | 2 | ||
PACKING | 43049 | 43049-3719 | 1 | ||
ELBOW | 52014 | 52014-3714 | 1 | ||
FITTING | 92005 | 92005-3714 | 1 | ||
RING-O | 92055 | 92055-3779 | 2 | ||
RING-O | 92055A | 92055-3780 | 1 | ||
BOLT,6X18 | 92150 | 92150-3729 | 4 | ||
BOLT,FLANGED,6X25 | 92153 | 92153-3750 | 40 | ||
BOLT,FLANGED,6X110 | 92153A | 92153-3751 | 2 | ||
DAMPER | 92160 | 92160-1075 | 1 | ||
CLAMP | 92170 | 92170-3764 | 4 | ||
CLAMP | 92171 | 92171-3725 | 6 | ||
CLAMP | 92173 | 92173-1038 | 2 | ||
TUBE,5.8X10.8X140 | 92192 | 92192-1512 | 1 | ||
TUBE,I/C-ABV | 92192A | 92192-3784 | 1 |
BRACKET | |
REF # | 11055 |
---|---|
PART NUMBER | |
QUANTITY | 1 |
DESTINATION | |
REMARKS |
GASKET | |
REF # | 11061 |
---|---|
PART NUMBER | |
QUANTITY | 1 |
DESTINATION | |
REMARKS |
BOLT-FLANGED,6X12 | |
REF # | 130 |
---|---|
PART NUMBER | |
QUANTITY | 2 |
DESTINATION | |
REMARKS |
BOLT-FLANGED,8X20 | |
REF # | 130A |
---|---|
PART NUMBER | |
QUANTITY | 2 |
DESTINATION | |
REMARKS |
BOLT-FLANGED-SMALL,6X18 | |
REF # | 132 |
---|---|
PART NUMBER | |
QUANTITY | 2 |
DESTINATION | |
REMARKS |
PLATE | |
REF # | 13272 |
---|---|
PART NUMBER | |
QUANTITY | 1 |
DESTINATION | |
REMARKS |
DUCT,I/C-TH. | |
REF # | 14073 |
---|---|
PART NUMBER | |
QUANTITY | 1 |
DESTINATION | |
REMARKS |
DUCT,BYPASS VALVE-A/C | |
REF # | 14073A |
---|---|
PART NUMBER | |
QUANTITY | 2 |
DESTINATION | |
REMARKS |
DUCT,S/C-I/C | |
REF # | 14073B |
---|---|
PART NUMBER | |
QUANTITY | 1 |
DESTINATION | |
REMARKS |
VALVE-ASSY-RELIEF,AIR BYPASS | |
REF # | 16130 |
---|---|
PART NUMBER | |
QUANTITY | 1 |
DESTINATION | |
REMARKS |
VALVE-ASSY-RELIEF,BLOW OFF | |
REF # | 16130A |
---|---|
PART NUMBER | |
QUANTITY | 1 |
DESTINATION | |
REMARKS |
HEAT EXCHANGER,INTER COOLER | |
REF # | 39205 |
---|---|
PART NUMBER | |
QUANTITY | 1 |
DESTINATION | |
REMARKS |
WASHER-PLAIN,6MM | |
REF # | 411 |
---|---|
PART NUMBER | |
QUANTITY | 2 |
DESTINATION | |
REMARKS |
WASHER-PLAIN,8MM | |
REF # | 411A |
---|---|
PART NUMBER | |
QUANTITY | 2 |
DESTINATION | |
REMARKS |
PACKING | |
REF # | 43049 |
---|---|
PART NUMBER | |
QUANTITY | 1 |
DESTINATION | |
REMARKS |
ELBOW | |
REF # | 52014 |
---|---|
PART NUMBER | |
QUANTITY | 1 |
DESTINATION | |
REMARKS |
FITTING | |
REF # | 92005 |
---|---|
PART NUMBER | |
QUANTITY | 1 |
DESTINATION | |
REMARKS |
RING-O | |
REF # | 92055 |
---|---|
PART NUMBER | |
QUANTITY | 2 |
DESTINATION | |
REMARKS |
RING-O | |
REF # | 92055A |
---|---|
PART NUMBER | |
QUANTITY | 1 |
DESTINATION | |
REMARKS |
BOLT,6X18 | |
REF # | 92150 |
---|---|
PART NUMBER | |
QUANTITY | 4 |
DESTINATION | |
REMARKS |
BOLT,FLANGED,6X25 | |
REF # | 92153 |
---|---|
PART NUMBER | |
QUANTITY | 40 |
DESTINATION | |
REMARKS |
BOLT,FLANGED,6X110 | |
REF # | 92153A |
---|---|
PART NUMBER | |
QUANTITY | 2 |
DESTINATION | |
REMARKS |
DAMPER | |
REF # | 92160 |
---|---|
PART NUMBER | |
QUANTITY | 1 |
DESTINATION | |
REMARKS |
CLAMP | |
REF # | 92170 |
---|---|
PART NUMBER | |
QUANTITY | 4 |
DESTINATION | |
REMARKS |
CLAMP | |
REF # | 92171 |
---|---|
PART NUMBER | |
QUANTITY | 6 |
DESTINATION | |
REMARKS |
CLAMP | |
REF # | 92173 |
---|---|
PART NUMBER | |
QUANTITY | 2 |
DESTINATION | |
REMARKS |
TUBE,5.8X10.8X140 | |
REF # | 92192 |
---|---|
PART NUMBER | |
QUANTITY | 1 |
DESTINATION | |
REMARKS |
TUBE,I/C-ABV | |
REF # | 92192A |
---|---|
PART NUMBER | |
QUANTITY | 1 |
DESTINATION | |
REMARKS |