main content of page
Parts Diagrams
OWNER CENTER |

Welcome, Kawasaki owners. Access the information and tools you need to get the most out of your vehicle.
OWNER CENTER |
Welcome, Kawasaki owners. Access the information and tools you need to get the most out of your vehicle.
Parts Diagrams |
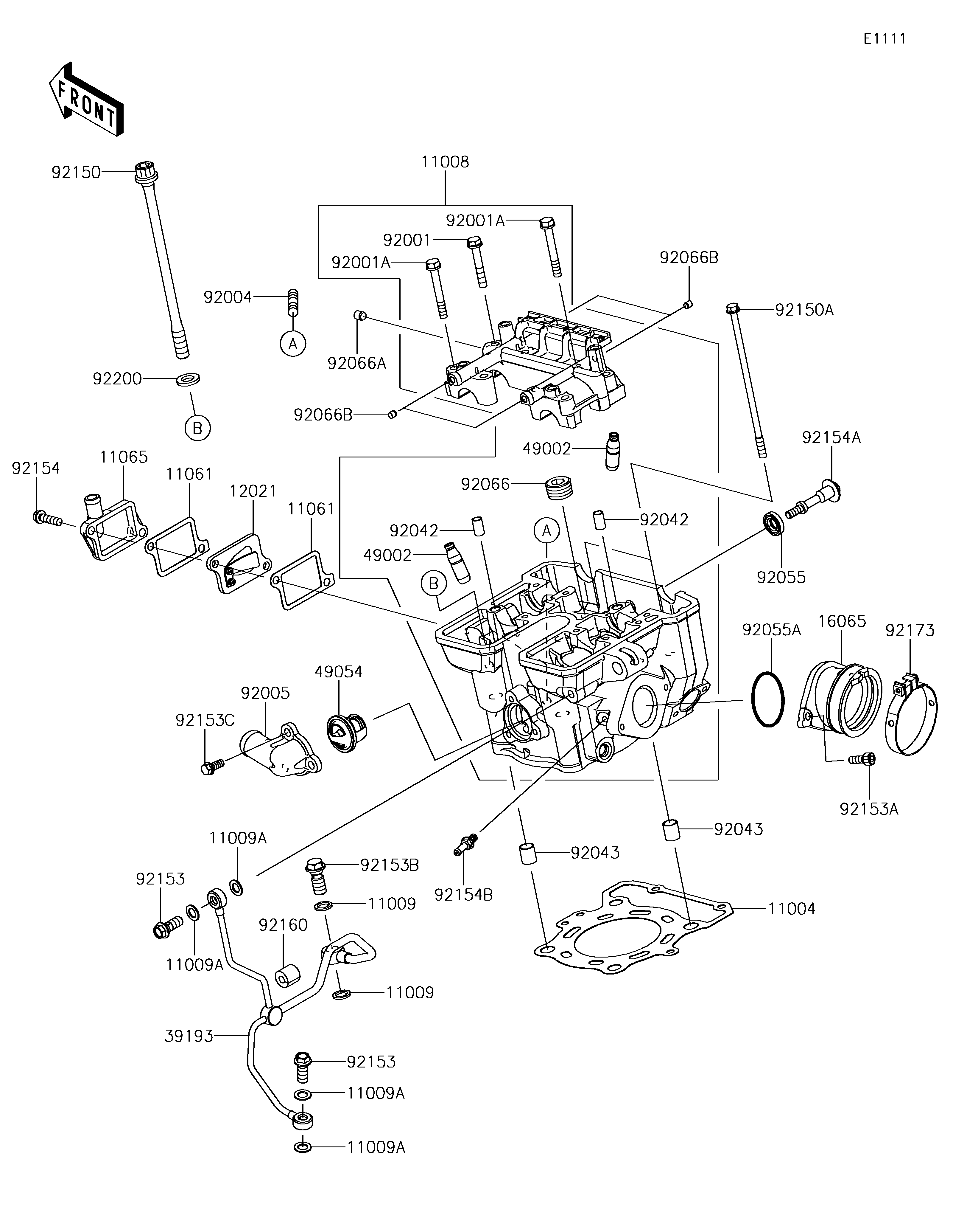
11004
11008
11009
11009
11009A
11009A
11009A
11009A
11061
11061
11065
12021
16065
39193
49002
49002
49054
92001
92001A
92001A
92004
92005
92042
92042
92043
92043
92055
92055A
92066
92066A
92066B
92066B
92150
92150A
92153
92153
92153A
92153B
92153C
92154
92154A
92154B
92160
92173
92200
ITEM NAME | REF # | PART NUMBER | QUANTITY | DESTINATION | REMARKS |
---|---|---|---|---|---|
GASKET-HEAD | 11004 | 11004-1249 | 1 | ||
HEAD-COMP-CYLINDER | 11008 | 11008-0810 | 1 | ||
GASKET,10X14.5X1.5 | 11009 | 11009-1105 | 2 | ||
GASKET,8.2X14X1.0 | 11009A | 11009-1344 | 4 | ||
GASKET,REED VALVE | 11061 | 11061-0890 | 2 | ||
CAP | 11065 | 11065-0293 | 1 | ||
VALVE-ASSY-REED | 12021 | 12021-1115 | 1 | ||
HOLDER-CARBURETOR | 16065 | 16065-0125 | 1 | ||
PIPE-OIL | 39193 | 39193-0580 | 1 | ||
GUIDE-VALVE | 49002 | 49002-1126 | 4 | ||
THERMOSTAT | 49054 | 49054-1053 | 1 | ||
BOLT,FLANGED,6X38 | 92001 | 92001-1105 | 6 | ||
BOLT,6X46 | 92001A | 92001-1872 | 2 | ||
STUD,8X25 | 92004 | 92004-0731 | 2 | ||
FITTING | 92005 | 92005-0778 | 1 | ||
PIN,DOWEL,6.3X8X14 | 92042 | 92042-007 | 2 | ||
PIN,10.1X12X14 | 92043 | 92043-4009 | 2 | ||
RING-O,HEAD COVER BOLT | 92055 | 92055-0195 | 1 | ||
RING-O,42X1.9 | 92055A | 92055-1536 | 1 | ||
PLUG,PT1/2X12.5 | 92066 | 92066-0002 | 1 | ||
PLUG,OIL LINE,7.2X8 | 92066A | 92066-1012 | 1 | ||
PLUG | 92066B | 92066-1213 | 4 | ||
BOLT,10X165 | 92150 | 92150-1368 | 4 | ||
BOLT,6X135 | 92150A | 92150-1552 | 2 | ||
BOLT,BANJO,8X20 | 92153 | 92153-0651 | 2 | ||
BOLT,SOCKET,6X16 | 92153A | 92153-1344 | 2 | ||
BOLT,BANJO,10X23 | 92153B | 92153-1345 | 1 | ||
BOLT | 92153C | 92153-1805 | 3 | ||
BOLT,FLANGED,6X22 | 92154 | 92154-0504 | 2 | ||
BOLT | 92154A | 92154-1230 | 1 | ||
BOLT | 92154B | 92154-1248 | 1 | ||
DAMPER,6.3X15X14 | 92160 | 92160-1523 | 1 | ||
CLAMP,58MM | 92173 | 92173-0927 | 1 | ||
WASHER,10.5X19X2.3 | 92200 | 92200-1042 | 4 |
GASKET-HEAD | |
REF # | 11004 |
---|---|
PART NUMBER | |
QUANTITY | 1 |
DESTINATION | |
REMARKS |
HEAD-COMP-CYLINDER | |
REF # | 11008 |
---|---|
PART NUMBER | |
QUANTITY | 1 |
DESTINATION | |
REMARKS |
GASKET,10X14.5X1.5 | |
REF # | 11009 |
---|---|
PART NUMBER | |
QUANTITY | 2 |
DESTINATION | |
REMARKS |
GASKET,8.2X14X1.0 | |
REF # | 11009A |
---|---|
PART NUMBER | |
QUANTITY | 4 |
DESTINATION | |
REMARKS |
GASKET,REED VALVE | |
REF # | 11061 |
---|---|
PART NUMBER | |
QUANTITY | 2 |
DESTINATION | |
REMARKS |
CAP | |
REF # | 11065 |
---|---|
PART NUMBER | |
QUANTITY | 1 |
DESTINATION | |
REMARKS |
VALVE-ASSY-REED | |
REF # | 12021 |
---|---|
PART NUMBER | |
QUANTITY | 1 |
DESTINATION | |
REMARKS |
HOLDER-CARBURETOR | |
REF # | 16065 |
---|---|
PART NUMBER | |
QUANTITY | 1 |
DESTINATION | |
REMARKS |
PIPE-OIL | |
REF # | 39193 |
---|---|
PART NUMBER | |
QUANTITY | 1 |
DESTINATION | |
REMARKS |
GUIDE-VALVE | |
REF # | 49002 |
---|---|
PART NUMBER | |
QUANTITY | 4 |
DESTINATION | |
REMARKS |
THERMOSTAT | |
REF # | 49054 |
---|---|
PART NUMBER | |
QUANTITY | 1 |
DESTINATION | |
REMARKS |
BOLT,FLANGED,6X38 | |
REF # | 92001 |
---|---|
PART NUMBER | |
QUANTITY | 6 |
DESTINATION | |
REMARKS |
BOLT,6X46 | |
REF # | 92001A |
---|---|
PART NUMBER | |
QUANTITY | 2 |
DESTINATION | |
REMARKS |
STUD,8X25 | |
REF # | 92004 |
---|---|
PART NUMBER | |
QUANTITY | 2 |
DESTINATION | |
REMARKS |
FITTING | |
REF # | 92005 |
---|---|
PART NUMBER | |
QUANTITY | 1 |
DESTINATION | |
REMARKS |
PIN,DOWEL,6.3X8X14 | |
REF # | 92042 |
---|---|
PART NUMBER | |
QUANTITY | 2 |
DESTINATION | |
REMARKS |
PIN,10.1X12X14 | |
REF # | 92043 |
---|---|
PART NUMBER | |
QUANTITY | 2 |
DESTINATION | |
REMARKS |
RING-O,HEAD COVER BOLT | |
REF # | 92055 |
---|---|
PART NUMBER | |
QUANTITY | 1 |
DESTINATION | |
REMARKS |
RING-O,42X1.9 | |
REF # | 92055A |
---|---|
PART NUMBER | |
QUANTITY | 1 |
DESTINATION | |
REMARKS |
PLUG,PT1/2X12.5 | |
REF # | 92066 |
---|---|
PART NUMBER | |
QUANTITY | 1 |
DESTINATION | |
REMARKS |
PLUG,OIL LINE,7.2X8 | |
REF # | 92066A |
---|---|
PART NUMBER | |
QUANTITY | 1 |
DESTINATION | |
REMARKS |
PLUG | |
REF # | 92066B |
---|---|
PART NUMBER | |
QUANTITY | 4 |
DESTINATION | |
REMARKS |
BOLT,10X165 | |
REF # | 92150 |
---|---|
PART NUMBER | |
QUANTITY | 4 |
DESTINATION | |
REMARKS |
BOLT,6X135 | |
REF # | 92150A |
---|---|
PART NUMBER | |
QUANTITY | 2 |
DESTINATION | |
REMARKS |
BOLT,BANJO,8X20 | |
REF # | 92153 |
---|---|
PART NUMBER | |
QUANTITY | 2 |
DESTINATION | |
REMARKS |
BOLT,SOCKET,6X16 | |
REF # | 92153A |
---|---|
PART NUMBER | |
QUANTITY | 2 |
DESTINATION | |
REMARKS |
BOLT,BANJO,10X23 | |
REF # | 92153B |
---|---|
PART NUMBER | |
QUANTITY | 1 |
DESTINATION | |
REMARKS |
BOLT | |
REF # | 92153C |
---|---|
PART NUMBER | |
QUANTITY | 3 |
DESTINATION | |
REMARKS |
BOLT,FLANGED,6X22 | |
REF # | 92154 |
---|---|
PART NUMBER | |
QUANTITY | 2 |
DESTINATION | |
REMARKS |
BOLT | |
REF # | 92154A |
---|---|
PART NUMBER | |
QUANTITY | 1 |
DESTINATION | |
REMARKS |
BOLT | |
REF # | 92154B |
---|---|
PART NUMBER | |
QUANTITY | 1 |
DESTINATION | |
REMARKS |
DAMPER,6.3X15X14 | |
REF # | 92160 |
---|---|
PART NUMBER | |
QUANTITY | 1 |
DESTINATION | |
REMARKS |
CLAMP,58MM | |
REF # | 92173 |
---|---|
PART NUMBER | |
QUANTITY | 1 |
DESTINATION | |
REMARKS |
WASHER,10.5X19X2.3 | |
REF # | 92200 |
---|---|
PART NUMBER | |
QUANTITY | 4 |
DESTINATION | |
REMARKS |