Skip to main content

Parts Diagrams

customer service agent speaking with a customer

Welcome, Kawasaki owners. Access the information and tools you need to get the most out of your vehicle.

Welcome, Kawasaki owners. Access the information and tools you need to get the most out of your vehicle.

Find diagram by part name or number

Find diagram by part name or number

Accessory(Grip Heater)

Accessory(Helmet Lock and DC Socket)

Accessory(Meter Cover)

Accessory(Pillion Seat Cover)

Accessory(Tank Pads and Meter Film)

Brake Pedal/Torque Link

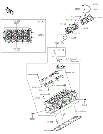
Camshaft(s)/Tensioner

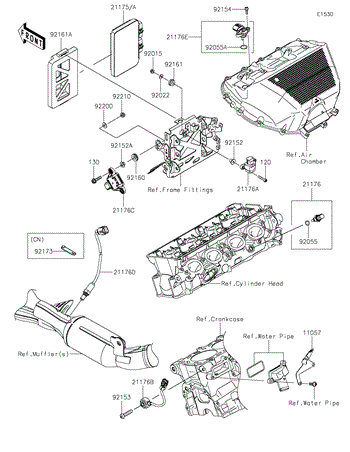
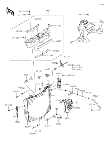
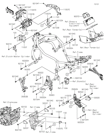
Chassis Electrical Equipment(CA)

Clutch Master Cylinder

Crankcase Bolt Pattern

Front Master Cylinder

Gear Change Drum/Shift Fork(s)

Gear Change Mechanism

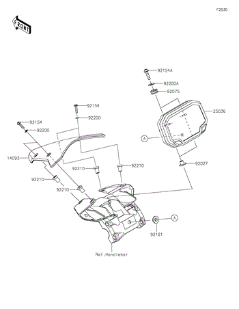
Ignition Switch/Locks/Reflectors

Side Covers/Chain Cover

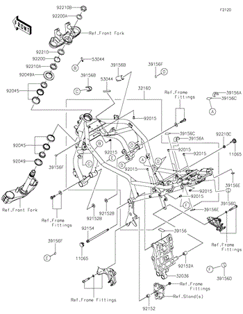
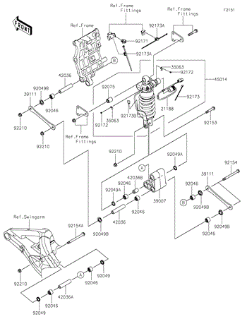
Suspension/Shock Absorber

FIND PARTS DIAGRAMS

Select a category and model to find the parts diagram you are looking for.

SEARCH BY VEHICLE VIN/HIN

Enter Your Vehicle VIN/HIN

Enter Your Vehicle VIN/HIN
Where is my VIN/HIN?