Skip to main content

Parts Diagrams

customer service agent speaking with a customer

Welcome, Kawasaki owners. Access the information and tools you need to get the most out of your vehicle.

Welcome, Kawasaki owners. Access the information and tools you need to get the most out of your vehicle.

Find diagram by part name or number

Find diagram by part name or number

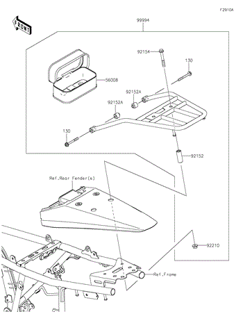
Accessory(Helmet Lock)

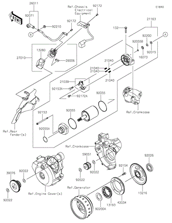
Camshaft(s)/Tensioner

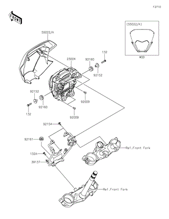
Chassis Electrical Equipment

Decals(Blue)(GRFNN/GRFNL)

Decals(Gray)(GRFNN/GRFNL)

Front Master Cylinder

Gear Change Drum/Shift Fork(s)

Gear Change Mechanism

Side Covers/Chain Cover

Suspension/Shock Absorber

FIND PARTS DIAGRAMS

Select a category and model to find the parts diagram you are looking for.

SEARCH BY VEHICLE VIN/HIN

Enter Your Vehicle VIN/HIN

Enter Your Vehicle VIN/HIN
Where is my VIN/HIN?