Skip to main content

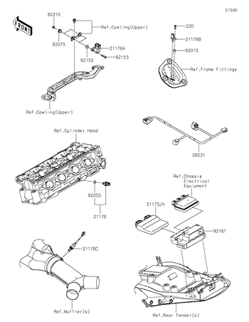
Parts Diagrams

customer service agent speaking with a customer

Welcome, Kawasaki owners. Access the information and tools you need to get the most out of your vehicle.

Welcome, Kawasaki owners. Access the information and tools you need to get the most out of your vehicle.

2022 NINJA® ZX-14R ABS

SELECT A NEW VEHICLE

Find diagram by part name or number

Find diagram by part name or number

Accessory(Center Stand)

Brake Pedal/Torque Link

Camshaft(s)/Tensioner

Chassis Electrical Equipment

Clutch Master Cylinder

Crankcase Bolt Pattern

Front Master Cylinder

Fuel Evaporative System(CA)

Gear Change Drum/Shift Fork(s)

Gear Change Mechanism

Ignition Switch/Locks/Reflectors

Side Covers/Chain Cover

Suspension/Shock Absorber

FIND PARTS DIAGRAMS

Select a category and model to find the parts diagram you are looking for.

SEARCH BY VEHICLE VIN/HIN

Enter Your Vehicle VIN/HIN

Enter Your Vehicle VIN/HIN
Where is my VIN/HIN?