Skip to main content

Parts Diagrams

customer service agent speaking with a customer

Welcome, Kawasaki owners. Access the information and tools you need to get the most out of your vehicle.

Welcome, Kawasaki owners. Access the information and tools you need to get the most out of your vehicle.

2020 MULE PRO-DXT DIESEL

SELECT A NEW VEHICLE

Find diagram by part name or number

Find diagram by part name or number

Air Cleaner-Belt Converter

Brake Pedal/Throttle Lever(AJF-ALF)

Chassis Electrical Equipment

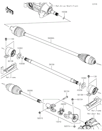
Drive Shaft-Propeller

Driven Converter/Drive Belt

Frame Fittings(Front)

Gear Change Mechanism

FIND PARTS DIAGRAMS

Select a category and model to find the parts diagram you are looking for.

SEARCH BY VEHICLE VIN/HIN

Enter Your Vehicle VIN/HIN

Enter Your Vehicle VIN/HIN
Where is my VIN/HIN?