Skip to main content

Parts Diagrams

customer service agent speaking with a customer

Welcome, Kawasaki owners. Access the information and tools you need to get the most out of your vehicle.

Welcome, Kawasaki owners. Access the information and tools you need to get the most out of your vehicle.

Find diagram by part name or number

Find diagram by part name or number

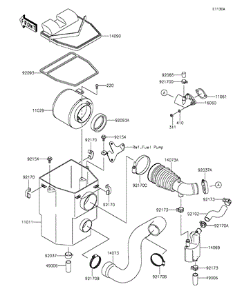
Air Cleaner-Belt Converter

Brake Pedal/Throttle Lever

Chassis Electrical Equipment

Drive Shaft-Propeller

Driven Converter/Drive Belt

Frame Fittings(Front)

Fuel Evaporative System

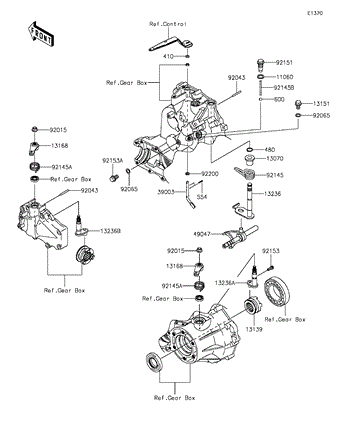
Gear Change Mechanism

Generator/Ignition Coil

Optional Parts(Engine)

Optional Parts(Frame)

FIND PARTS DIAGRAMS

Select a category and model to find the parts diagram you are looking for.

SEARCH BY VEHICLE VIN/HIN

Enter Your Vehicle VIN/HIN

Enter Your Vehicle VIN/HIN
Where is my VIN/HIN?