Skip to main content

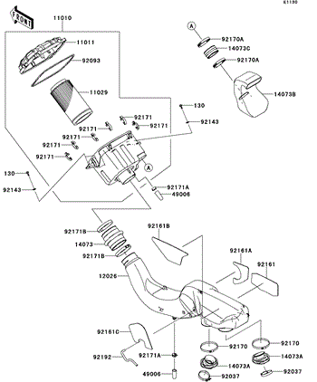
Parts Diagrams

customer service agent speaking with a customer

Welcome, Kawasaki owners. Access the information and tools you need to get the most out of your vehicle.

Welcome, Kawasaki owners. Access the information and tools you need to get the most out of your vehicle.

Find diagram by part name or number

Find diagram by part name or number

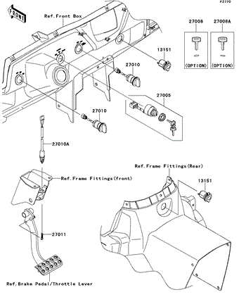
Brake Pedal/Throttle Lever

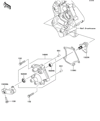
Camshaft(s)/Tensioner

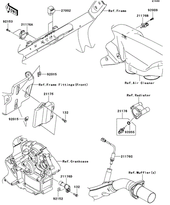
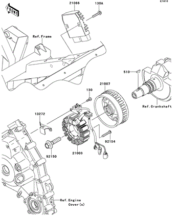
Chassis Electrical Equipment

Drive Shaft(-JKBRTCC1 EB500153)

Drive Shaft(JKBRTCC1 EB500154-)

Drive Shaft-FR(-JKBRTCC1 EB500153)

Drive Shaft-FR(JKBRTCC1 EB500154-)

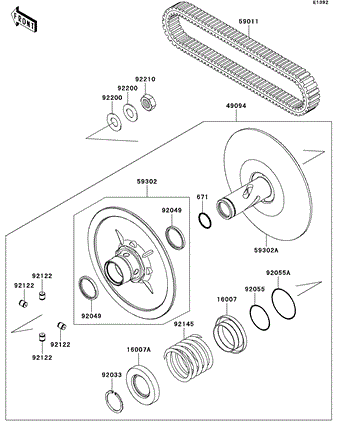
Driven Converter/Drive Belt

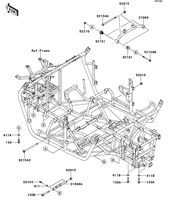
Frame Fittings(Front)

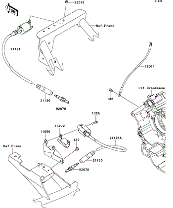
Gear Change Drum/Shift Fork(s)

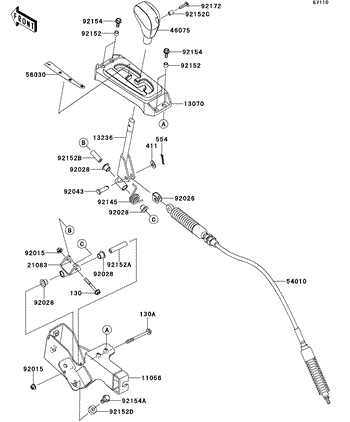
Gear Change Mechanism

FIND PARTS DIAGRAMS

Select a category and model to find the parts diagram you are looking for.

SEARCH BY VEHICLE VIN/HIN

Enter Your Vehicle VIN/HIN

Enter Your Vehicle VIN/HIN
Where is my VIN/HIN?