Skip to main content

Parts Diagrams

customer service agent speaking with a customer

Welcome, Kawasaki owners. Access the information and tools you need to get the most out of your vehicle.

Welcome, Kawasaki owners. Access the information and tools you need to get the most out of your vehicle.

2012 TERYX® 750 FI 4x4 LE

SELECT A NEW VEHICLE

Find diagram by part name or number

Find diagram by part name or number

Brake Pedal/Throttle Lever

Camshaft(s)/Tensioner

Chassis Electrical Equipment

Drive Converter(-VF750DE082164)

Drive Converter(VF750DE082165-)

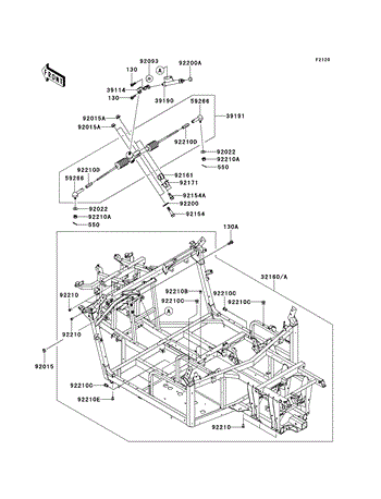
Drive Shaft-Front(4/4)

Drive Shaft-Propeller

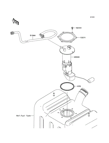
Driven Converter/Drive Belt

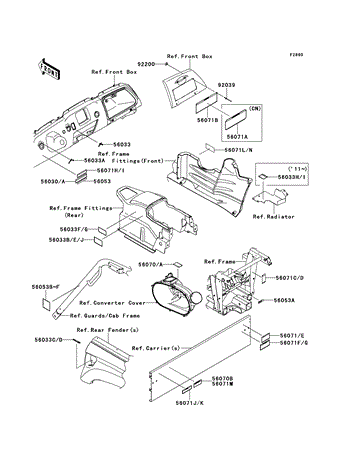
Frame Fittings(Front)

Gear Change Mechanism

Guards/Cab Frame(RCS)

FIND PARTS DIAGRAMS

Select a category and model to find the parts diagram you are looking for.

SEARCH BY VEHICLE VIN/HIN

Enter Your Vehicle VIN/HIN

Enter Your Vehicle VIN/HIN
Where is my VIN/HIN?