Skip to main content

Parts Diagrams

customer service agent speaking with a customer

Welcome, Kawasaki owners. Access the information and tools you need to get the most out of your vehicle.

Welcome, Kawasaki owners. Access the information and tools you need to get the most out of your vehicle.

Find diagram by part name or number

Find diagram by part name or number

Air Cleaner(KLF400-B7)

Camshaft(s)/Tensioner

Carburetor(LF400AE532918-)

Chassis Electrical Equipment

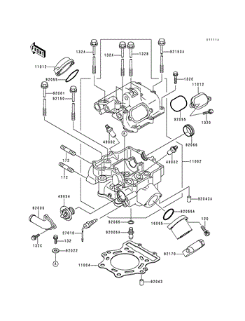
Cylinder Head(LF400AE532918-)

Decals(Green)(KLF400-B7)

Drive Shaft(Differential)

Front Master Cylinder

Gear Change Drum/Shift Fork(s)

Gear Change Mechanism

Kickstarter Mechanism

Optional Parts(Brake Switch)

Optional Parts(Carburetor)

Optional Parts(Meter)

Radiator(LF400AE532918-)

FIND PARTS DIAGRAMS

Select a category and model to find the parts diagram you are looking for.

SEARCH BY VEHICLE VIN/HIN

Enter Your Vehicle VIN/HIN

Enter Your Vehicle VIN/HIN
Where is my VIN/HIN?