Skip to main content

Parts Diagrams

customer service agent speaking with a customer

Welcome, Kawasaki owners. Access the information and tools you need to get the most out of your vehicle.

Welcome, Kawasaki owners. Access the information and tools you need to get the most out of your vehicle.

Find diagram by part name or number

Find diagram by part name or number

BRAKE PEDAL/TORQUE LINK

CAMSHAFT/CHAIN/TENSIONER

CHASSIS ELECTRICAL EQUIPMENT

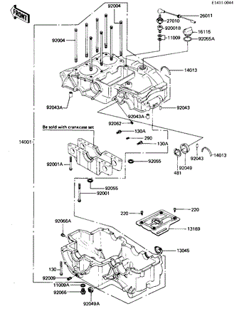
CRANKCASE BOLT & STUD PATTERN

FRONT MASTER CYLINDER

GEAR CHANGE DRUM & FORKS

GEAR CHANGE MECHANISM

IGNITION SWITCH/LOCKS/REFLECTORS

REAR WHEEL/HUB/BRAKE/BELT

SIDE COVERS/BELT COVER

STARTER MOTOR/STARTER CLUTCH

SWING ARM/SHOCK ABSORBERS

FIND PARTS DIAGRAMS

Select a category and model to find the parts diagram you are looking for.

SEARCH BY VEHICLE VIN/HIN

Enter Your Vehicle VIN/HIN

Enter Your Vehicle VIN/HIN
Where is my VIN/HIN?