Skip to main content

Parts Diagrams

customer service agent speaking with a customer

Welcome, Kawasaki owners. Access the information and tools you need to get the most out of your vehicle.

Welcome, Kawasaki owners. Access the information and tools you need to get the most out of your vehicle.

Find diagram by part name or number

Find diagram by part name or number

BATTERY CASE ('80 A1)

BRAKE PEDAL/TORQUE LINK ('80 A1)

CAMSHAFT/CHAIN/TENSIONER ('80 A1)

CARBURETOR ASSY ('80 A1)

CARBURETOR PARTS ('80 A1)

CHASSIS ELECTRICAL EQUIPMENT ('80 A1)

CRANKCASE BOLT & STUD PATTERN ('80 A1)

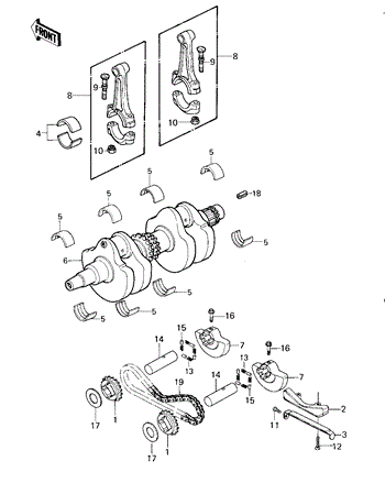
CRANKSHAFT/BALANCER ('80 A1)

CYLINDER HEAD ('80 A1)

CYLINDER HEAD COVER ('80 A1)

CYLINDER/PISTONS ('80 A1)

ENGINE COVERS ('80 A1)

FRAME FITTINGS ('80 A1)

FRONT MASTER CYLINDER ('80 A1)

FRONT WHEEL/HUB ('80 A1)

GEAR CHANGE DRUM & FORKS ('80 A1)

GEAR CHANGE MECHANISM ('80 A1)

GENERATOR/REGULATOR ('80 A1)

IGNITION SWITCH/LOCKS/REFLECTORS ('80 A1

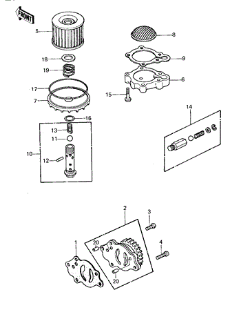
OIL PUMP/OIL FILTER ('80 A1)

REAR WHEEL/HUB/BRAKE/CHAIN ('80 A1)

ROCKER ARMS/VALVES ('80 A1)

SIDE COVERS/CHAIN COVER ('80 A1)

STARTER MOTOR/STARTER CLUTCH ('80 A1)

SWING ARM/SHOCK ABSORBERS ('80 A1)

TRANSMISSION ('80 A1)

TURN SIGNALS ('80 A1)

FIND PARTS DIAGRAMS

Select a category and model to find the parts diagram you are looking for.

SEARCH BY VEHICLE VIN/HIN

Enter Your Vehicle VIN/HIN

Enter Your Vehicle VIN/HIN
Where is my VIN/HIN?