Skip to main content

Parts Diagrams

customer service agent speaking with a customer

Welcome, Kawasaki owners. Access the information and tools you need to get the most out of your vehicle.

Welcome, Kawasaki owners. Access the information and tools you need to get the most out of your vehicle.

Find diagram by part name or number

Find diagram by part name or number

CHASSIS ELECTRICAL EQUIPMENT

CRANKCASE BOLT & STUD PATTERN

CRANKCASE/BREATHER COVER

CYLINDER/PISTONS/CRANKSHAFT

FOOTRESTS/STANDS/BRAKE PEDAL

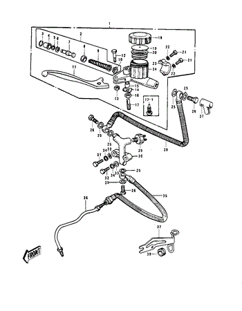
FRONT MASTER CYLINDER

GEAR CHANGE MECHANISM

GENERATOR/STARTER MOTOR

IGNITION/REGULATOR/RECTIFIER

KICKSTARTER MECHANISM

METERS/IGNITION SWITCH

OIL PUMP/OIL FILTER/OIL PAN

SWING ARM/SHOCK ABSORBERS

TRANSMISSION/CHANGE DRUM

FIND PARTS DIAGRAMS

Select a category and model to find the parts diagram you are looking for.

SEARCH BY VEHICLE VIN/HIN

Enter Your Vehicle VIN/HIN

Enter Your Vehicle VIN/HIN
Where is my VIN/HIN?