main content of page
Parts Diagrams
OWNER CENTER |

Welcome, Kawasaki owners. Access the information and tools you need to get the most out of your vehicle.
OWNER CENTER |
Welcome, Kawasaki owners. Access the information and tools you need to get the most out of your vehicle.
Parts Diagrams |
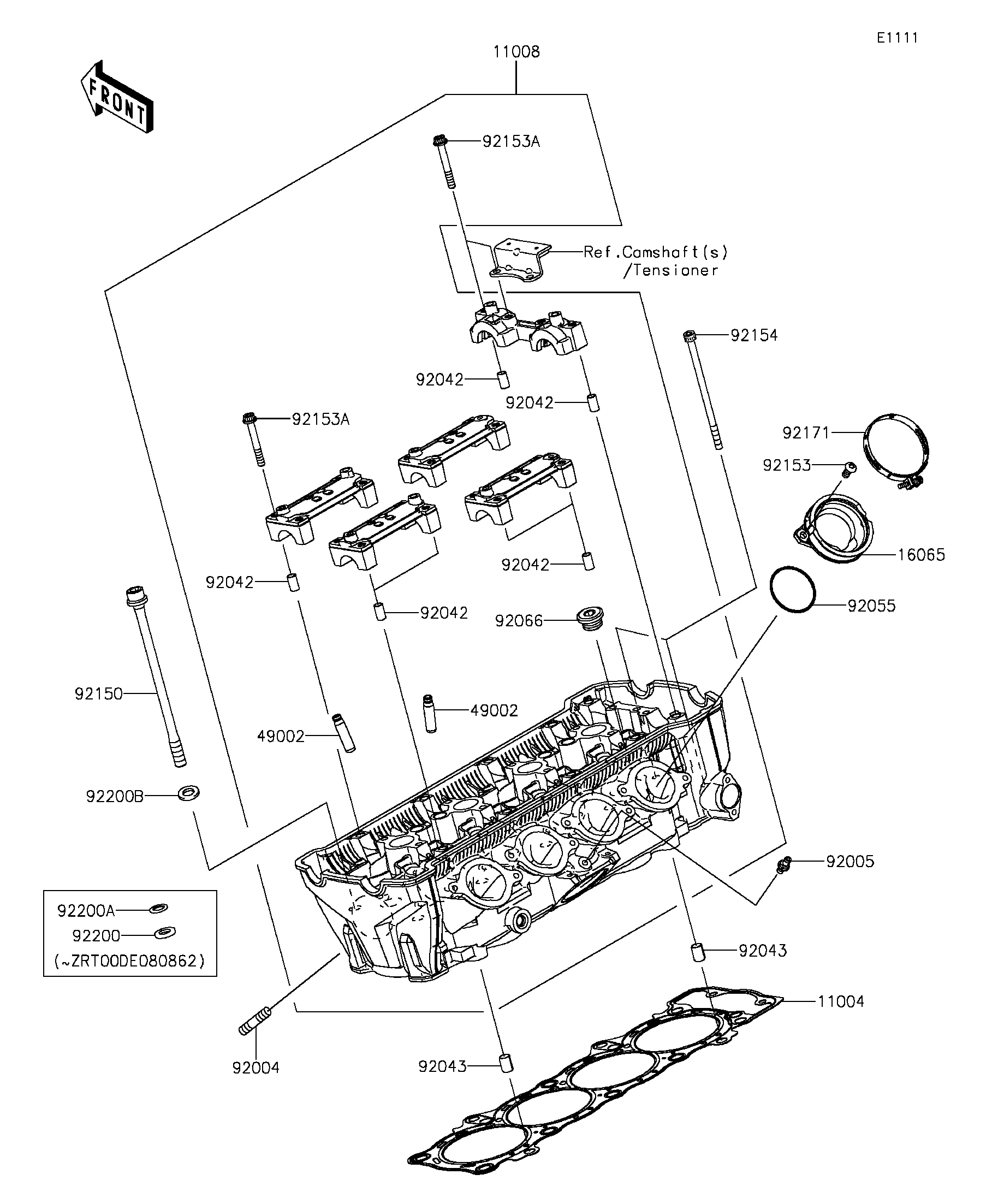
11004
11008
16065
49002
49002
92004
92005
92042
92042
92042
92042
92042
92043
92043
92055
92066
92150
92153
92153A
92153A
92154
92171
92200
92200A
ITEM NAME | REF # | PART NUMBER | QUANTITY | DESTINATION | REMARKS |
---|---|---|---|---|---|
GASKET-HEAD | 11004 | 11004-0084 | 1 | ||
HEAD-COMP-CYLINDER | 11008 | 11008-0804 | 1 | ||
HOLDER-CARBURETOR | 16065 | 16065-0067 | 4 | ||
GUIDE-VALVE | 49002 | 49002-0009 | 16 | ||
STUD,8X18 | 92004 | 92004-0049 | 8 | ||
FITTING | 92005 | 92005-1273 | 1 | ||
PIN,DOWEL,6.3X8X14 | 92042 | 92042-007 | 10 | ||
PIN,8.2X10X14 | 92043 | 92043-1264 | 2 | ||
RING-O,42X1.9 | 92055 | 92055-1536 | 4 | ||
PLUG,18X10 | 92066 | 92066-0016 | 5 | ||
BOLT,10X165 | 92150 | 92150-1368 | 10 | ||
BOLT,TORX,6X14 | 92153 | 92153-0406 | 8 | ||
BOLT,SOCKET,6X45 | 92153A | 92153-0656 | 20 | ||
BOLT,SOCKET,6X115 | 92154 | 92154-0205 | 2 | ||
CLAMP,60MM | 92171 | 92171-0729 | 4 | ||
WASHER,10.5X19X2.3 | 92200 | 92200-0257 | 10 | ( - ZRT00DE080862) | |
WASHER | 92200A | 92200-0925 | 10 | ( - ZRT00DE080862) |
GASKET-HEAD | |
REF # | 11004 |
---|---|
PART NUMBER | |
QUANTITY | 1 |
DESTINATION | |
REMARKS |
HEAD-COMP-CYLINDER | |
REF # | 11008 |
---|---|
PART NUMBER | |
QUANTITY | 1 |
DESTINATION | |
REMARKS |
HOLDER-CARBURETOR | |
REF # | 16065 |
---|---|
PART NUMBER | |
QUANTITY | 4 |
DESTINATION | |
REMARKS |
GUIDE-VALVE | |
REF # | 49002 |
---|---|
PART NUMBER | |
QUANTITY | 16 |
DESTINATION | |
REMARKS |
STUD,8X18 | |
REF # | 92004 |
---|---|
PART NUMBER | |
QUANTITY | 8 |
DESTINATION | |
REMARKS |
FITTING | |
REF # | 92005 |
---|---|
PART NUMBER | |
QUANTITY | 1 |
DESTINATION | |
REMARKS |
PIN,DOWEL,6.3X8X14 | |
REF # | 92042 |
---|---|
PART NUMBER | |
QUANTITY | 10 |
DESTINATION | |
REMARKS |
PIN,8.2X10X14 | |
REF # | 92043 |
---|---|
PART NUMBER | |
QUANTITY | 2 |
DESTINATION | |
REMARKS |
RING-O,42X1.9 | |
REF # | 92055 |
---|---|
PART NUMBER | |
QUANTITY | 4 |
DESTINATION | |
REMARKS |
PLUG,18X10 | |
REF # | 92066 |
---|---|
PART NUMBER | |
QUANTITY | 5 |
DESTINATION | |
REMARKS |
BOLT,10X165 | |
REF # | 92150 |
---|---|
PART NUMBER | |
QUANTITY | 10 |
DESTINATION | |
REMARKS |
BOLT,TORX,6X14 | |
REF # | 92153 |
---|---|
PART NUMBER | |
QUANTITY | 8 |
DESTINATION | |
REMARKS |
BOLT,SOCKET,6X45 | |
REF # | 92153A |
---|---|
PART NUMBER | |
QUANTITY | 20 |
DESTINATION | |
REMARKS |
BOLT,SOCKET,6X115 | |
REF # | 92154 |
---|---|
PART NUMBER | |
QUANTITY | 2 |
DESTINATION | |
REMARKS |
CLAMP,60MM | |
REF # | 92171 |
---|---|
PART NUMBER | |
QUANTITY | 4 |
DESTINATION | |
REMARKS |
WASHER,10.5X19X2.3 | |
REF # | 92200 |
---|---|
PART NUMBER | |
QUANTITY | 10 |
DESTINATION | |
REMARKS | ( - ZRT00DE080862) |
WASHER | |
REF # | 92200A |
---|---|
PART NUMBER | |
QUANTITY | 10 |
DESTINATION | |
REMARKS | ( - ZRT00DE080862) |