main content of page
Parts Diagrams
OWNER CENTER |

Welcome, Kawasaki owners. Access the information and tools you need to get the most out of your vehicle.
OWNER CENTER |
Welcome, Kawasaki owners. Access the information and tools you need to get the most out of your vehicle.
Parts Diagrams |
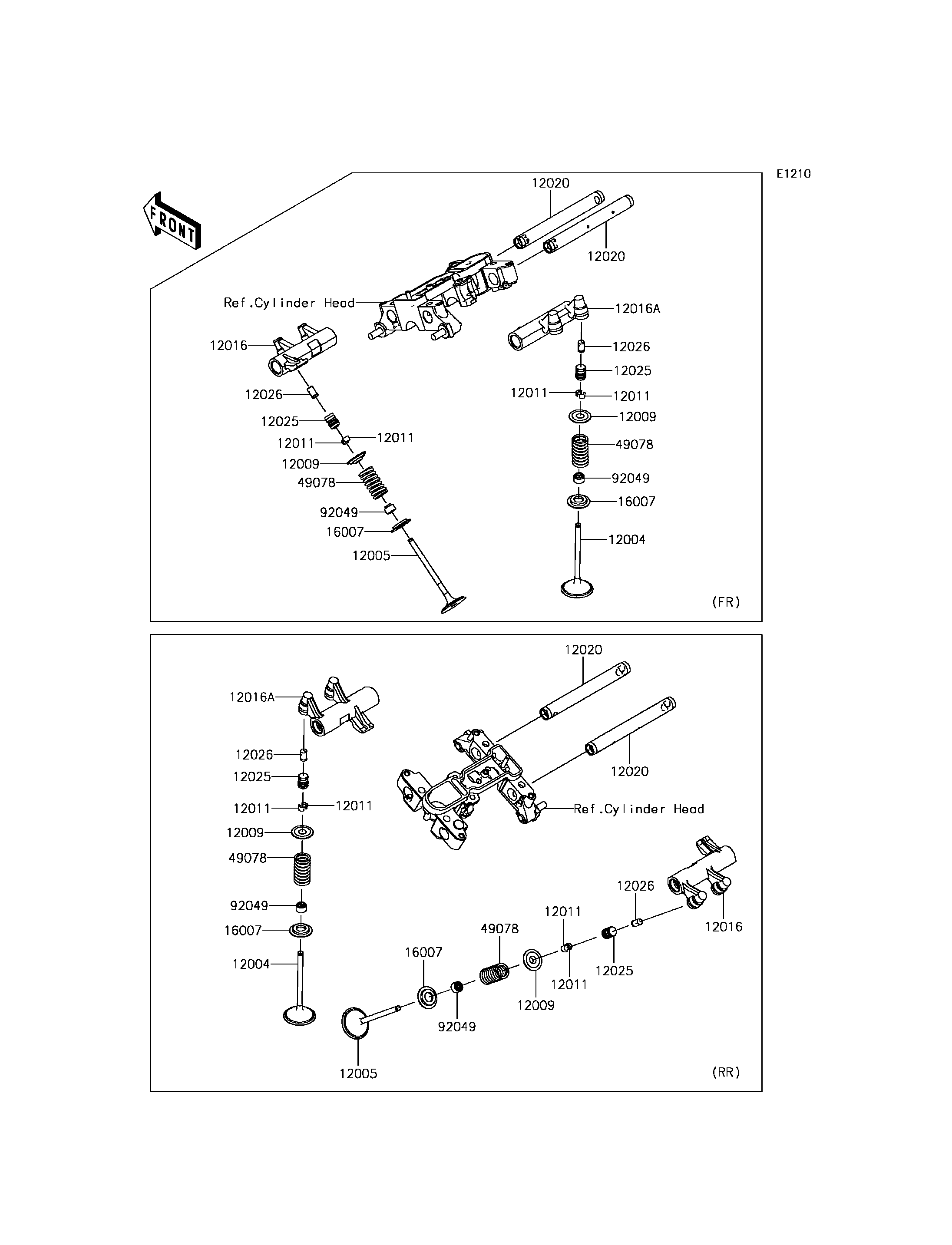
2015 Vulcan 1700 Voyager ABS - Valve(s)
12004
12004
12005
12005
12009
12009
12009
12009
12011
12011
12011
12011
12011
12011
12011
12011
12016
12016
12016A
12016A
12020
12020
12020
12020
12025
12025
12025
12025
12026
12026
12026
12026
16007
16007
16007
16007
49078
49078
49078
49078
92049
92049
92049
92049
ITEM NAME | REF # | PART NUMBER | QUANTITY | DESTINATION | REMARKS |
---|---|---|---|---|---|
VALVE-INTAKE | 12004 | 12004-0001 | 4 | ||
VALVE-EXHAUST | 12005 | 12005-0001 | 4 | ||
RETAINER-VALVE SPRING | 12009 | 12009-0002 | 8 | ||
COLLET | 12011 | 12011-0001 | 16 | ||
ARM-ROCKER | 12016 | 12016-0027 | 2 | ||
ARM-ROCKER | 12016A | 12016-0028 | 2 | ||
SHAFT-ROCKER | 12020 | 12020-0008 | 4 | ||
ADJUSTER-LASH | 12025 | 12025-1053 | 8 | ||
CHAMBER,OIL | 12026 | 12026-1001 | 8 | ||
SEAT-SPRING | 16007 | 16007-0001 | 8 | ||
SPRING-ENGINE VALVE | 49078 | 49078-0001 | 8 | ||
SEAL-OIL,RVC2 6 10.5 9.4 | 92049 | 92049-0009 | 8 |
VALVE-INTAKE | |
REF # | 12004 |
---|---|
PART NUMBER | |
QUANTITY | 4 |
DESTINATION | |
REMARKS |
VALVE-EXHAUST | |
REF # | 12005 |
---|---|
PART NUMBER | |
QUANTITY | 4 |
DESTINATION | |
REMARKS |
RETAINER-VALVE SPRING | |
REF # | 12009 |
---|---|
PART NUMBER | |
QUANTITY | 8 |
DESTINATION | |
REMARKS |
COLLET | |
REF # | 12011 |
---|---|
PART NUMBER | |
QUANTITY | 16 |
DESTINATION | |
REMARKS |
ARM-ROCKER | |
REF # | 12016 |
---|---|
PART NUMBER | |
QUANTITY | 2 |
DESTINATION | |
REMARKS |
ARM-ROCKER | |
REF # | 12016A |
---|---|
PART NUMBER | |
QUANTITY | 2 |
DESTINATION | |
REMARKS |
SHAFT-ROCKER | |
REF # | 12020 |
---|---|
PART NUMBER | |
QUANTITY | 4 |
DESTINATION | |
REMARKS |
ADJUSTER-LASH | |
REF # | 12025 |
---|---|
PART NUMBER | |
QUANTITY | 8 |
DESTINATION | |
REMARKS |
CHAMBER,OIL | |
REF # | 12026 |
---|---|
PART NUMBER | |
QUANTITY | 8 |
DESTINATION | |
REMARKS |
SEAT-SPRING | |
REF # | 16007 |
---|---|
PART NUMBER | |
QUANTITY | 8 |
DESTINATION | |
REMARKS |
SPRING-ENGINE VALVE | |
REF # | 49078 |
---|---|
PART NUMBER | |
QUANTITY | 8 |
DESTINATION | |
REMARKS |
SEAL-OIL,RVC2 6 10.5 9.4 | |
REF # | 92049 |
---|---|
PART NUMBER | |
QUANTITY | 8 |
DESTINATION | |
REMARKS |