main content of page
Parts Diagrams
OWNER CENTER |

Welcome, Kawasaki owners. Access the information and tools you need to get the most out of your vehicle.
OWNER CENTER |
Welcome, Kawasaki owners. Access the information and tools you need to get the most out of your vehicle.
Parts Diagrams |
130
130
35004
35063
35063A
92009
92009
92009A
92009A
92009A
92009B
92009B
92015
92015
92015A
92015A
92015A
92015B
92015B
92093
92143
92143
92143
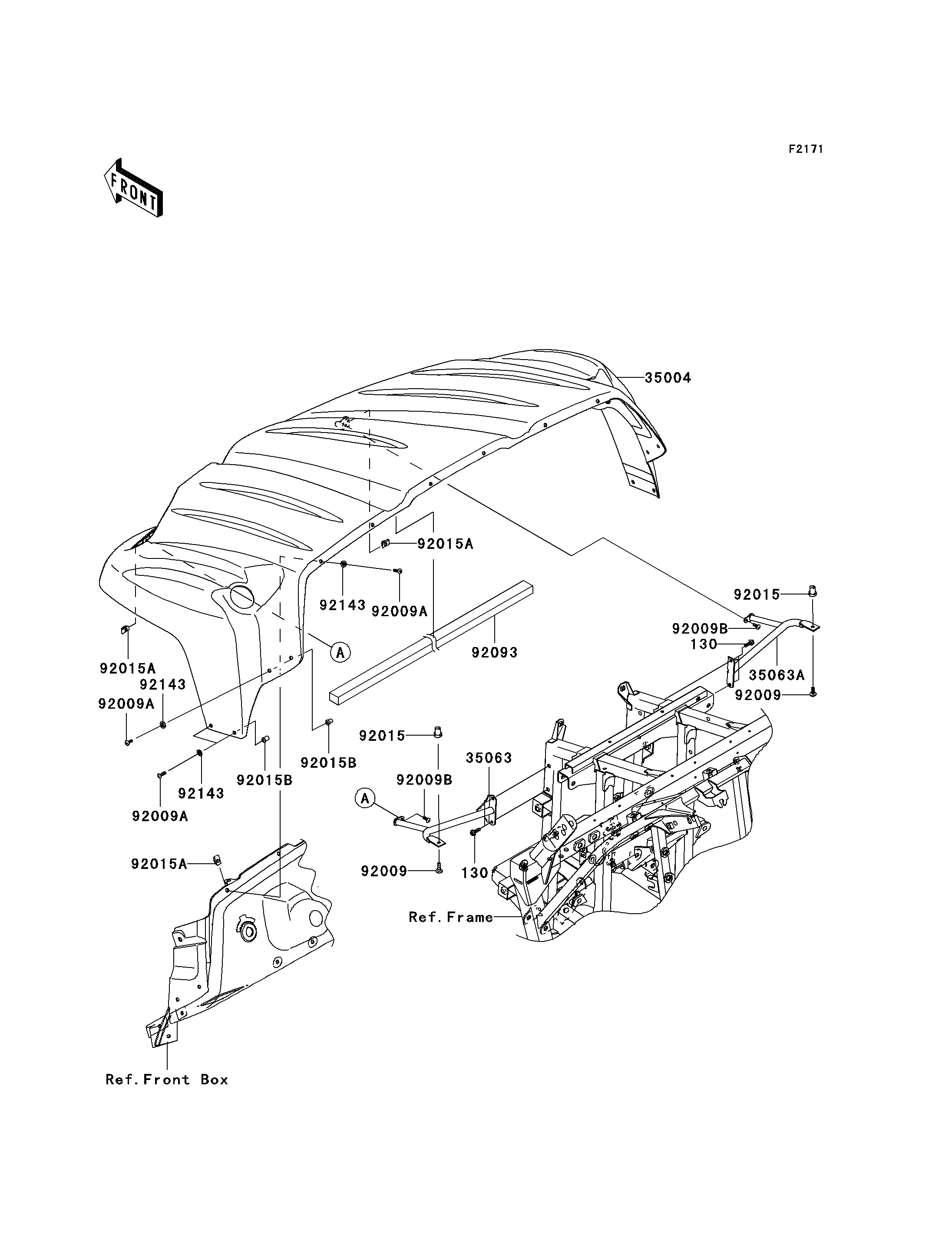
ITEM NAME | REF # | PART NUMBER | QUANTITY | DESTINATION | REMARKS |
---|---|---|---|---|---|
BOLT-FLANGED,6X20 | 130 | 130CA0620 | 4 | ||
FENDER-FRONT,C.H.GREEN | 35004 | 35004-0077-826 | 1 | ||
STAY,FRONT FENDER,LH | 35063 | 35063-0420 | 1 | ||
STAY,FRONT FENDER,RH | 35063A | 35063-0421 | 1 | ||
SCREW,6X22,BLACK | 92009 | 92009-1256 | 2 | ||
SCREW,5X20,BLACK | 92009A | 92009-1656 | 14 | ||
SCREW,5X16 | 92009B | 92009-3797 | 2 | ||
NUT,RUBBER,6MM | 92015 | 92015-1692 | 2 | ||
NUT,5MM | 92015A | 92015-1710 | 8 | ||
NUT,WELL,5MM | 92015B | 92015-1757 | 8 | ||
SEAL | 92093 | 92093-0141 | 1 | ||
COLLAR | 92143 | 92143-1087 | 14 |
BOLT-FLANGED,6X20 | |
REF # | 130 |
---|---|
PART NUMBER | |
QUANTITY | 4 |
DESTINATION | |
REMARKS |
FENDER-FRONT,C.H.GREEN | |
REF # | 35004 |
---|---|
PART NUMBER | |
QUANTITY | 1 |
DESTINATION | |
REMARKS |
STAY,FRONT FENDER,LH | |
REF # | 35063 |
---|---|
PART NUMBER | |
QUANTITY | 1 |
DESTINATION | |
REMARKS |
STAY,FRONT FENDER,RH | |
REF # | 35063A |
---|---|
PART NUMBER | |
QUANTITY | 1 |
DESTINATION | |
REMARKS |
SCREW,6X22,BLACK | |
REF # | 92009 |
---|---|
PART NUMBER | |
QUANTITY | 2 |
DESTINATION | |
REMARKS |
SCREW,5X20,BLACK | |
REF # | 92009A |
---|---|
PART NUMBER | |
QUANTITY | 14 |
DESTINATION | |
REMARKS |
SCREW,5X16 | |
REF # | 92009B |
---|---|
PART NUMBER | |
QUANTITY | 2 |
DESTINATION | |
REMARKS |
NUT,RUBBER,6MM | |
REF # | 92015 |
---|---|
PART NUMBER | |
QUANTITY | 2 |
DESTINATION | |
REMARKS |
NUT,5MM | |
REF # | 92015A |
---|---|
PART NUMBER | |
QUANTITY | 8 |
DESTINATION | |
REMARKS |
NUT,WELL,5MM | |
REF # | 92015B |
---|---|
PART NUMBER | |
QUANTITY | 8 |
DESTINATION | |
REMARKS |
SEAL | |
REF # | 92093 |
---|---|
PART NUMBER | |
QUANTITY | 1 |
DESTINATION | |
REMARKS |
COLLAR | |
REF # | 92143 |
---|---|
PART NUMBER | |
QUANTITY | 14 |
DESTINATION | |
REMARKS |