Skip to main content

Parts Diagrams

customer service agent speaking with a customer

Welcome, Kawasaki owners. Access the information and tools you need to get the most out of your vehicle.

Welcome, Kawasaki owners. Access the information and tools you need to get the most out of your vehicle.

Part Item Information
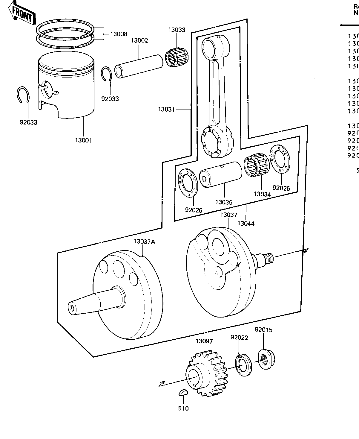
ITEM NAME REF # PART NUMBER QUANTITY DESTINATION REMARKS
PISTON,STD 13001 13001-1039 1
PIN-PISTON 13002 13002-017 1
RING SET,STD 13008 13008-5026 1
CRANKSHAFT ASSY 13031 13031-1049 1
BEARING-SMALL END 13033 13033-1010 1
BEARING,BIG END NEEDL 13034 13034-049 1
PIN,CRANK 13035 13035-034 1
CRANKSHAFT,R.H 13037 13037-1069 1
CRANKSHAFT 13037A 13037-1097 1
CONNECTING ROD SET 13044 13044-5007 1
GEAR,PRIMARY 13097 13097-1028 1
NUT,CRANKSHAFT 92015 92015-069 1
WASHER,LOCK 92022 92024-061 1
SPACER 92026 92026-1241 2
CIRCLIP-PISTON PIN 92033 92036-015 2
WOODRUFF KEY 510 510A5100 1