main content of page
Parts Diagrams
OWNER CENTER |

Welcome, Kawasaki owners. Access the information and tools you need to get the most out of your vehicle.
OWNER CENTER |
Welcome, Kawasaki owners. Access the information and tools you need to get the most out of your vehicle.
Parts Diagrams |
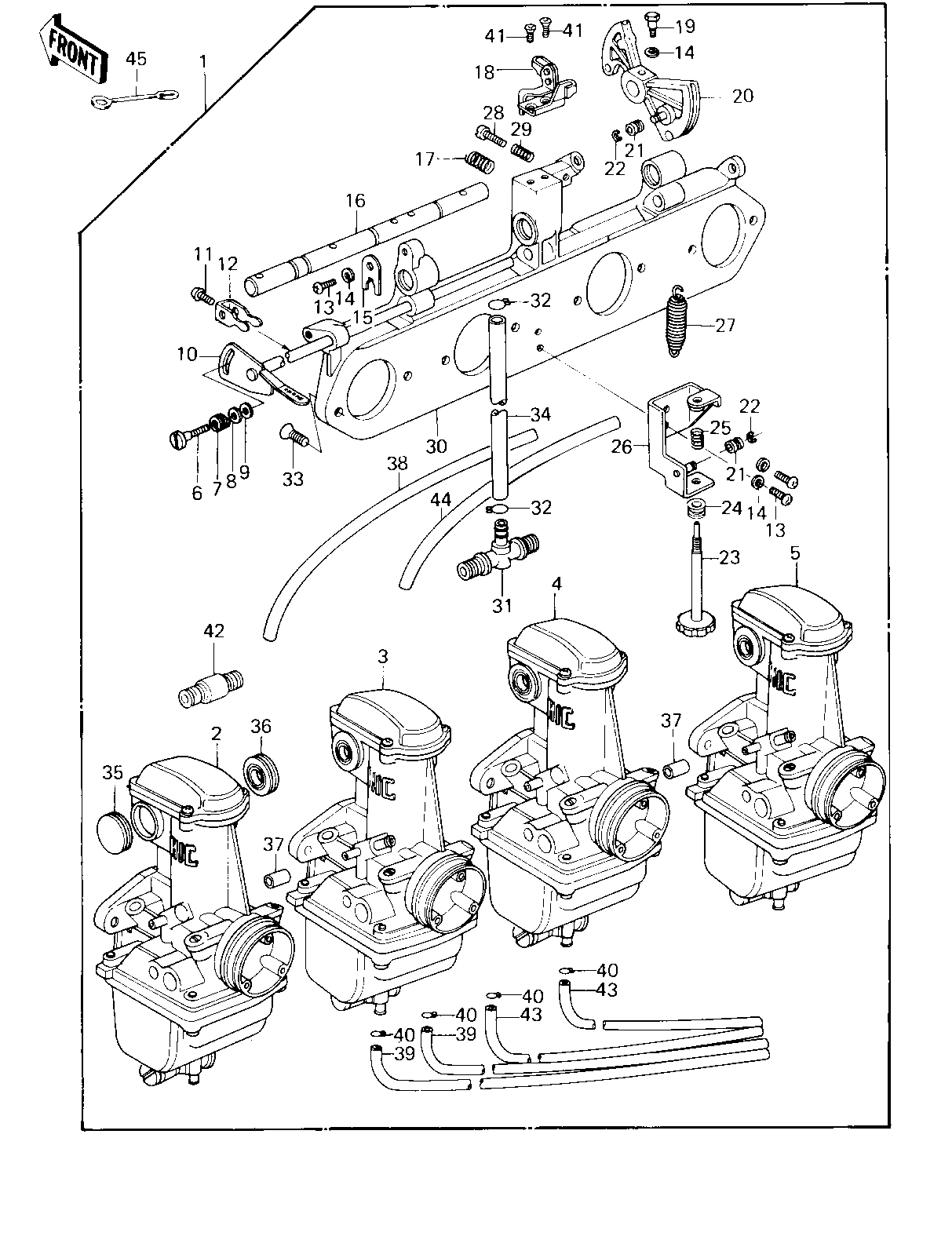
1980 Z1R - CARBURETOR ASSY (CANADA) ('80 D3)
ITEM NAME | REF # | PART NUMBER | QUANTITY | DESTINATION | REMARKS |
---|---|---|---|---|---|
CARBURETOR ASSY | 1 | 16001-1126 | 1 | ||
CARBURETOR,LH,OUTSID | 2 | 16001-1169 | 1 | ||
CARBURETOR,L.H,INSID | 3 | 16001-1170 | 1 | ||
CARBURETOR,R.H INSID | 4 | 16001-1171 | 1 | ||
CARBURETOR,RH,OUTSID | 5 | 16001-1172 | 1 | ||
SCREW | 6 | 16046-005 | 1 | ||
SPRING,F | 7 | 16040-009 | 1 | ||
WASHER,PLAIN | 8 | 16039-020 | 1 | STEEL | |
WASHER PLAIN 5MM | 8 | 410B0500 | AL | STEEL | |
WASHER,PLAIN | 9 | 16039-019 | 1 | NYLON | |
SHAFT,STARTER PLUNGE | 10 | 16041-021 | 1 | ||
SCREW,PAN HEAD,5X7 | 11 | 16046-007 | 4 | ||
LEVER,STARTER PLUNGE | 12 | 13168-1026 | 4 | ||
SCREW-PAN-CROS | 13 | 220B0514 | 3 | ||
WASHER SPRING 5MM | 14 | 461F0500 | 4 | ||
PLATE,SHAFT STOPPER | 15 | 16055-012 | 1 | ||
SHAFT,CARB CONNECTIO | 16 | 16041-017 | 1 | ||
SPRING,CABLE PULLY | 17 | 16040-022 | 1 | ||
BRACKET,THROTTLE CAB | 18 | 16077-017 | 1 | ||
BOLT,HEX HEAD,5X14 | 19 | 16067-006 | 1 | ||
PULLY,THROTTLE CABLE | 20 | 13168-1024 | 1 | ||
RING | 21 | 16073-016 | 2 | ||
CIRCLIP 3MM | 22 | 482K3000 | 2 | ||
SCREW,THROTTLE STOP | 23 | 16021-1006 | 1 | ||
BUSHING | 24 | 92028-1071 | 1 | ||
SPRING,THROTTLE STOP | 25 | 16022-017 | 1 | ||
BRACKET,THROTTLE CAB | 26 | 11034-1185 | 1 | ||
SPRING,THROTTLE PULL | 27 | 92081-1028 | 1 | ||
SCREW,ADJUSTER | 28 | 16021-1011 | 1 | ||
SPRING,THROTTLE ADJS | 29 | 16022-010 | 1 | ||
HOLDER,CARB MOUNTING | 30 | 16065-1009 | 1 | ||
FITTING | 31 | 92005-1010 | 1 | ||
CLAMP,HOSE | 32 | 92037-1184 | 2 | ||
SCREW,6X14 | 33 | 16033-029 | 8 | ||
SCREW CNTSNK HD 6X14 | 33 | 221B0614 | AL | ||
TUBE,7.5X12.5X225 | 34 | 92059-1123 | 1 | ||
CAP,RUBBER | 35 | 16039-042 | 2 | ||
GROMMET,CARBURETOR | 36 | 92071-104 | 6 | ||
HOSE,6X11.5X16 | 37 | 92059-141 | 2 | ||
HOSE,AIR VENT,5X8X55 | 38 | 92059-1028 | 1 | ||
HOSE,FUEL OVERFLOW | 39 | 92059-147 | 2 | ||
CLAMP,CARBURETOR HLD | 40 | 92037-178 | 4 | ||
SCREW CNTSNK HD 5X10 | 41 | 221B0510A | 2 | ||
FITTING | 42 | 92005-1009 | 2 | ||
HOSE,FUEL OVERFLOW | 43 | 92059-147 | 2 | ACTUAL L = 500 M/M | |
HOSE,AIR VENT,5X8X55 | 44 | 92059-1028 | 1 | ACTUAL L = 530 M/M | |
CLAMP,OVER FLOW PIPE | 45 | 92037-134 | 1 |
CARBURETOR ASSY | |
REF # | 1 |
---|---|
PART NUMBER | |
QUANTITY | 1 |
DESTINATION | |
REMARKS |
CARBURETOR,LH,OUTSID | |
REF # | 2 |
---|---|
PART NUMBER | |
QUANTITY | 1 |
DESTINATION | |
REMARKS |
CARBURETOR,L.H,INSID | |
REF # | 3 |
---|---|
PART NUMBER | |
QUANTITY | 1 |
DESTINATION | |
REMARKS |
CARBURETOR,R.H INSID | |
REF # | 4 |
---|---|
PART NUMBER | |
QUANTITY | 1 |
DESTINATION | |
REMARKS |
CARBURETOR,RH,OUTSID | |
REF # | 5 |
---|---|
PART NUMBER | |
QUANTITY | 1 |
DESTINATION | |
REMARKS |
SCREW | |
REF # | 6 |
---|---|
PART NUMBER | |
QUANTITY | 1 |
DESTINATION | |
REMARKS |
SPRING,F | |
REF # | 7 |
---|---|
PART NUMBER | |
QUANTITY | 1 |
DESTINATION | |
REMARKS |
WASHER,PLAIN | |
REF # | 8 |
---|---|
PART NUMBER | |
QUANTITY | 1 |
DESTINATION | |
REMARKS | STEEL |
WASHER PLAIN 5MM | |
REF # | 8 |
---|---|
PART NUMBER | |
QUANTITY | AL |
DESTINATION | |
REMARKS | STEEL |
WASHER,PLAIN | |
REF # | 9 |
---|---|
PART NUMBER | |
QUANTITY | 1 |
DESTINATION | |
REMARKS | NYLON |
SHAFT,STARTER PLUNGE | |
REF # | 10 |
---|---|
PART NUMBER | |
QUANTITY | 1 |
DESTINATION | |
REMARKS |
SCREW,PAN HEAD,5X7 | |
REF # | 11 |
---|---|
PART NUMBER | |
QUANTITY | 4 |
DESTINATION | |
REMARKS |
LEVER,STARTER PLUNGE | |
REF # | 12 |
---|---|
PART NUMBER | |
QUANTITY | 4 |
DESTINATION | |
REMARKS |
SCREW-PAN-CROS | |
REF # | 13 |
---|---|
PART NUMBER | |
QUANTITY | 3 |
DESTINATION | |
REMARKS |
WASHER SPRING 5MM | |
REF # | 14 |
---|---|
PART NUMBER | |
QUANTITY | 4 |
DESTINATION | |
REMARKS |
PLATE,SHAFT STOPPER | |
REF # | 15 |
---|---|
PART NUMBER | |
QUANTITY | 1 |
DESTINATION | |
REMARKS |
SHAFT,CARB CONNECTIO | |
REF # | 16 |
---|---|
PART NUMBER | |
QUANTITY | 1 |
DESTINATION | |
REMARKS |
SPRING,CABLE PULLY | |
REF # | 17 |
---|---|
PART NUMBER | |
QUANTITY | 1 |
DESTINATION | |
REMARKS |
BRACKET,THROTTLE CAB | |
REF # | 18 |
---|---|
PART NUMBER | |
QUANTITY | 1 |
DESTINATION | |
REMARKS |
BOLT,HEX HEAD,5X14 | |
REF # | 19 |
---|---|
PART NUMBER | |
QUANTITY | 1 |
DESTINATION | |
REMARKS |
PULLY,THROTTLE CABLE | |
REF # | 20 |
---|---|
PART NUMBER | |
QUANTITY | 1 |
DESTINATION | |
REMARKS |
RING | |
REF # | 21 |
---|---|
PART NUMBER | |
QUANTITY | 2 |
DESTINATION | |
REMARKS |
CIRCLIP 3MM | |
REF # | 22 |
---|---|
PART NUMBER | |
QUANTITY | 2 |
DESTINATION | |
REMARKS |
SCREW,THROTTLE STOP | |
REF # | 23 |
---|---|
PART NUMBER | |
QUANTITY | 1 |
DESTINATION | |
REMARKS |
BUSHING | |
REF # | 24 |
---|---|
PART NUMBER | |
QUANTITY | 1 |
DESTINATION | |
REMARKS |
SPRING,THROTTLE STOP | |
REF # | 25 |
---|---|
PART NUMBER | |
QUANTITY | 1 |
DESTINATION | |
REMARKS |
BRACKET,THROTTLE CAB | |
REF # | 26 |
---|---|
PART NUMBER | |
QUANTITY | 1 |
DESTINATION | |
REMARKS |
SPRING,THROTTLE PULL | |
REF # | 27 |
---|---|
PART NUMBER | |
QUANTITY | 1 |
DESTINATION | |
REMARKS |
SCREW,ADJUSTER | |
REF # | 28 |
---|---|
PART NUMBER | |
QUANTITY | 1 |
DESTINATION | |
REMARKS |
SPRING,THROTTLE ADJS | |
REF # | 29 |
---|---|
PART NUMBER | |
QUANTITY | 1 |
DESTINATION | |
REMARKS |
HOLDER,CARB MOUNTING | |
REF # | 30 |
---|---|
PART NUMBER | |
QUANTITY | 1 |
DESTINATION | |
REMARKS |
FITTING | |
REF # | 31 |
---|---|
PART NUMBER | |
QUANTITY | 1 |
DESTINATION | |
REMARKS |
CLAMP,HOSE | |
REF # | 32 |
---|---|
PART NUMBER | |
QUANTITY | 2 |
DESTINATION | |
REMARKS |
SCREW,6X14 | |
REF # | 33 |
---|---|
PART NUMBER | |
QUANTITY | 8 |
DESTINATION | |
REMARKS |
SCREW CNTSNK HD 6X14 | |
REF # | 33 |
---|---|
PART NUMBER | |
QUANTITY | AL |
DESTINATION | |
REMARKS |
TUBE,7.5X12.5X225 | |
REF # | 34 |
---|---|
PART NUMBER | |
QUANTITY | 1 |
DESTINATION | |
REMARKS |
CAP,RUBBER | |
REF # | 35 |
---|---|
PART NUMBER | |
QUANTITY | 2 |
DESTINATION | |
REMARKS |
GROMMET,CARBURETOR | |
REF # | 36 |
---|---|
PART NUMBER | |
QUANTITY | 6 |
DESTINATION | |
REMARKS |
HOSE,6X11.5X16 | |
REF # | 37 |
---|---|
PART NUMBER | |
QUANTITY | 2 |
DESTINATION | |
REMARKS |
HOSE,AIR VENT,5X8X55 | |
REF # | 38 |
---|---|
PART NUMBER | |
QUANTITY | 1 |
DESTINATION | |
REMARKS |
HOSE,FUEL OVERFLOW | |
REF # | 39 |
---|---|
PART NUMBER | |
QUANTITY | 2 |
DESTINATION | |
REMARKS |
CLAMP,CARBURETOR HLD | |
REF # | 40 |
---|---|
PART NUMBER | |
QUANTITY | 4 |
DESTINATION | |
REMARKS |
SCREW CNTSNK HD 5X10 | |
REF # | 41 |
---|---|
PART NUMBER | |
QUANTITY | 2 |
DESTINATION | |
REMARKS |
FITTING | |
REF # | 42 |
---|---|
PART NUMBER | |
QUANTITY | 2 |
DESTINATION | |
REMARKS |
HOSE,FUEL OVERFLOW | |
REF # | 43 |
---|---|
PART NUMBER | |
QUANTITY | 2 |
DESTINATION | |
REMARKS | ACTUAL L = 500 M/M |
HOSE,AIR VENT,5X8X55 | |
REF # | 44 |
---|---|
PART NUMBER | |
QUANTITY | 1 |
DESTINATION | |
REMARKS | ACTUAL L = 530 M/M |
CLAMP,OVER FLOW PIPE | |
REF # | 45 |
---|---|
PART NUMBER | |
QUANTITY | 1 |
DESTINATION | |
REMARKS |