main content of page
Parts Diagrams
OWNER CENTER |

Welcome, Kawasaki owners. Access the information and tools you need to get the most out of your vehicle.
OWNER CENTER |
Welcome, Kawasaki owners. Access the information and tools you need to get the most out of your vehicle.
Parts Diagrams |
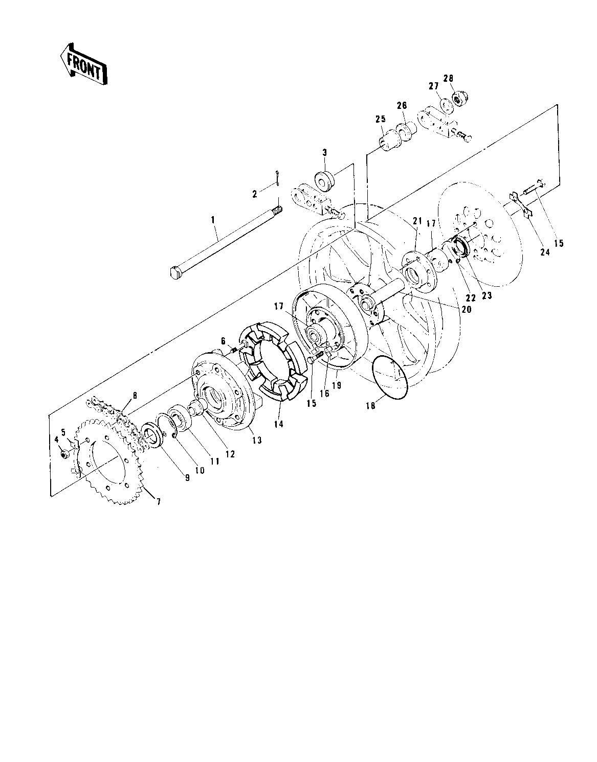
ITEM NAME | REF # | PART NUMBER | QUANTITY | DESTINATION | REMARKS |
---|---|---|---|---|---|
AXLE,REAR | 1 | 42031-034 | 1 | ||
PIN-COTTER,4.0X35 | 2 | 550D4035 | 1 | ||
COLLAR,RR HUB COUPLN | 3 | 42032-077 | 1 | ||
NUT 10MM | 4 | 42045-005 | 6 | ||
WASHER,LOCK | 5 | 92088-031 | 3 | ||
BOLT | 6 | 92001-161 | 6 | ||
SPROCKET | 7 | 42041-171 | 1 | ||
DR CHAIN 630X92 | 8 | 92057-107 | 1 | 630X92L | |
OIL SEAL | 9 | 92050-027 | 1 | ||
CIRCLIP,62M/M | 10 | 92033-1044 | 1 | ||
BALL BEARING,#6206 | 11 | 601B6206 | 1 | ||
SLEEVE,COUPLING | 12 | 42036-032 | 1 | ||
COUPLING ASSY,RR HUB | 13 | 42008-039 | 1 | INCLUDES REF #S 3-6,9-13 | |
SHOCK DAMPER | 14 | 42014-031 | 1 | ||
BOLT | 15 | 92001-183 | 14 | ||
WASHER, LOCK | 16 | 92088-030 | 3 | ||
BEARING BALL #6304 | 17 | 601B6304 | 2 | ||
"O" RING,115MM | 18 | 671B25115 | 1 | ||
ADAPTER,BEARING | 19 | 41088-006 | 1 | ||
COLLAR,RR HUB BEARIN | 20 | 41039-036 | 1 | ||
ADAPTER,BEARING | 21 | 41088-005 | 1 | ||
RING,SNAP,56.2M/M | 22 | 92033-1043 | 1 | ||
OIL SEAL TC26388 | 23 | 92052-008 | 1 | ||
WASHER,LOCK | 24 | 92088-032 | 3 | ||
COLLAR,REAR AXLE | 25 | 42032-061 | 1 | ||
SLEEVE,RR CALIPER HO | 26 | 42036-027 | 1 | ||
WASHER,PLAIN,20MM | 27 | 92022-248 | 1 | ||
NUT CASTLE,18MM | 28 | 42045-018 | 1 |
AXLE,REAR | |
REF # | 1 |
---|---|
PART NUMBER | |
QUANTITY | 1 |
DESTINATION | |
REMARKS |
PIN-COTTER,4.0X35 | |
REF # | 2 |
---|---|
PART NUMBER | |
QUANTITY | 1 |
DESTINATION | |
REMARKS |
COLLAR,RR HUB COUPLN | |
REF # | 3 |
---|---|
PART NUMBER | |
QUANTITY | 1 |
DESTINATION | |
REMARKS |
NUT 10MM | |
REF # | 4 |
---|---|
PART NUMBER | |
QUANTITY | 6 |
DESTINATION | |
REMARKS |
WASHER,LOCK | |
REF # | 5 |
---|---|
PART NUMBER | |
QUANTITY | 3 |
DESTINATION | |
REMARKS |
BOLT | |
REF # | 6 |
---|---|
PART NUMBER | |
QUANTITY | 6 |
DESTINATION | |
REMARKS |
SPROCKET | |
REF # | 7 |
---|---|
PART NUMBER | |
QUANTITY | 1 |
DESTINATION | |
REMARKS |
DR CHAIN 630X92 | |
REF # | 8 |
---|---|
PART NUMBER | |
QUANTITY | 1 |
DESTINATION | |
REMARKS | 630X92L |
OIL SEAL | |
REF # | 9 |
---|---|
PART NUMBER | |
QUANTITY | 1 |
DESTINATION | |
REMARKS |
CIRCLIP,62M/M | |
REF # | 10 |
---|---|
PART NUMBER | |
QUANTITY | 1 |
DESTINATION | |
REMARKS |
BALL BEARING,#6206 | |
REF # | 11 |
---|---|
PART NUMBER | |
QUANTITY | 1 |
DESTINATION | |
REMARKS |
SLEEVE,COUPLING | |
REF # | 12 |
---|---|
PART NUMBER | |
QUANTITY | 1 |
DESTINATION | |
REMARKS |
COUPLING ASSY,RR HUB | |
REF # | 13 |
---|---|
PART NUMBER | |
QUANTITY | 1 |
DESTINATION | |
REMARKS | INCLUDES REF #S 3-6,9-13 |
SHOCK DAMPER | |
REF # | 14 |
---|---|
PART NUMBER | |
QUANTITY | 1 |
DESTINATION | |
REMARKS |
BOLT | |
REF # | 15 |
---|---|
PART NUMBER | |
QUANTITY | 14 |
DESTINATION | |
REMARKS |
WASHER, LOCK | |
REF # | 16 |
---|---|
PART NUMBER | |
QUANTITY | 3 |
DESTINATION | |
REMARKS |
BEARING BALL #6304 | |
REF # | 17 |
---|---|
PART NUMBER | |
QUANTITY | 2 |
DESTINATION | |
REMARKS |
"O" RING,115MM | |
REF # | 18 |
---|---|
PART NUMBER | |
QUANTITY | 1 |
DESTINATION | |
REMARKS |
ADAPTER,BEARING | |
REF # | 19 |
---|---|
PART NUMBER | |
QUANTITY | 1 |
DESTINATION | |
REMARKS |
COLLAR,RR HUB BEARIN | |
REF # | 20 |
---|---|
PART NUMBER | |
QUANTITY | 1 |
DESTINATION | |
REMARKS |
ADAPTER,BEARING | |
REF # | 21 |
---|---|
PART NUMBER | |
QUANTITY | 1 |
DESTINATION | |
REMARKS |
RING,SNAP,56.2M/M | |
REF # | 22 |
---|---|
PART NUMBER | |
QUANTITY | 1 |
DESTINATION | |
REMARKS |
OIL SEAL TC26388 | |
REF # | 23 |
---|---|
PART NUMBER | |
QUANTITY | 1 |
DESTINATION | |
REMARKS |
WASHER,LOCK | |
REF # | 24 |
---|---|
PART NUMBER | |
QUANTITY | 3 |
DESTINATION | |
REMARKS |
COLLAR,REAR AXLE | |
REF # | 25 |
---|---|
PART NUMBER | |
QUANTITY | 1 |
DESTINATION | |
REMARKS |
SLEEVE,RR CALIPER HO | |
REF # | 26 |
---|---|
PART NUMBER | |
QUANTITY | 1 |
DESTINATION | |
REMARKS |
WASHER,PLAIN,20MM | |
REF # | 27 |
---|---|
PART NUMBER | |
QUANTITY | 1 |
DESTINATION | |
REMARKS |
NUT CASTLE,18MM | |
REF # | 28 |
---|---|
PART NUMBER | |
QUANTITY | 1 |
DESTINATION | |
REMARKS |