Skip to main content

Parts Diagrams

customer service agent speaking with a customer

Welcome, Kawasaki owners. Access the information and tools you need to get the most out of your vehicle.

Welcome, Kawasaki owners. Access the information and tools you need to get the most out of your vehicle.

Part Item Information
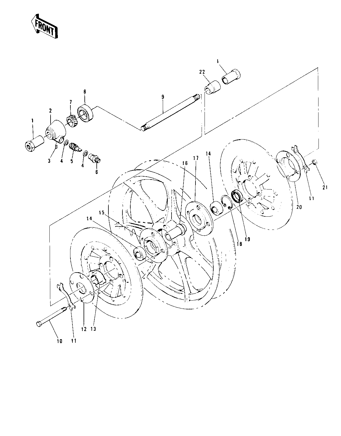
ITEM NAME REF # PART NUMBER QUANTITY DESTINATION REMARKS
COLLAR,FRONT AXLE 1 41069-033 2
GEAR BOX ASSY 2 41078-008 1 INCLUDES 2-8, 13
PIN,SPRING 3 41082-001 1
WASHER THRST SPD PIN 4 41063-001 2
PINION,SPEEDOMETER 5 41060-017 1
BUSH,SPEEDMETER CABL 6 41062-005 1
GEAR,SPEEDOMETER 7 41059-026 1
OIL SEAL,BJN30427-C3 8 92049-1057 1
AXLE,FRONT 9 41068-049 1
BOLT,HEX HEAD,10MM 10 92001-179 4
WASHER,LOCK 11 92088-023 4
DUST COVER 12 41042-014 1
RECEIVER,GEAR 13 41064-013 1
BEARING BALL #6203 14 601B6203 2
BRG ADPTR LH FR 15 41088-001 1
COLLAR,FR HUB BEARIN 16 41039-031 1
BRG ADPTR RH FR 17 41088-002 1
RING, SNAP,43.5M/M 18 92033-1040 1
OIL SEAL 19 654A254008 1
DUST COVER 20 41042-015 1
NUT 10MM 21 315G1000 4
COLLAR,FRONT AXLE 22 41069-032 1