Skip to main content

Parts Diagrams

customer service agent speaking with a customer

Welcome, Kawasaki owners. Access the information and tools you need to get the most out of your vehicle.

Welcome, Kawasaki owners. Access the information and tools you need to get the most out of your vehicle.

Part Item Information
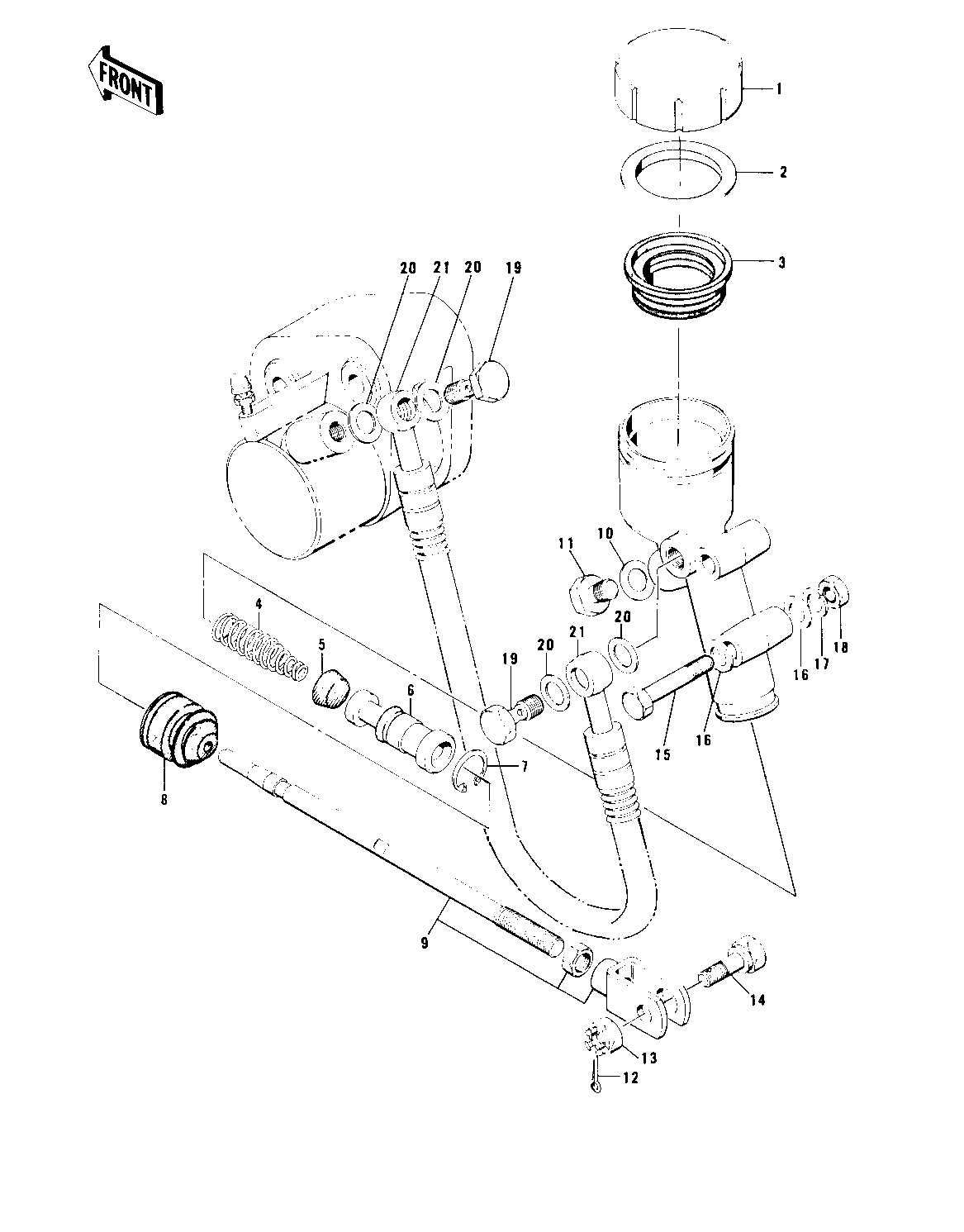
ITEM NAME REF # PART NUMBER QUANTITY DESTINATION REMARKS
CYLINDER ASSY,MASTER 1-11 43015-036 1
CAP,OIL CUP 1 43026-003 1
PLATE-MASTER CYLINDE 2 43027-001 1
DIAPHRAGM 3 43028-003 1
SPRING ASSY, RETURN 4 43018-002 1
CUP, PRIMARY 5 43019-002 1
PISTON ASSY 6 43072-004 1
CIRCLIP,20MM 7 481J2000 1
BOOTS 8 43024-002 1
ROD,BRAKE 9 43010-022 1
'O'RING 10 43079-002 1
BOLT 11 43070-003 1
PIN COTTER 2.0X20 12 550D2020 1
NUT CASTLE 13 321B0800 1
BOLT,MASTER CYL ROD 14 92003-210 1
BOLT,10X45 15 92001-1182 2
WASHER PLAIN 8MM 16 410B0800 2
WASHER SPRING 8MM 17 461F0800 2
NUT,8M/M 18 317B0800 2
BOLT,OIL,L=23 19 92002-1888 2
WASHER-OIL BOLT 20 43067-001 4
HOSE,REAR BRAKE 21 43059-030 1