main content of page
Parts Diagrams
OWNER CENTER |

Welcome, Kawasaki owners. Access the information and tools you need to get the most out of your vehicle.
OWNER CENTER |
Welcome, Kawasaki owners. Access the information and tools you need to get the most out of your vehicle.
Parts Diagrams |
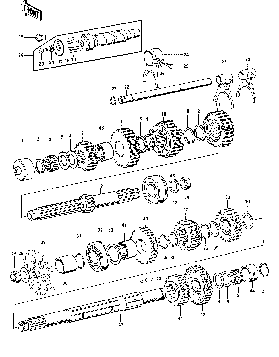
ITEM NAME | REF # | PART NUMBER | QUANTITY | DESTINATION | REMARKS |
---|---|---|---|---|---|
BUSH,DRIVE SHAFT | 1 | 92028-122 | 1 | ||
CIRCLIP,25MM | 2 | 92033-025 | 2 | ||
BEARING,PK223013.8 | 3 | 92046-031 | 2 | ||
SPACER (I.D=22 O.D=3 | 4 | 92026-1020 | 2 | ||
WASHER,PLAIN,22MM | 5 | 92022-212 | AR | ||
WASHER,PLAIN,22MM | 5 | 92022-213 | AR | ||
2ND GER,DRIVE SHAFT | 6 | 13130-032 | 2 | ||
TOP GEAR,DRIVE SHAFT | 7 | 13136-042 | 1 | ||
WASHER,THRUST,26MM | 8 | 92024-042 | 2 | ||
CIRCLIP 28MM | 9 | 480J2800 | 2 | ||
3RD GEAR,DRIVE SHAFT | 10 | 13132-030 | 1 | ||
4TH GEAR,DRIVE SHAFT | 11 | 13134-016 | 1 | ||
SHAFT,DRIVE 12T | 12 | 13127-042 | 1 | ||
WASHER | 13 | 92125-002 | 1 | ||
NUT,20MM | 14 | 92016-043 | 1 | ||
SWITCH,NEUTRAL | 15 | 13151-5003 | 1 | ||
SWITCH,NEUTRAL | 15 | 13151-5003 | 1 | ||
DRUM ASSY,GEAR CHANG | 16 | 13239-1010 | 1 | ||
DRUM ASSY,GEAR CHANG | 16 | 13239-1010 | 1 | ||
PLATE,GEAR CHNG DRUM | 17 | 13142-013 | 1 | ||
PIN-CHANGE DRUM | 18 | 92042-020 | 1 | ||
PIN GEAR CHANGE DRUM | 19 | 92042-014 | 1 | ||
SCREW PAN HEAD 6X12 | 20 | 220B0612 | 1 | ||
WASHER LOCK 6MM | 21 | 464G0600 | 1 | ||
ROD,SHIFT | 22 | 13209-011 | 1 | ||
FORK,SELECTOR,4TH&TO | 23 | 13140-045 | 2 | ||
FORK,SELECTOR,3RD | 24 | 13140-046 | 1 | ||
PIN SELECT FORK GUID | 25 | 92043-016 | 1 | ||
WASHER LOCK 10MM | 26 | 92031-001 | 1 | ||
CIRCLIP 12MM | 27 | 480J1200 | 1 | ||
WASHER,LOCK,20MM | 28 | 92024-044 | 1 | ||
ENGINE SPROCKET 15T | 29 | 13144-062 | 1 | ||
COLLAR,ENG SPROCKET | 30 | 92027-288 | 1 | ||
"O" RING | 31 | 92055-035 | 1 | ||
BEARING,BL305 256217 | 32 | 92045-021 | 1 | ||
WASHER,PLAIN,25MM | 33 | 92022-210 | 1 | ||
2ND GEAR,OUTPUT SHAF | 34 | 13131-038 | 1 | ||
WASHER THRUST,28MM | 35 | 92024-043 | 2 | ||
CIRCLIP,30MM | 36 | 480J3000 | 2 | ||
TOP GEAR,OUTPUT SHAF | 37 | 13129-1214 | 1 | ||
TOP GEAR,OUTPUT SHAF | 37 | 13129-1214 | 1 | ||
3RD GEAR,OUTPUT SHAF | 38 | 13133-031 | 1 | ||
WASHER,PLAIN,30MM | 39 | 92022-209 | 1 | ||
BALL STEEL 3/16' | 40 | 600A0600 | 3 | ||
4TH GEAR,OUTPUT SHAF | 41 | 13135-020 | 1 | ||
LOW GER,OUTPUT SHAFT | 42 | 13129-046 | 1 | ||
SHAFT,OUTPUT | 43 | 13128-5006 | 1 | ||
SHAFT,OUTPUT | 43 | 13128-5006 | 1 | ||
BUSH,OUTPUT SHAFT | 44 | 92028-123 | 1 | ||
PIN | 45 | 92043-109 | 1 | ||
BEARING,BALL,5305NSH | 46 | 92045-1028 | 1 | ||
BUSHING,2ND GEAR | 47 | 92028-1005 | 1 | ||
BUSHING,TOP GEAR | 48 | 92028-1124 | 1 | ||
NUT,20MM | 49 | 92015-1555 | 1 |
BUSH,DRIVE SHAFT | |
REF # | 1 |
---|---|
PART NUMBER | |
QUANTITY | 1 |
DESTINATION | |
REMARKS |
CIRCLIP,25MM | |
REF # | 2 |
---|---|
PART NUMBER | |
QUANTITY | 2 |
DESTINATION | |
REMARKS |
BEARING,PK223013.8 | |
REF # | 3 |
---|---|
PART NUMBER | |
QUANTITY | 2 |
DESTINATION | |
REMARKS |
SPACER (I.D=22 O.D=3 | |
REF # | 4 |
---|---|
PART NUMBER | |
QUANTITY | 2 |
DESTINATION | |
REMARKS |
WASHER,PLAIN,22MM | |
REF # | 5 |
---|---|
PART NUMBER | |
QUANTITY | AR |
DESTINATION | |
REMARKS |
WASHER,PLAIN,22MM | |
REF # | 5 |
---|---|
PART NUMBER | |
QUANTITY | AR |
DESTINATION | |
REMARKS |
2ND GER,DRIVE SHAFT | |
REF # | 6 |
---|---|
PART NUMBER | |
QUANTITY | 2 |
DESTINATION | |
REMARKS |
TOP GEAR,DRIVE SHAFT | |
REF # | 7 |
---|---|
PART NUMBER | |
QUANTITY | 1 |
DESTINATION | |
REMARKS |
WASHER,THRUST,26MM | |
REF # | 8 |
---|---|
PART NUMBER | |
QUANTITY | 2 |
DESTINATION | |
REMARKS |
CIRCLIP 28MM | |
REF # | 9 |
---|---|
PART NUMBER | |
QUANTITY | 2 |
DESTINATION | |
REMARKS |
3RD GEAR,DRIVE SHAFT | |
REF # | 10 |
---|---|
PART NUMBER | |
QUANTITY | 1 |
DESTINATION | |
REMARKS |
4TH GEAR,DRIVE SHAFT | |
REF # | 11 |
---|---|
PART NUMBER | |
QUANTITY | 1 |
DESTINATION | |
REMARKS |
SHAFT,DRIVE 12T | |
REF # | 12 |
---|---|
PART NUMBER | |
QUANTITY | 1 |
DESTINATION | |
REMARKS |
WASHER | |
REF # | 13 |
---|---|
PART NUMBER | |
QUANTITY | 1 |
DESTINATION | |
REMARKS |
NUT,20MM | |
REF # | 14 |
---|---|
PART NUMBER | |
QUANTITY | 1 |
DESTINATION | |
REMARKS |
SWITCH,NEUTRAL | |
REF # | 15 |
---|---|
PART NUMBER | |
QUANTITY | 1 |
DESTINATION | |
REMARKS |
SWITCH,NEUTRAL | |
REF # | 15 |
---|---|
PART NUMBER | |
QUANTITY | 1 |
DESTINATION | |
REMARKS |
DRUM ASSY,GEAR CHANG | |
REF # | 16 |
---|---|
PART NUMBER | |
QUANTITY | 1 |
DESTINATION | |
REMARKS |
DRUM ASSY,GEAR CHANG | |
REF # | 16 |
---|---|
PART NUMBER | |
QUANTITY | 1 |
DESTINATION | |
REMARKS |
PLATE,GEAR CHNG DRUM | |
REF # | 17 |
---|---|
PART NUMBER | |
QUANTITY | 1 |
DESTINATION | |
REMARKS |
PIN-CHANGE DRUM | |
REF # | 18 |
---|---|
PART NUMBER | |
QUANTITY | 1 |
DESTINATION | |
REMARKS |
PIN GEAR CHANGE DRUM | |
REF # | 19 |
---|---|
PART NUMBER | |
QUANTITY | 1 |
DESTINATION | |
REMARKS |
SCREW PAN HEAD 6X12 | |
REF # | 20 |
---|---|
PART NUMBER | |
QUANTITY | 1 |
DESTINATION | |
REMARKS |
WASHER LOCK 6MM | |
REF # | 21 |
---|---|
PART NUMBER | |
QUANTITY | 1 |
DESTINATION | |
REMARKS |
ROD,SHIFT | |
REF # | 22 |
---|---|
PART NUMBER | |
QUANTITY | 1 |
DESTINATION | |
REMARKS |
FORK,SELECTOR,4TH&TO | |
REF # | 23 |
---|---|
PART NUMBER | |
QUANTITY | 2 |
DESTINATION | |
REMARKS |
FORK,SELECTOR,3RD | |
REF # | 24 |
---|---|
PART NUMBER | |
QUANTITY | 1 |
DESTINATION | |
REMARKS |
PIN SELECT FORK GUID | |
REF # | 25 |
---|---|
PART NUMBER | |
QUANTITY | 1 |
DESTINATION | |
REMARKS |
WASHER LOCK 10MM | |
REF # | 26 |
---|---|
PART NUMBER | |
QUANTITY | 1 |
DESTINATION | |
REMARKS |
CIRCLIP 12MM | |
REF # | 27 |
---|---|
PART NUMBER | |
QUANTITY | 1 |
DESTINATION | |
REMARKS |
WASHER,LOCK,20MM | |
REF # | 28 |
---|---|
PART NUMBER | |
QUANTITY | 1 |
DESTINATION | |
REMARKS |
ENGINE SPROCKET 15T | |
REF # | 29 |
---|---|
PART NUMBER | |
QUANTITY | 1 |
DESTINATION | |
REMARKS |
COLLAR,ENG SPROCKET | |
REF # | 30 |
---|---|
PART NUMBER | |
QUANTITY | 1 |
DESTINATION | |
REMARKS |
"O" RING | |
REF # | 31 |
---|---|
PART NUMBER | |
QUANTITY | 1 |
DESTINATION | |
REMARKS |
BEARING,BL305 256217 | |
REF # | 32 |
---|---|
PART NUMBER | |
QUANTITY | 1 |
DESTINATION | |
REMARKS |
WASHER,PLAIN,25MM | |
REF # | 33 |
---|---|
PART NUMBER | |
QUANTITY | 1 |
DESTINATION | |
REMARKS |
2ND GEAR,OUTPUT SHAF | |
REF # | 34 |
---|---|
PART NUMBER | |
QUANTITY | 1 |
DESTINATION | |
REMARKS |
WASHER THRUST,28MM | |
REF # | 35 |
---|---|
PART NUMBER | |
QUANTITY | 2 |
DESTINATION | |
REMARKS |
CIRCLIP,30MM | |
REF # | 36 |
---|---|
PART NUMBER | |
QUANTITY | 2 |
DESTINATION | |
REMARKS |
TOP GEAR,OUTPUT SHAF | |
REF # | 37 |
---|---|
PART NUMBER | |
QUANTITY | 1 |
DESTINATION | |
REMARKS |
TOP GEAR,OUTPUT SHAF | |
REF # | 37 |
---|---|
PART NUMBER | |
QUANTITY | 1 |
DESTINATION | |
REMARKS |
3RD GEAR,OUTPUT SHAF | |
REF # | 38 |
---|---|
PART NUMBER | |
QUANTITY | 1 |
DESTINATION | |
REMARKS |
WASHER,PLAIN,30MM | |
REF # | 39 |
---|---|
PART NUMBER | |
QUANTITY | 1 |
DESTINATION | |
REMARKS |
BALL STEEL 3/16' | |
REF # | 40 |
---|---|
PART NUMBER | |
QUANTITY | 3 |
DESTINATION | |
REMARKS |
4TH GEAR,OUTPUT SHAF | |
REF # | 41 |
---|---|
PART NUMBER | |
QUANTITY | 1 |
DESTINATION | |
REMARKS |
LOW GER,OUTPUT SHAFT | |
REF # | 42 |
---|---|
PART NUMBER | |
QUANTITY | 1 |
DESTINATION | |
REMARKS |
SHAFT,OUTPUT | |
REF # | 43 |
---|---|
PART NUMBER | |
QUANTITY | 1 |
DESTINATION | |
REMARKS |
SHAFT,OUTPUT | |
REF # | 43 |
---|---|
PART NUMBER | |
QUANTITY | 1 |
DESTINATION | |
REMARKS |
BUSH,OUTPUT SHAFT | |
REF # | 44 |
---|---|
PART NUMBER | |
QUANTITY | 1 |
DESTINATION | |
REMARKS |
PIN | |
REF # | 45 |
---|---|
PART NUMBER | |
QUANTITY | 1 |
DESTINATION | |
REMARKS |
BEARING,BALL,5305NSH | |
REF # | 46 |
---|---|
PART NUMBER | |
QUANTITY | 1 |
DESTINATION | |
REMARKS |
BUSHING,2ND GEAR | |
REF # | 47 |
---|---|
PART NUMBER | |
QUANTITY | 1 |
DESTINATION | |
REMARKS |
BUSHING,TOP GEAR | |
REF # | 48 |
---|---|
PART NUMBER | |
QUANTITY | 1 |
DESTINATION | |
REMARKS |
NUT,20MM | |
REF # | 49 |
---|---|
PART NUMBER | |
QUANTITY | 1 |
DESTINATION | |
REMARKS |