main content of page
Parts Diagrams
OWNER CENTER |

Welcome, Kawasaki owners. Access the information and tools you need to get the most out of your vehicle.
OWNER CENTER |
Welcome, Kawasaki owners. Access the information and tools you need to get the most out of your vehicle.
Parts Diagrams |
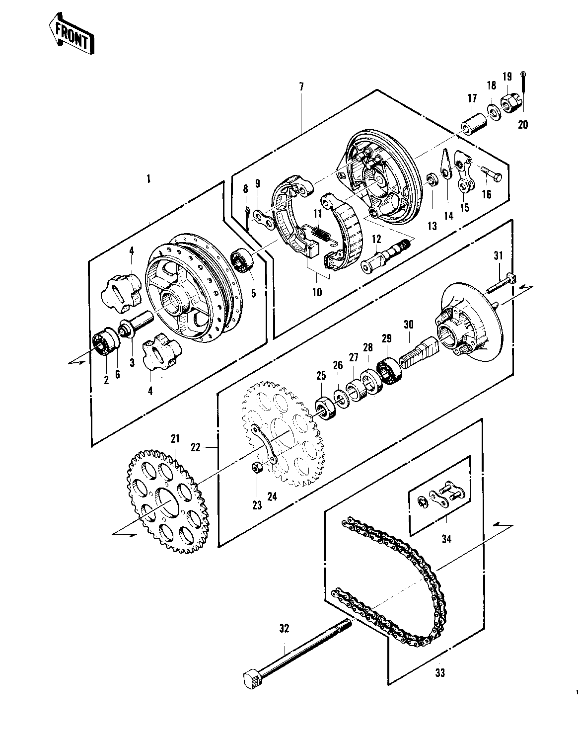
1975 Special - REAR HUB/BRAKE/CHAIN ('75 S)
ITEM NAME | REF # | PART NUMBER | QUANTITY | DESTINATION | REMARKS |
---|---|---|---|---|---|
DRUM ASY,RR BK,BUFF | 1 | 42005-044-80 | 1 | BUFF FINISH | |
BEARING BALL #6303 | 2 | 601B6303 | 1 | ||
SPACER,RR HUB BEARING | 3 | 42010-027 | 1 | ||
DAMPER REAR HUB SHOCK | 4 | 42014-008 | 4 | ||
BEARING BALL #6303Z | 5 | 601B6303Z | 1 | ||
"0" RING,60MM | 6 | 671B2560 | 1 | ||
PANEL-ASY,RR BRK,BUFF | 7 | 42006-055-80 | 1 | BUFF FINISH | |
PIN COTTER 2.0X25 | 8 | 550D2025 | 1 | ||
WASHER,BRAKE SHOE | 9 | 41045-007 | 1 | ||
SHOE REAR BRAKE | 10 | 42019-003 | 2 | ||
SPRING BRAKE SHOE | 11 | 41049-003 | 1 | ||
CAM SHAFT,REAR BRAKE | 12 | 42026-024 | 1 | ||
DUST SHIELD BRAKE CAM | 13 | 41051-001 | 1 | ||
INDICATOR,RR BK SHOE | 14 | 41085-016 | 1 | ||
LEVER,REAR BRAKE CAM | 15 | 42029-036 | 1 | ||
BOLT-SMALL-UPSET 8X25 | 16 | 115G0825 | 1 | ||
COLLAR,REAR AXLE | 17 | 42032-053 | 1 | ||
WASHER SLEEVE | 18 | 42046-009 | 1 | ||
NUT CASTLE,16MM | 19 | 92015-055 | 1 | ||
PIN-COTTER,4.0X35 | 20 | 550D4035 | 1 | ||
REAR SPROCKET,45T | 21 | 42041-145 | 1 | ||
COUPLING ASSY,RR HUB | 22 | 42008-024 | 1 | ||
NUT,10MM | 23 | 314B1000 | 4 | ||
WASHER SPROCKET LOCK | 24 | 92088-005 | 2 | ||
NUT SLEEVE | 25 | 42045-006 | 1 | ||
WASHER,PLAIN,24MM | 26 | 92022-293 | 1 | ||
COLLAR,RR HUB COUPLNG | 27 | 42037-026 | 1 | ||
OIL SEAL WTC35527 | 28 | 92052-006 | 1 | ||
BEARING BALL #6205 | 29 | 601B6205 | 1 | ||
SLEEVE,RR HUB COUPLNG | 30 | 42036-021 | 1 | ||
BOLT, RR SPROCKET FIT | 31 | 92003-156 | 4 | ||
AXLE,REAR | 32 | 42031-050 | 1 | ||
DR CHAIN 530X100 | 33 | 92057-092 | 1 | EK530SH | |
CHAIN JOINT 530 | 34 | 92058-008 | 1 |
DRUM ASY,RR BK,BUFF | |
REF # | 1 |
---|---|
PART NUMBER | |
QUANTITY | 1 |
DESTINATION | |
REMARKS | BUFF FINISH |
BEARING BALL #6303 | |
REF # | 2 |
---|---|
PART NUMBER | |
QUANTITY | 1 |
DESTINATION | |
REMARKS |
SPACER,RR HUB BEARING | |
REF # | 3 |
---|---|
PART NUMBER | |
QUANTITY | 1 |
DESTINATION | |
REMARKS |
DAMPER REAR HUB SHOCK | |
REF # | 4 |
---|---|
PART NUMBER | |
QUANTITY | 4 |
DESTINATION | |
REMARKS |
BEARING BALL #6303Z | |
REF # | 5 |
---|---|
PART NUMBER | |
QUANTITY | 1 |
DESTINATION | |
REMARKS |
"0" RING,60MM | |
REF # | 6 |
---|---|
PART NUMBER | |
QUANTITY | 1 |
DESTINATION | |
REMARKS |
PANEL-ASY,RR BRK,BUFF | |
REF # | 7 |
---|---|
PART NUMBER | |
QUANTITY | 1 |
DESTINATION | |
REMARKS | BUFF FINISH |
PIN COTTER 2.0X25 | |
REF # | 8 |
---|---|
PART NUMBER | |
QUANTITY | 1 |
DESTINATION | |
REMARKS |
WASHER,BRAKE SHOE | |
REF # | 9 |
---|---|
PART NUMBER | |
QUANTITY | 1 |
DESTINATION | |
REMARKS |
SHOE REAR BRAKE | |
REF # | 10 |
---|---|
PART NUMBER | |
QUANTITY | 2 |
DESTINATION | |
REMARKS |
SPRING BRAKE SHOE | |
REF # | 11 |
---|---|
PART NUMBER | |
QUANTITY | 1 |
DESTINATION | |
REMARKS |
CAM SHAFT,REAR BRAKE | |
REF # | 12 |
---|---|
PART NUMBER | |
QUANTITY | 1 |
DESTINATION | |
REMARKS |
DUST SHIELD BRAKE CAM | |
REF # | 13 |
---|---|
PART NUMBER | |
QUANTITY | 1 |
DESTINATION | |
REMARKS |
INDICATOR,RR BK SHOE | |
REF # | 14 |
---|---|
PART NUMBER | |
QUANTITY | 1 |
DESTINATION | |
REMARKS |
LEVER,REAR BRAKE CAM | |
REF # | 15 |
---|---|
PART NUMBER | |
QUANTITY | 1 |
DESTINATION | |
REMARKS |
BOLT-SMALL-UPSET 8X25 | |
REF # | 16 |
---|---|
PART NUMBER | |
QUANTITY | 1 |
DESTINATION | |
REMARKS |
COLLAR,REAR AXLE | |
REF # | 17 |
---|---|
PART NUMBER | |
QUANTITY | 1 |
DESTINATION | |
REMARKS |
WASHER SLEEVE | |
REF # | 18 |
---|---|
PART NUMBER | |
QUANTITY | 1 |
DESTINATION | |
REMARKS |
NUT CASTLE,16MM | |
REF # | 19 |
---|---|
PART NUMBER | |
QUANTITY | 1 |
DESTINATION | |
REMARKS |
PIN-COTTER,4.0X35 | |
REF # | 20 |
---|---|
PART NUMBER | |
QUANTITY | 1 |
DESTINATION | |
REMARKS |
REAR SPROCKET,45T | |
REF # | 21 |
---|---|
PART NUMBER | |
QUANTITY | 1 |
DESTINATION | |
REMARKS |
COUPLING ASSY,RR HUB | |
REF # | 22 |
---|---|
PART NUMBER | |
QUANTITY | 1 |
DESTINATION | |
REMARKS |
NUT,10MM | |
REF # | 23 |
---|---|
PART NUMBER | |
QUANTITY | 4 |
DESTINATION | |
REMARKS |
WASHER SPROCKET LOCK | |
REF # | 24 |
---|---|
PART NUMBER | |
QUANTITY | 2 |
DESTINATION | |
REMARKS |
NUT SLEEVE | |
REF # | 25 |
---|---|
PART NUMBER | |
QUANTITY | 1 |
DESTINATION | |
REMARKS |
WASHER,PLAIN,24MM | |
REF # | 26 |
---|---|
PART NUMBER | |
QUANTITY | 1 |
DESTINATION | |
REMARKS |
COLLAR,RR HUB COUPLNG | |
REF # | 27 |
---|---|
PART NUMBER | |
QUANTITY | 1 |
DESTINATION | |
REMARKS |
OIL SEAL WTC35527 | |
REF # | 28 |
---|---|
PART NUMBER | |
QUANTITY | 1 |
DESTINATION | |
REMARKS |
BEARING BALL #6205 | |
REF # | 29 |
---|---|
PART NUMBER | |
QUANTITY | 1 |
DESTINATION | |
REMARKS |
SLEEVE,RR HUB COUPLNG | |
REF # | 30 |
---|---|
PART NUMBER | |
QUANTITY | 1 |
DESTINATION | |
REMARKS |
BOLT, RR SPROCKET FIT | |
REF # | 31 |
---|---|
PART NUMBER | |
QUANTITY | 4 |
DESTINATION | |
REMARKS |
AXLE,REAR | |
REF # | 32 |
---|---|
PART NUMBER | |
QUANTITY | 1 |
DESTINATION | |
REMARKS |
DR CHAIN 530X100 | |
REF # | 33 |
---|---|
PART NUMBER | |
QUANTITY | 1 |
DESTINATION | |
REMARKS | EK530SH |
CHAIN JOINT 530 | |
REF # | 34 |
---|---|
PART NUMBER | |
QUANTITY | 1 |
DESTINATION | |
REMARKS |