main content of page
Parts Diagrams
OWNER CENTER |

Welcome, Kawasaki owners. Access the information and tools you need to get the most out of your vehicle.
OWNER CENTER |
Welcome, Kawasaki owners. Access the information and tools you need to get the most out of your vehicle.
Parts Diagrams |
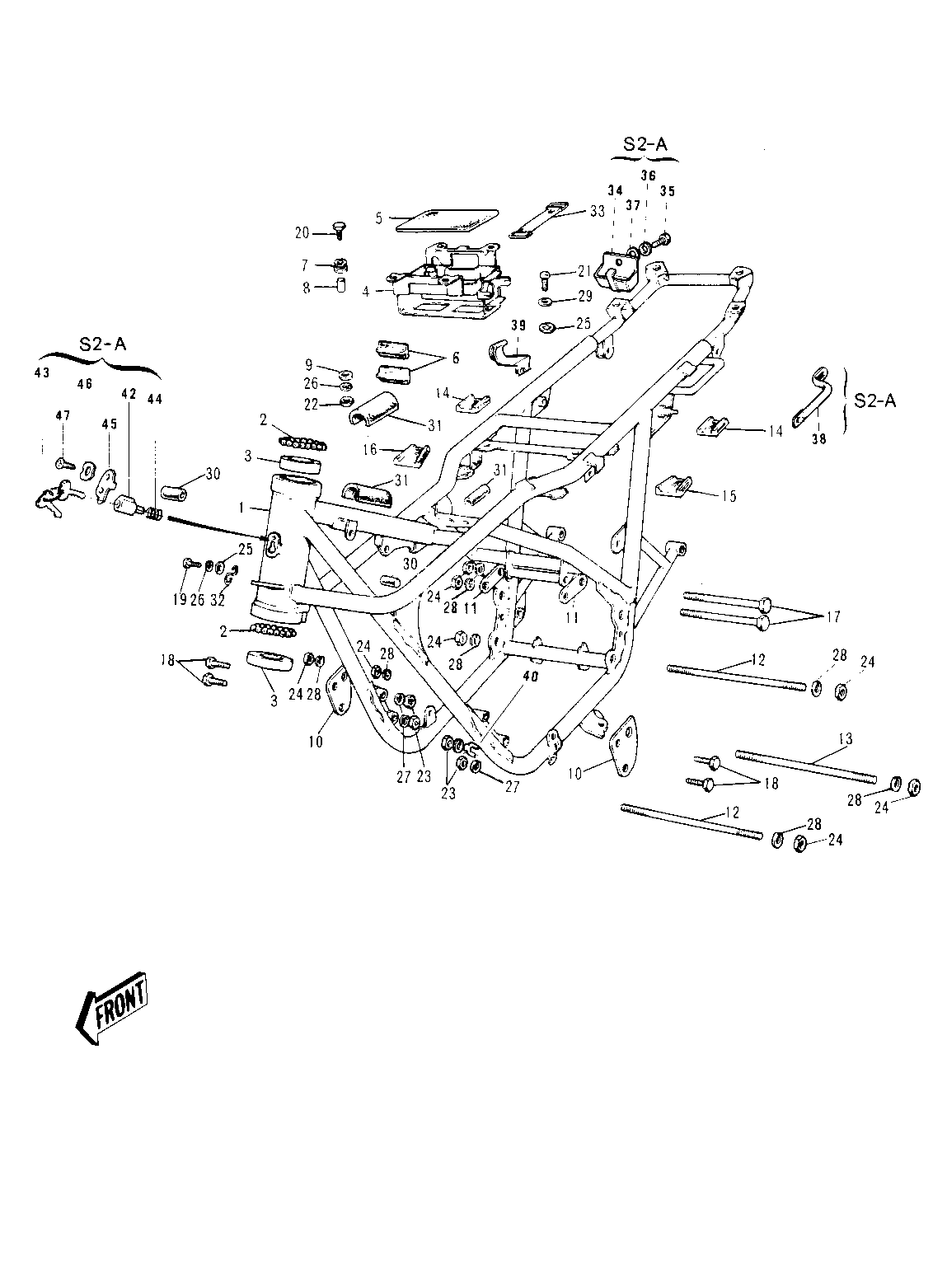
ITEM NAME | REF # | PART NUMBER | QUANTITY | DESTINATION | REMARKS |
---|---|---|---|---|---|
FRAME | 1 | 32002-046 | S2 | ||
FRAME | 1 | 32002-061 | S2-A | ||
BALL STEEL 1/4' | 2 | 600A0800 | |||
RACE STRNG STEM BERNG | 3 | 92048-006 | |||
CASE-BATTERY | 4 | 32099-008 | |||
MAT BATTERY | 5 | 32103-006 | |||
SEAT RECTIFIER RUBBER | 6 | 32103-003 | |||
DAMPER RUBBER | 7 | 92075-076 | |||
COLLAR,6.8X10X8.5 | 8 | 92027-129 | |||
WASHER 6.5X20X1.6T | 9 | 92022-125 | |||
PLATE-ENGINE MOUNT | 10 | 32030-022 | |||
PLATE-ENGINE MOUNT | 11 | 32030-023 | |||
BOLT,10X237 | 12 | 92003-182 | |||
BOLT,10X237 | 12 | 92003-182 | |||
BOLT,10X225 | 13 | 92003-181 | |||
BOLT,10X225 | 13 | 92003-181 | |||
RUBBER PAD | 14 | 31082-007 | |||
RUBBER PAD | 15 | 31082-008 | |||
RUBBER PAD | 16 | 31082-009 | |||
BOLT, FLANGED, 10X110 | 17 | 92001-1602 | |||
BOLT,HEX HEAD,10X125 | 17 | 92001-1248 | |||
BOLT,10X45 | 18 | 92001-1182 | |||
BOLT-UPSET,6X12 | 19 | 112G0612 | |||
BOLT 6X22 | 20 | 112B0622 | |||
SCREW PAN HEAD 6X14 | 21 | 220B0614 | |||
NUT 6MM | 22 | 311B0600 | |||
NUT,8MM | 23 | 311B0800 | |||
NUT,10MM | 24 | 314B1000 | |||
WASHER PLAIN 6MM | 25 | 410B0600 | |||
WASHER SPRING 6MM | 26 | 461F0600 | |||
WASHER SPRING 8MM | 27 | 461F0800 | |||
WASHER SPRING 10MM | 28 | 461F1000 | |||
WASHER LOCK 6MM | 29 | 464H0600 | |||
DAMPER RUBBER | 30 | 92075-044 | |||
MAT FUEL TANK | 31 | 51067-002 | |||
CLAMP | 32 | 92037-108 | |||
BAND TOOL | 33 | 92072-012 | |||
COVER-SPARK PLUG | 34 | 32132-001 | S2-A | ||
BOLT-UPSET 6X14 | 35 | 112B0614 | S2-A | ||
WASHER SPRING 6MM | 36 | 461F0600 | S2-A | ||
WASHER PLAIN | 37 | 92022-024 | S2-A | ||
FRAME GRIP | 38 | 32109-013 | S2-A | ||
BRACKET-HELMET HOLDER | 39 | 32122-006 | S2-A | ||
SHIM-ENG FIT RR,0.5MM | 40 | 92025-048 | S2-A | ||
SHIM-ENG FIT RR,0.8MM | 40 | 92025-049 | S2-A | ||
SHIM-ENG FIT RR,1.0MM | 40 | 92025-050 | S2-A | ||
SHIM-ENG FIT RR,1.6MM | 40 | 92025-051 | S2-A | ||
SHIM-ENG FIT RR,2.0MM | 40 | 92025-052 | S2-A | ||
SHIM-ENG FIT FR,0.5MM | 41 | 92025-053 | S2-A | ||
SHIM-ENG FIT FR,0.8MM | 41 | 92025-054 | S2-A | ||
SHIM-ENG FIT FR,1.0MM | 41 | 92025-055 | S2-A | ||
SHIM-ENG FIT FR,1.6MM | 41 | 92025-056 | S2-A | ||
SHIM-ENG FIT FR,2.0MM | 41 | 92025-057 | S2-A | ||
SHIM-ENG FIT FR,2.3MM | 41 | 92025-058 | S2-A | ||
LOCK ASSY-STEERING | 42 | 27016-030 | S2-A | ||
KEY SET,#265 | 43 | 27018-016-65 | S2-A | ||
KEY SET,#279 | 43 | 27018-016-79 | S2-A | ||
SPRING-STEERING LOCK | 44 | 27032-001 | S2-A | ||
CAP,STEERING LOCK | 45 | 11012-1134 | S2-A | ||
CAP,STEERING LOCK | 45 | 11012-1134 | S2-A | ||
WASHER | 46 | 92097-003 | S2-A | ||
SCREW-TAPPING | 47 | 92008-007 | S2-A |
FRAME | |
REF # | 1 |
---|---|
PART NUMBER | |
QUANTITY | |
DESTINATION | |
REMARKS | S2 |
FRAME | |
REF # | 1 |
---|---|
PART NUMBER | |
QUANTITY | |
DESTINATION | |
REMARKS | S2-A |
BALL STEEL 1/4' | |
REF # | 2 |
---|---|
PART NUMBER | |
QUANTITY | |
DESTINATION | |
REMARKS |
RACE STRNG STEM BERNG | |
REF # | 3 |
---|---|
PART NUMBER | |
QUANTITY | |
DESTINATION | |
REMARKS |
CASE-BATTERY | |
REF # | 4 |
---|---|
PART NUMBER | |
QUANTITY | |
DESTINATION | |
REMARKS |
MAT BATTERY | |
REF # | 5 |
---|---|
PART NUMBER | |
QUANTITY | |
DESTINATION | |
REMARKS |
SEAT RECTIFIER RUBBER | |
REF # | 6 |
---|---|
PART NUMBER | |
QUANTITY | |
DESTINATION | |
REMARKS |
DAMPER RUBBER | |
REF # | 7 |
---|---|
PART NUMBER | |
QUANTITY | |
DESTINATION | |
REMARKS |
COLLAR,6.8X10X8.5 | |
REF # | 8 |
---|---|
PART NUMBER | |
QUANTITY | |
DESTINATION | |
REMARKS |
WASHER 6.5X20X1.6T | |
REF # | 9 |
---|---|
PART NUMBER | |
QUANTITY | |
DESTINATION | |
REMARKS |
PLATE-ENGINE MOUNT | |
REF # | 10 |
---|---|
PART NUMBER | |
QUANTITY | |
DESTINATION | |
REMARKS |
PLATE-ENGINE MOUNT | |
REF # | 11 |
---|---|
PART NUMBER | |
QUANTITY | |
DESTINATION | |
REMARKS |
BOLT,10X237 | |
REF # | 12 |
---|---|
PART NUMBER | |
QUANTITY | |
DESTINATION | |
REMARKS |
BOLT,10X237 | |
REF # | 12 |
---|---|
PART NUMBER | |
QUANTITY | |
DESTINATION | |
REMARKS |
BOLT,10X225 | |
REF # | 13 |
---|---|
PART NUMBER | |
QUANTITY | |
DESTINATION | |
REMARKS |
BOLT,10X225 | |
REF # | 13 |
---|---|
PART NUMBER | |
QUANTITY | |
DESTINATION | |
REMARKS |
RUBBER PAD | |
REF # | 14 |
---|---|
PART NUMBER | |
QUANTITY | |
DESTINATION | |
REMARKS |
RUBBER PAD | |
REF # | 15 |
---|---|
PART NUMBER | |
QUANTITY | |
DESTINATION | |
REMARKS |
RUBBER PAD | |
REF # | 16 |
---|---|
PART NUMBER | |
QUANTITY | |
DESTINATION | |
REMARKS |
BOLT, FLANGED, 10X110 | |
REF # | 17 |
---|---|
PART NUMBER | |
QUANTITY | |
DESTINATION | |
REMARKS |
BOLT,HEX HEAD,10X125 | |
REF # | 17 |
---|---|
PART NUMBER | |
QUANTITY | |
DESTINATION | |
REMARKS |
BOLT,10X45 | |
REF # | 18 |
---|---|
PART NUMBER | |
QUANTITY | |
DESTINATION | |
REMARKS |
BOLT-UPSET,6X12 | |
REF # | 19 |
---|---|
PART NUMBER | |
QUANTITY | |
DESTINATION | |
REMARKS |
BOLT 6X22 | |
REF # | 20 |
---|---|
PART NUMBER | |
QUANTITY | |
DESTINATION | |
REMARKS |
SCREW PAN HEAD 6X14 | |
REF # | 21 |
---|---|
PART NUMBER | |
QUANTITY | |
DESTINATION | |
REMARKS |
NUT 6MM | |
REF # | 22 |
---|---|
PART NUMBER | |
QUANTITY | |
DESTINATION | |
REMARKS |
NUT,8MM | |
REF # | 23 |
---|---|
PART NUMBER | |
QUANTITY | |
DESTINATION | |
REMARKS |
NUT,10MM | |
REF # | 24 |
---|---|
PART NUMBER | |
QUANTITY | |
DESTINATION | |
REMARKS |
WASHER PLAIN 6MM | |
REF # | 25 |
---|---|
PART NUMBER | |
QUANTITY | |
DESTINATION | |
REMARKS |
WASHER SPRING 6MM | |
REF # | 26 |
---|---|
PART NUMBER | |
QUANTITY | |
DESTINATION | |
REMARKS |
WASHER SPRING 8MM | |
REF # | 27 |
---|---|
PART NUMBER | |
QUANTITY | |
DESTINATION | |
REMARKS |
WASHER SPRING 10MM | |
REF # | 28 |
---|---|
PART NUMBER | |
QUANTITY | |
DESTINATION | |
REMARKS |
WASHER LOCK 6MM | |
REF # | 29 |
---|---|
PART NUMBER | |
QUANTITY | |
DESTINATION | |
REMARKS |
DAMPER RUBBER | |
REF # | 30 |
---|---|
PART NUMBER | |
QUANTITY | |
DESTINATION | |
REMARKS |
MAT FUEL TANK | |
REF # | 31 |
---|---|
PART NUMBER | |
QUANTITY | |
DESTINATION | |
REMARKS |
CLAMP | |
REF # | 32 |
---|---|
PART NUMBER | |
QUANTITY | |
DESTINATION | |
REMARKS |
BAND TOOL | |
REF # | 33 |
---|---|
PART NUMBER | |
QUANTITY | |
DESTINATION | |
REMARKS |
COVER-SPARK PLUG | |
REF # | 34 |
---|---|
PART NUMBER | |
QUANTITY | |
DESTINATION | |
REMARKS | S2-A |
BOLT-UPSET 6X14 | |
REF # | 35 |
---|---|
PART NUMBER | |
QUANTITY | |
DESTINATION | |
REMARKS | S2-A |
WASHER SPRING 6MM | |
REF # | 36 |
---|---|
PART NUMBER | |
QUANTITY | |
DESTINATION | |
REMARKS | S2-A |
WASHER PLAIN | |
REF # | 37 |
---|---|
PART NUMBER | |
QUANTITY | |
DESTINATION | |
REMARKS | S2-A |
FRAME GRIP | |
REF # | 38 |
---|---|
PART NUMBER | |
QUANTITY | |
DESTINATION | |
REMARKS | S2-A |
BRACKET-HELMET HOLDER | |
REF # | 39 |
---|---|
PART NUMBER | |
QUANTITY | |
DESTINATION | |
REMARKS | S2-A |
SHIM-ENG FIT RR,0.5MM | |
REF # | 40 |
---|---|
PART NUMBER | |
QUANTITY | |
DESTINATION | |
REMARKS | S2-A |
SHIM-ENG FIT RR,0.8MM | |
REF # | 40 |
---|---|
PART NUMBER | |
QUANTITY | |
DESTINATION | |
REMARKS | S2-A |
SHIM-ENG FIT RR,1.0MM | |
REF # | 40 |
---|---|
PART NUMBER | |
QUANTITY | |
DESTINATION | |
REMARKS | S2-A |
SHIM-ENG FIT RR,1.6MM | |
REF # | 40 |
---|---|
PART NUMBER | |
QUANTITY | |
DESTINATION | |
REMARKS | S2-A |
SHIM-ENG FIT RR,2.0MM | |
REF # | 40 |
---|---|
PART NUMBER | |
QUANTITY | |
DESTINATION | |
REMARKS | S2-A |
SHIM-ENG FIT FR,0.5MM | |
REF # | 41 |
---|---|
PART NUMBER | |
QUANTITY | |
DESTINATION | |
REMARKS | S2-A |
SHIM-ENG FIT FR,0.8MM | |
REF # | 41 |
---|---|
PART NUMBER | |
QUANTITY | |
DESTINATION | |
REMARKS | S2-A |
SHIM-ENG FIT FR,1.0MM | |
REF # | 41 |
---|---|
PART NUMBER | |
QUANTITY | |
DESTINATION | |
REMARKS | S2-A |
SHIM-ENG FIT FR,1.6MM | |
REF # | 41 |
---|---|
PART NUMBER | |
QUANTITY | |
DESTINATION | |
REMARKS | S2-A |
SHIM-ENG FIT FR,2.0MM | |
REF # | 41 |
---|---|
PART NUMBER | |
QUANTITY | |
DESTINATION | |
REMARKS | S2-A |
SHIM-ENG FIT FR,2.3MM | |
REF # | 41 |
---|---|
PART NUMBER | |
QUANTITY | |
DESTINATION | |
REMARKS | S2-A |
LOCK ASSY-STEERING | |
REF # | 42 |
---|---|
PART NUMBER | |
QUANTITY | |
DESTINATION | |
REMARKS | S2-A |
KEY SET,#265 | |
REF # | 43 |
---|---|
PART NUMBER | |
QUANTITY | |
DESTINATION | |
REMARKS | S2-A |
KEY SET,#279 | |
REF # | 43 |
---|---|
PART NUMBER | |
QUANTITY | |
DESTINATION | |
REMARKS | S2-A |
SPRING-STEERING LOCK | |
REF # | 44 |
---|---|
PART NUMBER | |
QUANTITY | |
DESTINATION | |
REMARKS | S2-A |
CAP,STEERING LOCK | |
REF # | 45 |
---|---|
PART NUMBER | |
QUANTITY | |
DESTINATION | |
REMARKS | S2-A |
CAP,STEERING LOCK | |
REF # | 45 |
---|---|
PART NUMBER | |
QUANTITY | |
DESTINATION | |
REMARKS | S2-A |
WASHER | |
REF # | 46 |
---|---|
PART NUMBER | |
QUANTITY | |
DESTINATION | |
REMARKS | S2-A |
SCREW-TAPPING | |
REF # | 47 |
---|---|
PART NUMBER | |
QUANTITY | |
DESTINATION | |
REMARKS | S2-A |