Skip to main content

Parts Diagrams

customer service agent speaking with a customer

Welcome, Kawasaki owners. Access the information and tools you need to get the most out of your vehicle.

Welcome, Kawasaki owners. Access the information and tools you need to get the most out of your vehicle.

Part Item Information
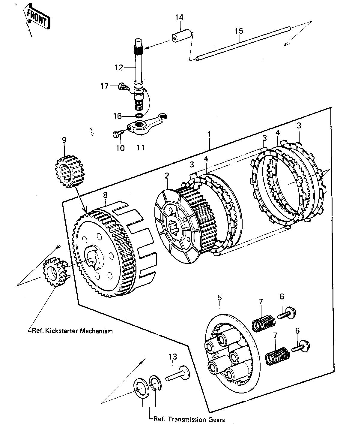
ITEM NAME REF # PART NUMBER QUANTITY DESTINATION REMARKS
CLUTCH-ASSY 1 13081-1046 1
HUB,CLUTCH 2 13087-1001 1
PLATE CLUTCH FRICTION 3 13088-015 7
PLATE CLUTCH STEEL 4 13089-013 6
PLATE,CLUTCH OPERATNG 5 13187-1005 1
BOLT,CLUTCH SPR FITT 6 92001-1066 5
SPRING-CLUTCH 7 92081-083 5
HOUSING,CLUTCH 8 13095-1015 1
GEAR,PRIMARY 9 13121-035 1
BOLT-UPSET 10 112G0618 1
LEVER,CLUTCH RELEASE 11 13103-028 1
SHAFT,CLUTCH RELEASE 12 13106-006 1
PUSHER-CLTCH SPRG PLT 13 13116-016 1
ROD,CLUTCH PUSH 14 13116-1040 1
ROD,CLUTCH PUSH,LONG 15 13116-1002 1
"0" RING, 10MM 16 670B2010 1
BOLT,CLUTCH RELEASE 17 92003-130 1