main content of page
Parts Diagrams
OWNER CENTER |

Welcome, Kawasaki owners. Access the information and tools you need to get the most out of your vehicle.
OWNER CENTER |
Welcome, Kawasaki owners. Access the information and tools you need to get the most out of your vehicle.
Parts Diagrams |
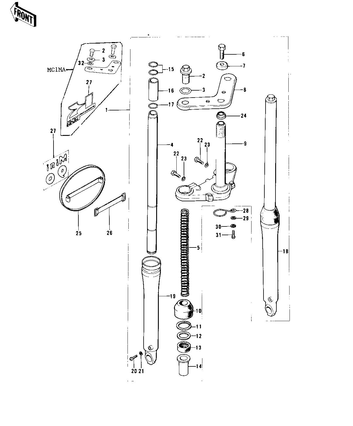
1974 MC1-A - FRONT FORK ('74-'75 MC1M/MC1M-A)
ITEM NAME | REF # | PART NUMBER | QUANTITY | DESTINATION | REMARKS |
---|---|---|---|---|---|
FORK-FRONT | 1 | 44001-143 | 1 | ||
FORK-FRONT | 1 | 44001-161 | 1 | MC1MA | |
BOLT,FORK TOP | 2 | 44032-010 | 2 | ||
BOLT | 2 | 92001-1742 | 2 | MC1MA | |
"0" RING,FORK TOP BLT | 3 | 44046-020 | 2 | ||
WASHER | 3 | 92022-1381 | 2 | MC1MA | |
TUBE,FORK INNER | 4 | 44013-045 | 2 | ||
TUBE,FORK INNER | 4 | 44013-051 | 2 | MC1MA | |
SPRING,FORK INNER | 5 | 44026-051 | 2 | ||
BOLT-UPSET,10X30 | 6 | 112G1030 | 1 | ||
WASHER | 7 | 92022-1381 | 1 | ||
HEAD,STEERING | 8 | 44039-056 | 1 | ||
STEM,STEERING | 9 | 44037-069 | 1 | ||
DUST SHIELD,FORK | 10 | 44010-024 | 2 | ||
CIRCLIP,40MM | 11 | 44044-016 | 2 | ||
WASHER,FORK OUTER TUB | 12 | 44043-054 | 2 | ||
SEAL-OIL,OUTER TUBE | 13 | 92049-1075 | 2 | ||
GUIDE,FORK INNER TUBE | 14 | 44015-016 | 2 | ||
RING,INNER TUBE GUIDE | 15 | 44020-003 | 4 | ||
PISTON,FORK | 16 | 44018-007 | 2 | ||
CIRCLIP,FORK PISTON | 17 | 44044-017 | 2 | ||
TUBE,RH,FORK OUTER | 18 | 44006-050 | 1 | ||
TUBE,LH,FORK OUTER | 19 | 44005-052 | 1 | ||
SCREW PAN HEAD 4X6 | 20 | 220B0406 | 2 | ||
GASKET,FORK DRAIN PLG | 21 | 44045-046 | 2 | ||
BOLT,HEX HEAD 10X35 | 22 | 92001-1252 | 2 | ||
WASHER SPRING 10MM | 23 | 461F1000 | 2 | ||
CONE LOWER BEARING | 24 | 92047-004 | 1 | ||
PLATE,FRONT NUMBER | 25 | 58029-025 | 1 | ||
BAND BATTERY | 26 | 92072-006 | 1 | ||
EMBLEM,NUMBER PLATE | 27 | 56018-169 | 1 | ||
EMBLEM,NUMBER PLATE | 27 | 56018-179 | 1 | MC1MA | |
CLAMP-CABLE | 28 | 92037-046 | 1 | ||
WASHER PLAIN 6MM | 29 | 411B0600 | 1 | ||
WASHER SPRING 6MM | 30 | 461F0600 | 1 | ||
BOLT-UPSET,6X12 | 31 | 112G0612 | 1 | ||
GASKET,FORK TOP BOLT | 32 | 44045-053 | 2 | MC1MA |
FORK-FRONT | |
REF # | 1 |
---|---|
PART NUMBER | |
QUANTITY | 1 |
DESTINATION | |
REMARKS |
FORK-FRONT | |
REF # | 1 |
---|---|
PART NUMBER | |
QUANTITY | 1 |
DESTINATION | |
REMARKS | MC1MA |
BOLT,FORK TOP | |
REF # | 2 |
---|---|
PART NUMBER | |
QUANTITY | 2 |
DESTINATION | |
REMARKS |
BOLT | |
REF # | 2 |
---|---|
PART NUMBER | |
QUANTITY | 2 |
DESTINATION | |
REMARKS | MC1MA |
"0" RING,FORK TOP BLT | |
REF # | 3 |
---|---|
PART NUMBER | |
QUANTITY | 2 |
DESTINATION | |
REMARKS |
WASHER | |
REF # | 3 |
---|---|
PART NUMBER | |
QUANTITY | 2 |
DESTINATION | |
REMARKS | MC1MA |
TUBE,FORK INNER | |
REF # | 4 |
---|---|
PART NUMBER | |
QUANTITY | 2 |
DESTINATION | |
REMARKS |
TUBE,FORK INNER | |
REF # | 4 |
---|---|
PART NUMBER | |
QUANTITY | 2 |
DESTINATION | |
REMARKS | MC1MA |
SPRING,FORK INNER | |
REF # | 5 |
---|---|
PART NUMBER | |
QUANTITY | 2 |
DESTINATION | |
REMARKS |
BOLT-UPSET,10X30 | |
REF # | 6 |
---|---|
PART NUMBER | |
QUANTITY | 1 |
DESTINATION | |
REMARKS |
WASHER | |
REF # | 7 |
---|---|
PART NUMBER | |
QUANTITY | 1 |
DESTINATION | |
REMARKS |
HEAD,STEERING | |
REF # | 8 |
---|---|
PART NUMBER | |
QUANTITY | 1 |
DESTINATION | |
REMARKS |
STEM,STEERING | |
REF # | 9 |
---|---|
PART NUMBER | |
QUANTITY | 1 |
DESTINATION | |
REMARKS |
DUST SHIELD,FORK | |
REF # | 10 |
---|---|
PART NUMBER | |
QUANTITY | 2 |
DESTINATION | |
REMARKS |
CIRCLIP,40MM | |
REF # | 11 |
---|---|
PART NUMBER | |
QUANTITY | 2 |
DESTINATION | |
REMARKS |
WASHER,FORK OUTER TUB | |
REF # | 12 |
---|---|
PART NUMBER | |
QUANTITY | 2 |
DESTINATION | |
REMARKS |
SEAL-OIL,OUTER TUBE | |
REF # | 13 |
---|---|
PART NUMBER | |
QUANTITY | 2 |
DESTINATION | |
REMARKS |
GUIDE,FORK INNER TUBE | |
REF # | 14 |
---|---|
PART NUMBER | |
QUANTITY | 2 |
DESTINATION | |
REMARKS |
RING,INNER TUBE GUIDE | |
REF # | 15 |
---|---|
PART NUMBER | |
QUANTITY | 4 |
DESTINATION | |
REMARKS |
PISTON,FORK | |
REF # | 16 |
---|---|
PART NUMBER | |
QUANTITY | 2 |
DESTINATION | |
REMARKS |
CIRCLIP,FORK PISTON | |
REF # | 17 |
---|---|
PART NUMBER | |
QUANTITY | 2 |
DESTINATION | |
REMARKS |
TUBE,RH,FORK OUTER | |
REF # | 18 |
---|---|
PART NUMBER | |
QUANTITY | 1 |
DESTINATION | |
REMARKS |
TUBE,LH,FORK OUTER | |
REF # | 19 |
---|---|
PART NUMBER | |
QUANTITY | 1 |
DESTINATION | |
REMARKS |
SCREW PAN HEAD 4X6 | |
REF # | 20 |
---|---|
PART NUMBER | |
QUANTITY | 2 |
DESTINATION | |
REMARKS |
GASKET,FORK DRAIN PLG | |
REF # | 21 |
---|---|
PART NUMBER | |
QUANTITY | 2 |
DESTINATION | |
REMARKS |
BOLT,HEX HEAD 10X35 | |
REF # | 22 |
---|---|
PART NUMBER | |
QUANTITY | 2 |
DESTINATION | |
REMARKS |
WASHER SPRING 10MM | |
REF # | 23 |
---|---|
PART NUMBER | |
QUANTITY | 2 |
DESTINATION | |
REMARKS |
CONE LOWER BEARING | |
REF # | 24 |
---|---|
PART NUMBER | |
QUANTITY | 1 |
DESTINATION | |
REMARKS |
PLATE,FRONT NUMBER | |
REF # | 25 |
---|---|
PART NUMBER | |
QUANTITY | 1 |
DESTINATION | |
REMARKS |
BAND BATTERY | |
REF # | 26 |
---|---|
PART NUMBER | |
QUANTITY | 1 |
DESTINATION | |
REMARKS |
EMBLEM,NUMBER PLATE | |
REF # | 27 |
---|---|
PART NUMBER | |
QUANTITY | 1 |
DESTINATION | |
REMARKS |
EMBLEM,NUMBER PLATE | |
REF # | 27 |
---|---|
PART NUMBER | |
QUANTITY | 1 |
DESTINATION | |
REMARKS | MC1MA |
CLAMP-CABLE | |
REF # | 28 |
---|---|
PART NUMBER | |
QUANTITY | 1 |
DESTINATION | |
REMARKS |
WASHER PLAIN 6MM | |
REF # | 29 |
---|---|
PART NUMBER | |
QUANTITY | 1 |
DESTINATION | |
REMARKS |
WASHER SPRING 6MM | |
REF # | 30 |
---|---|
PART NUMBER | |
QUANTITY | 1 |
DESTINATION | |
REMARKS |
BOLT-UPSET,6X12 | |
REF # | 31 |
---|---|
PART NUMBER | |
QUANTITY | 1 |
DESTINATION | |
REMARKS |
GASKET,FORK TOP BOLT | |
REF # | 32 |
---|---|
PART NUMBER | |
QUANTITY | 2 |
DESTINATION | |
REMARKS | MC1MA |