Skip to main content

Parts Diagrams

customer service agent speaking with a customer

Welcome, Kawasaki owners. Access the information and tools you need to get the most out of your vehicle.

Welcome, Kawasaki owners. Access the information and tools you need to get the most out of your vehicle.

Part Item Information
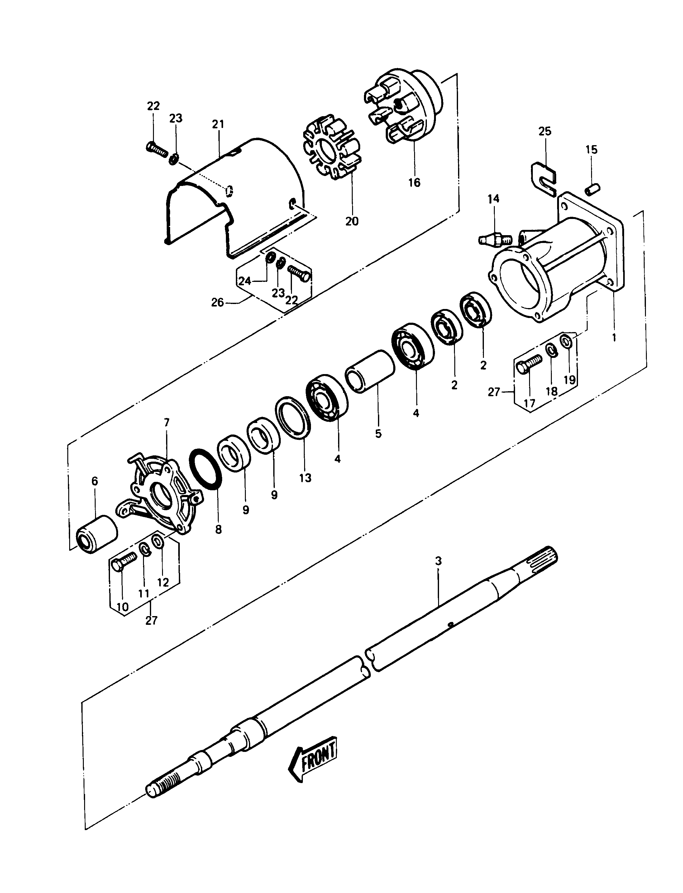
ITEM NAME REF # PART NUMBER QUANTITY DESTINATION REMARKS
SHIM,T=0.3 13A 92025-503 AR
SHIM,T=0.15 13 92025-502 AR
FITTING,GREASE 14 92005-501 1
PIN-DOWEL 15 551R0612 2
COUPLING 16 42034-3005 1
DAMPER,COUPLING 20 92075-520 1
COVER,COUPLING 21 59036-567 1
SHIM,T=0.5MM 25A 92025-3702 AR
SHIM,T=1.0MM 25B 92025-3703 AR
SHIM,T=1.5MM 25C 92025-3704 AR
SHIM,T=0.3MM 25 92025-3701 AR
BOLT,6X16 26 92150-3714 3
BOLT-WSP-SMALL,8X25 27 155R0825 7
HOUSING-BEARING 1 41046-502 1
SEAL-OIL,AC1799EX 2 92050-501 2
SHAFT,DRIVE 3 13107-3008 1
BEARING-BALL,#6305C3 4 601B6305 2
COLLAR 5 92027-502 1
SLEEVE,BEARING 6 42036-501 1
COVER,BEARING 7 14025-3008 1
RING-O 8 92055-501 1
SEAL-OIL,AC1799EX 9 92050-501 2