main content of page
Parts Diagrams
OWNER CENTER |

Welcome, Kawasaki owners. Access the information and tools you need to get the most out of your vehicle.
OWNER CENTER |
Welcome, Kawasaki owners. Access the information and tools you need to get the most out of your vehicle.
Parts Diagrams |
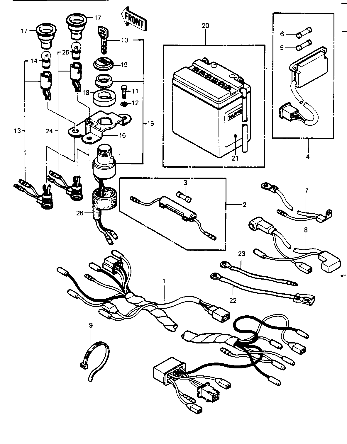
1984 Police - CHASSIS ELECTRICAL EQUIPMENT
ITEM NAME | REF # | PART NUMBER | QUANTITY | DESTINATION | REMARKS |
---|---|---|---|---|---|
HARNESS,MAIN | 1 | 26001-4026 | 1 | ||
FUSE ASSY | 2 | 26004-013 | 1 | ||
FUSE-20A | 3 | 26006-005 | 1 | ||
FUSE-ASSY,ACCESSORY | 4 | 26004-1016 | 1 | ||
FUSE 10A | 5 | 26006-003 | 1 | ||
FUSE,30A,L=25M/M | 6 | 26006-1005 | 1 | ||
WIRE-LEAD,BATTERY GRO | 7 | 26011-4008 | 1 | ||
WIRE-LEAD,BATTERY(+) | 8 | 26011-4007 | 1 | ||
BAND | 9 | 92072-3505 | 5 | ||
KEY-LOCK,BLANK | 10 | 27008-1103 | 1 | ||
BOLT-UPSET 6X14 | 11 | 112B0614 | 2 | ||
WASHER SPRING 8MM | 12 | 461F0800 | 2 | ||
LAMP-ASSY,IGNITION | 13 | 23016-1025 | 1 | ||
BULB 12V 3W | 14 | 92069-018 | 1 | ||
SWITCH-ASSY-IGNITION | 15 | 27005-4002 | 1 | ||
BRACKET-SWITCH,BLACK | 16 | 32059-4004 | 1 | ||
TUBE | 17 | 92059-1559 | 2 | ||
DAMPER IGNITION SWITH | 18 | 92075-4016 | 1 | ||
BOOT | 19 | 49006-4004 | 1 | ||
FB BAT FB12A-A | 20 | 26012-1004 | 1 | ||
LABEL-WARNING,BATTERY | 21 | 56040-1036 | 1 | ||
WIRE-LEAD | 22 | 26011-4012 | 1 | ||
WIRE-LEAD | 23 | 26011-4013 | 1 | ||
LAMP-ASSY | 24 | 23016-4006 | 1 | ||
BULB 12V 3W | 25 | 92069-018 | 1 | ||
BOOT,IGNITION SWITCH | 26 | 49006-4006 | 1 |
HARNESS,MAIN | |
REF # | 1 |
---|---|
PART NUMBER | |
QUANTITY | 1 |
DESTINATION | |
REMARKS |
FUSE ASSY | |
REF # | 2 |
---|---|
PART NUMBER | |
QUANTITY | 1 |
DESTINATION | |
REMARKS |
FUSE-20A | |
REF # | 3 |
---|---|
PART NUMBER | |
QUANTITY | 1 |
DESTINATION | |
REMARKS |
FUSE-ASSY,ACCESSORY | |
REF # | 4 |
---|---|
PART NUMBER | |
QUANTITY | 1 |
DESTINATION | |
REMARKS |
FUSE 10A | |
REF # | 5 |
---|---|
PART NUMBER | |
QUANTITY | 1 |
DESTINATION | |
REMARKS |
FUSE,30A,L=25M/M | |
REF # | 6 |
---|---|
PART NUMBER | |
QUANTITY | 1 |
DESTINATION | |
REMARKS |
WIRE-LEAD,BATTERY GRO | |
REF # | 7 |
---|---|
PART NUMBER | |
QUANTITY | 1 |
DESTINATION | |
REMARKS |
WIRE-LEAD,BATTERY(+) | |
REF # | 8 |
---|---|
PART NUMBER | |
QUANTITY | 1 |
DESTINATION | |
REMARKS |
BAND | |
REF # | 9 |
---|---|
PART NUMBER | |
QUANTITY | 5 |
DESTINATION | |
REMARKS |
KEY-LOCK,BLANK | |
REF # | 10 |
---|---|
PART NUMBER | |
QUANTITY | 1 |
DESTINATION | |
REMARKS |
BOLT-UPSET 6X14 | |
REF # | 11 |
---|---|
PART NUMBER | |
QUANTITY | 2 |
DESTINATION | |
REMARKS |
WASHER SPRING 8MM | |
REF # | 12 |
---|---|
PART NUMBER | |
QUANTITY | 2 |
DESTINATION | |
REMARKS |
LAMP-ASSY,IGNITION | |
REF # | 13 |
---|---|
PART NUMBER | |
QUANTITY | 1 |
DESTINATION | |
REMARKS |
BULB 12V 3W | |
REF # | 14 |
---|---|
PART NUMBER | |
QUANTITY | 1 |
DESTINATION | |
REMARKS |
SWITCH-ASSY-IGNITION | |
REF # | 15 |
---|---|
PART NUMBER | |
QUANTITY | 1 |
DESTINATION | |
REMARKS |
BRACKET-SWITCH,BLACK | |
REF # | 16 |
---|---|
PART NUMBER | |
QUANTITY | 1 |
DESTINATION | |
REMARKS |
TUBE | |
REF # | 17 |
---|---|
PART NUMBER | |
QUANTITY | 2 |
DESTINATION | |
REMARKS |
DAMPER IGNITION SWITH | |
REF # | 18 |
---|---|
PART NUMBER | |
QUANTITY | 1 |
DESTINATION | |
REMARKS |
BOOT | |
REF # | 19 |
---|---|
PART NUMBER | |
QUANTITY | 1 |
DESTINATION | |
REMARKS |
FB BAT FB12A-A | |
REF # | 20 |
---|---|
PART NUMBER | |
QUANTITY | 1 |
DESTINATION | |
REMARKS |
LABEL-WARNING,BATTERY | |
REF # | 21 |
---|---|
PART NUMBER | |
QUANTITY | 1 |
DESTINATION | |
REMARKS |
WIRE-LEAD | |
REF # | 22 |
---|---|
PART NUMBER | |
QUANTITY | 1 |
DESTINATION | |
REMARKS |
WIRE-LEAD | |
REF # | 23 |
---|---|
PART NUMBER | |
QUANTITY | 1 |
DESTINATION | |
REMARKS |
LAMP-ASSY | |
REF # | 24 |
---|---|
PART NUMBER | |
QUANTITY | 1 |
DESTINATION | |
REMARKS |
BULB 12V 3W | |
REF # | 25 |
---|---|
PART NUMBER | |
QUANTITY | 1 |
DESTINATION | |
REMARKS |
BOOT,IGNITION SWITCH | |
REF # | 26 |
---|---|
PART NUMBER | |
QUANTITY | 1 |
DESTINATION | |
REMARKS |