main content of page
Parts Diagrams
OWNER CENTER |

Welcome, Kawasaki owners. Access the information and tools you need to get the most out of your vehicle.
OWNER CENTER |
Welcome, Kawasaki owners. Access the information and tools you need to get the most out of your vehicle.
Parts Diagrams |
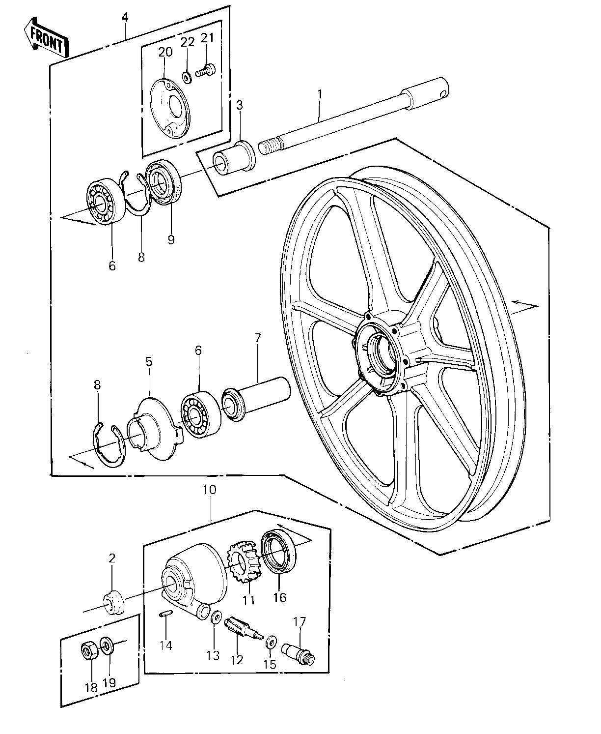
1981 LTD - FRONT WHEEL/HUB ('80-'81 C1/C2)
ITEM NAME | REF # | PART NUMBER | QUANTITY | DESTINATION | REMARKS |
---|---|---|---|---|---|
AXLE,FRONT,L=204M/M | 1 | 41068-1009 | 1 | ||
NUT,14MM | 2 | 92015-1407 | 1 | KZ550-C1 | |
COLLAR,FR AXLE L=30MM | 3 | 92027-1225 | 1 | ||
WHEEL-ASSY,FR,F.BLACK | 4 | 41073-1080-21 | 1 | KZ550-C1 | |
WHEEL-ASSY,FR,F.BLACK | 4 | 41073-1080-21 | 1 | KZ550-C2 | |
RECEIVER,SPEEDOMETER | 5 | 41064-1006 | 1 | ||
BEARING BALL #6302Z | 6 | 601B6302Z | 2 | ||
COLLAR,FR HUB L=55M/M | 7 | 92027-1223 | 1 | ||
CIRCLIP,42MM | 8 | 92033-1041 | 2 | ||
OIL SEAL,WTC22427 | 9 | 92052-011 | 1 | USE FOR 41073-10 | |
OIL SEAL,AG1144AO | 9 | 92049-1058 | 1 | USE FOR 41073-10 | |
GEAR BOX ASSY, | 10 | 41078-1013 | 1 | ||
GEAR,SPEEDOMETER | 11 | 41059-026 | 1 | ||
PINION,SPEEDOMETER,9T | 12 | 41060-1016 | 1 | ||
WASHER THRST SPD PINI | 13 | 41063-001 | 1 | ||
PIN,SPRING | 14 | 41082-001 | 1 | ||
WASHER THRST SPD PINI | 15 | 41063-001 | 1 | ||
OIL SEAL,BJN30427-C3 | 16 | 92049-1057 | 1 | ||
BUSHING,METER GEAR | 17 | 92087-1002 | 1 | ||
NUT,14MM | 18 | 314B1400 | 1 | KZ550-C2 | |
WASHER PLAIN 14MM | 19 | 410B1400 | 1 | KZ550-C2 | |
COVER,DUST,R.H. | 20 | 14025-1042 | 1 | USE FOR 41073-10 | |
SCREW-PAN-CROS | 21 | 220B0514 | 2 | USE FOR 41073-10 | |
WASHER PLAIN 5MM | 22 | 411B0500 | 2 |
AXLE,FRONT,L=204M/M | |
REF # | 1 |
---|---|
PART NUMBER | |
QUANTITY | 1 |
DESTINATION | |
REMARKS |
NUT,14MM | |
REF # | 2 |
---|---|
PART NUMBER | |
QUANTITY | 1 |
DESTINATION | |
REMARKS | KZ550-C1 |
COLLAR,FR AXLE L=30MM | |
REF # | 3 |
---|---|
PART NUMBER | |
QUANTITY | 1 |
DESTINATION | |
REMARKS |
WHEEL-ASSY,FR,F.BLACK | |
REF # | 4 |
---|---|
PART NUMBER | |
QUANTITY | 1 |
DESTINATION | |
REMARKS | KZ550-C1 |
WHEEL-ASSY,FR,F.BLACK | |
REF # | 4 |
---|---|
PART NUMBER | |
QUANTITY | 1 |
DESTINATION | |
REMARKS | KZ550-C2 |
RECEIVER,SPEEDOMETER | |
REF # | 5 |
---|---|
PART NUMBER | |
QUANTITY | 1 |
DESTINATION | |
REMARKS |
BEARING BALL #6302Z | |
REF # | 6 |
---|---|
PART NUMBER | |
QUANTITY | 2 |
DESTINATION | |
REMARKS |
COLLAR,FR HUB L=55M/M | |
REF # | 7 |
---|---|
PART NUMBER | |
QUANTITY | 1 |
DESTINATION | |
REMARKS |
CIRCLIP,42MM | |
REF # | 8 |
---|---|
PART NUMBER | |
QUANTITY | 2 |
DESTINATION | |
REMARKS |
OIL SEAL,WTC22427 | |
REF # | 9 |
---|---|
PART NUMBER | |
QUANTITY | 1 |
DESTINATION | |
REMARKS | USE FOR 41073-10 |
OIL SEAL,AG1144AO | |
REF # | 9 |
---|---|
PART NUMBER | |
QUANTITY | 1 |
DESTINATION | |
REMARKS | USE FOR 41073-10 |
GEAR BOX ASSY, | |
REF # | 10 |
---|---|
PART NUMBER | |
QUANTITY | 1 |
DESTINATION | |
REMARKS |
GEAR,SPEEDOMETER | |
REF # | 11 |
---|---|
PART NUMBER | |
QUANTITY | 1 |
DESTINATION | |
REMARKS |
PINION,SPEEDOMETER,9T | |
REF # | 12 |
---|---|
PART NUMBER | |
QUANTITY | 1 |
DESTINATION | |
REMARKS |
WASHER THRST SPD PINI | |
REF # | 13 |
---|---|
PART NUMBER | |
QUANTITY | 1 |
DESTINATION | |
REMARKS |
PIN,SPRING | |
REF # | 14 |
---|---|
PART NUMBER | |
QUANTITY | 1 |
DESTINATION | |
REMARKS |
WASHER THRST SPD PINI | |
REF # | 15 |
---|---|
PART NUMBER | |
QUANTITY | 1 |
DESTINATION | |
REMARKS |
OIL SEAL,BJN30427-C3 | |
REF # | 16 |
---|---|
PART NUMBER | |
QUANTITY | 1 |
DESTINATION | |
REMARKS |
BUSHING,METER GEAR | |
REF # | 17 |
---|---|
PART NUMBER | |
QUANTITY | 1 |
DESTINATION | |
REMARKS |
NUT,14MM | |
REF # | 18 |
---|---|
PART NUMBER | |
QUANTITY | 1 |
DESTINATION | |
REMARKS | KZ550-C2 |
WASHER PLAIN 14MM | |
REF # | 19 |
---|---|
PART NUMBER | |
QUANTITY | 1 |
DESTINATION | |
REMARKS | KZ550-C2 |
COVER,DUST,R.H. | |
REF # | 20 |
---|---|
PART NUMBER | |
QUANTITY | 1 |
DESTINATION | |
REMARKS | USE FOR 41073-10 |
SCREW-PAN-CROS | |
REF # | 21 |
---|---|
PART NUMBER | |
QUANTITY | 2 |
DESTINATION | |
REMARKS | USE FOR 41073-10 |
WASHER PLAIN 5MM | |
REF # | 22 |
---|---|
PART NUMBER | |
QUANTITY | 2 |
DESTINATION | |
REMARKS |