Skip to main content

Parts Diagrams

customer service agent speaking with a customer

Welcome, Kawasaki owners. Access the information and tools you need to get the most out of your vehicle.

Welcome, Kawasaki owners. Access the information and tools you need to get the most out of your vehicle.

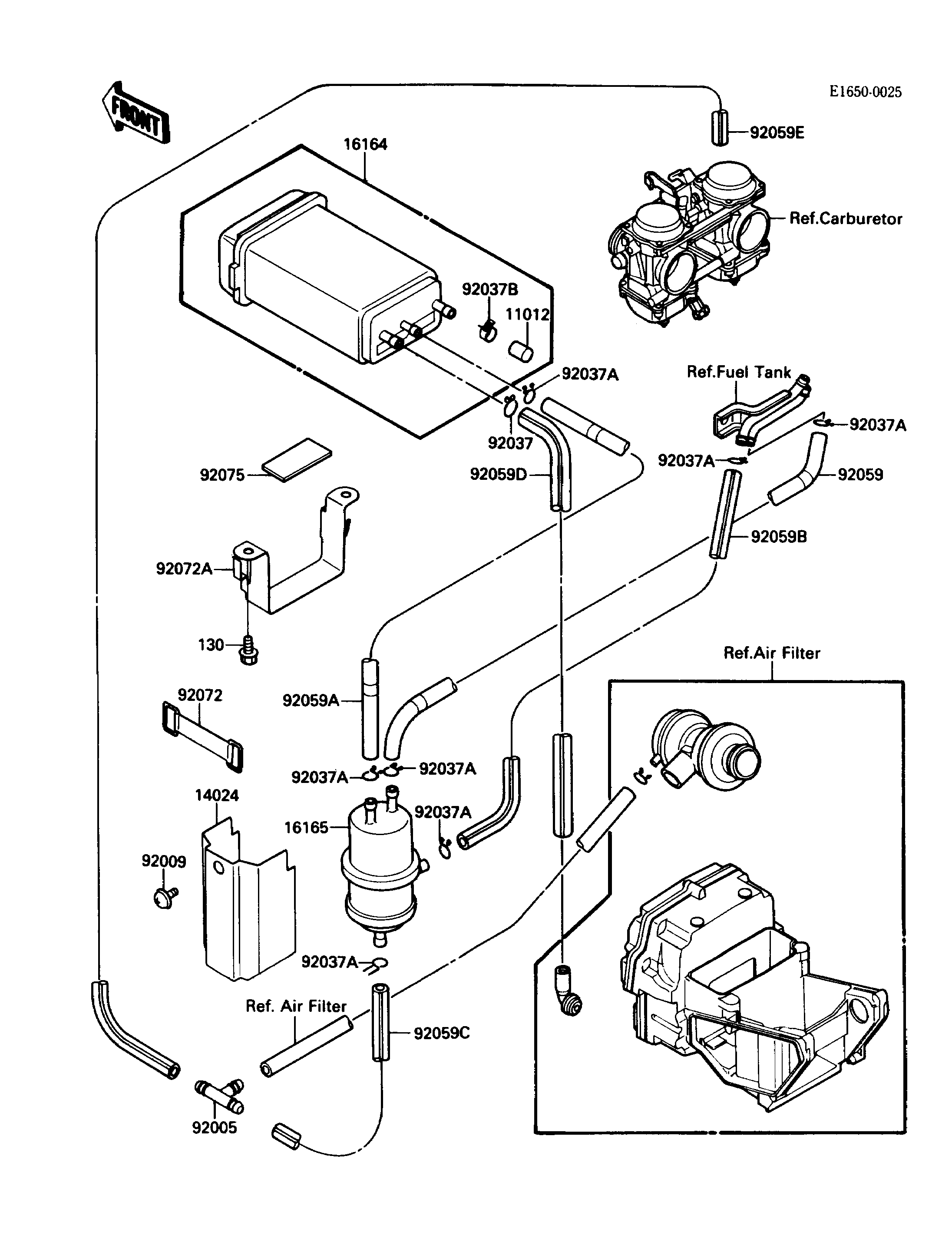
Part Item Information
ITEM NAME REF # PART NUMBER QUANTITY DESTINATION REMARKS
CAP,CANISTER 11012 11012-1388 1 CA
COVER,SEPARATOR 14024 14024-1399 1 CA
CANISTER 16164 16164-1054 1 CA
SEPARATOR 16165 16165-1001 1 CA
FITTING,TUBE,T-TYPE 92005 92005-1017 1 CA
SCREW,6X10 92009 92009-1402 1 CA
CLAMP,HOSE 92037 92037-1104 1 CA
CLAMP,TUBE 92037A 92037-147 7 CA
CLAMP,CANISTER 92037B 92037-1512 1 CA
TUBE,5X10X170,BLUE 92059 92059-1496 1 CA
TUBE,5X10X320,BLUE 92059A 92059-1499 1 CA
TUBE,5X10X250,RED 92059B 92059-1809 1 CA
TUBE,5X10X380 92059C 92059-1824 1 CA
TUBE,7X12X410 92059D 92059-1825 1 CA
TUBE,5X10X160 92059E 92059-1826 1 CA
BAND,L=50 92072 92072-066 1 CA
BAND,CANISTER 92072A 92072-1216 1 CA
DAMPER 92075 92075-1830 1 CA
BOLT-FLANGED,6X12 130 130B0612 2 CA