Skip to main content

Parts Diagrams

customer service agent speaking with a customer

Welcome, Kawasaki owners. Access the information and tools you need to get the most out of your vehicle.

Welcome, Kawasaki owners. Access the information and tools you need to get the most out of your vehicle.

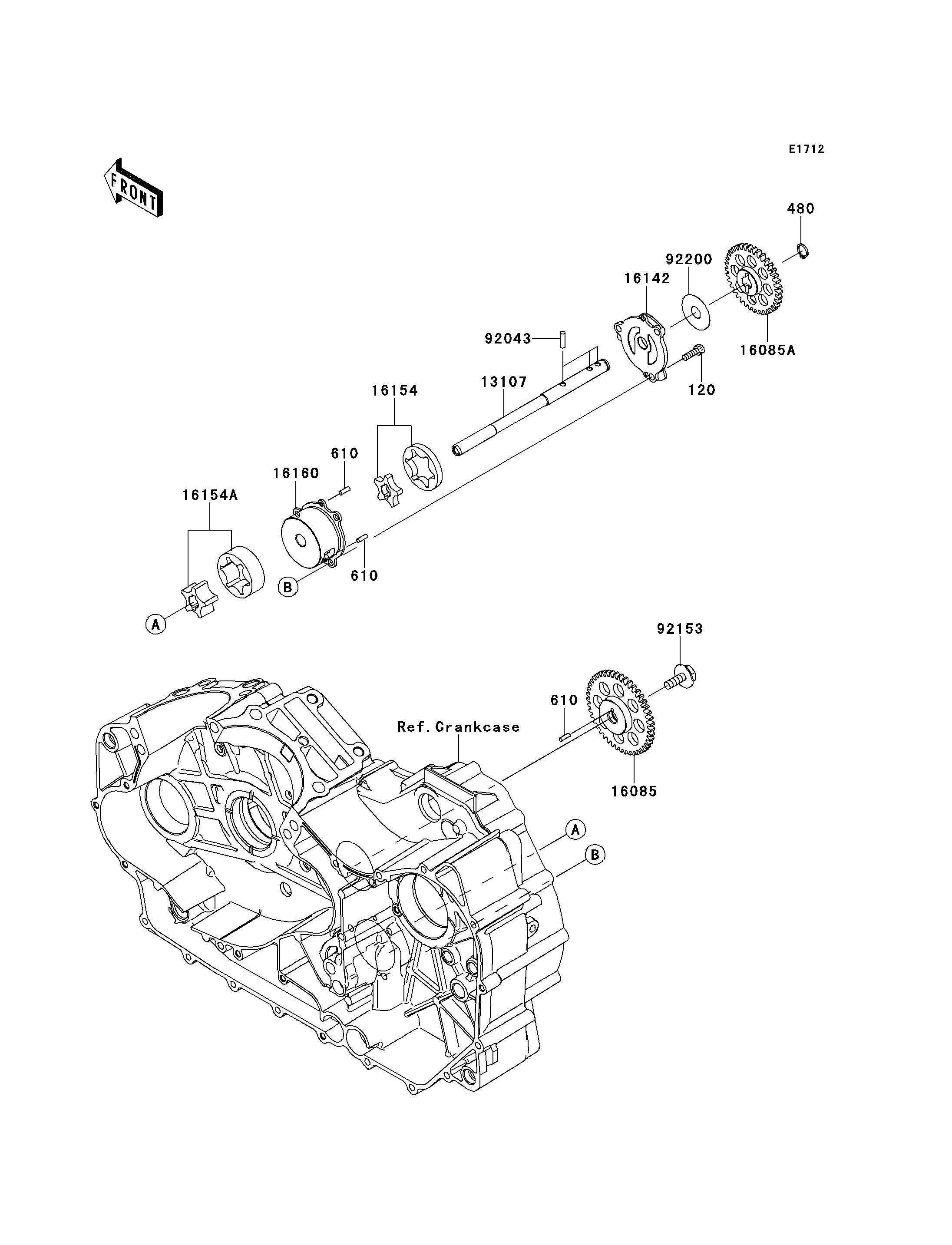
120
480
610
610
610
13107
16085
16085A
16142
16154
16154A
16160
92043
92153
92200
Part Item Information
ITEM NAME REF # PART NUMBER QUANTITY DESTINATION REMARKS
BOLT-SOCKET,6X18 120 120CA0618 3
CIRCLIP-TYPE-C,13MM 480 480J1300 1
ROLLER,4X12 610 610A0412 3
SHAFT,OIL PUMP 13107 13107-0212 1
GEAR,DRIVE,45T 16085 16085-0119 1
GEAR,DRIVEN,37T 16085A 16085-0120 1
COVER-PUMP 16142 16142-0055 1
ROTOR-PUMP,FEED 16154 16154-0079 1
ROTOR-PUMP,SCAVENGE 16154A 16154-0085 1
BODY,OIL PUMP 16160 16160-0157 1
PIN,17.9X5.0 92043 92043-1444 3
BOLT,FLANGED,8X23 92153 92153-0549 1
WASHER,13.2X40X0.5 92200 92200-0499 1