main content of page
Parts Diagrams
OWNER CENTER |
Welcome, Kawasaki owners. Access the information and tools you need to get the most out of your vehicle.
OWNER CENTER |
Welcome, Kawasaki owners. Access the information and tools you need to get the most out of your vehicle.
Parts Diagrams |
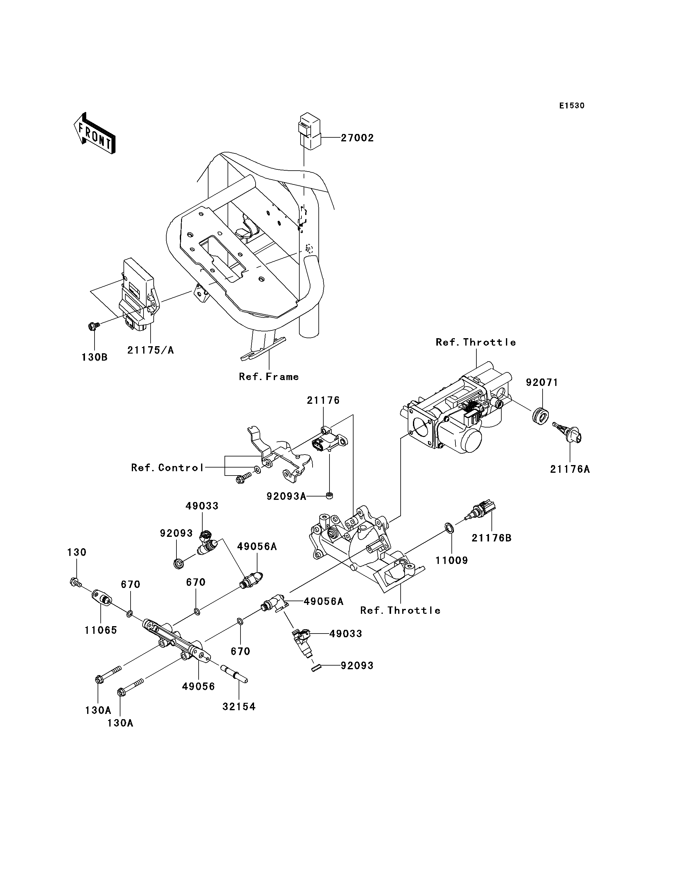
2009 Mule 4010 Trans4x4 - Fuel Injection
130
130A
130A
130B
670
670
670
11009
11065
21175
21176
21176A
21176B
27002
32154
49033
49033
49056
49056A
49056A
92071
92093
92093
92093A
| ITEM NAME | REF # | PART NUMBER | QUANTITY | DESTINATION | REMARKS |
|---|---|---|---|---|---|
| BOLT-FLANGED,6X12 | 130 | 130BA0612 | 2 | ||
| BOLT-FLANGED,6X45 | 130A | 130BA0645 | 2 | ||
| BOLT-FLANGED,6X16 | 130B | 130BB0616 | 2 | ||
| O RING | 670 | 670E1508 | 3 | ||
| GASKET,12.5X18X1.5 | 11009 | 11009-1376 | 1 | ||
| CAP | 11065 | 11065-2129 | 1 | ||
| CONTROL UNIT-ELECTRONIC | 21175 | 21175-0210 | 1 | ||
| SENSOR,PRESSURE | 21176 | 21176-1095 | 1 | ||
| SENSOR,AIR TEMP | 21176A | 21176-2106 | 1 | ||
| SENSOR | 21176B | 21176-2111 | 1 | ||
| RELAY-ASSY | 27002 | 27002-1088 | 1 | ||
| PIPE | 32154 | 32154-2084 | 1 | ||
| NOZZLE-INJECTION | 49033 | 49033-2060 | 2 | ||
| PIPE-INJECTION | 49056 | 49056-2061 | 1 | ||
| PIPE-INJECTION | 49056A | 49056-2062 | 2 | ||
| GROMMET | 92071 | 92071-2140 | 1 | ||
| SEAL | 92093 | 92093-2119 | 2 | ||
| SEAL | 92093A | 92093-2127 | 1 |
| BOLT-FLANGED,6X12 | |
| REF # | 130 |
|---|---|
| PART NUMBER | |
| QUANTITY | 2 |
| DESTINATION | |
| REMARKS | |
| BOLT-FLANGED,6X45 | |
| REF # | 130A |
|---|---|
| PART NUMBER | |
| QUANTITY | 2 |
| DESTINATION | |
| REMARKS | |
| BOLT-FLANGED,6X16 | |
| REF # | 130B |
|---|---|
| PART NUMBER | |
| QUANTITY | 2 |
| DESTINATION | |
| REMARKS | |
| O RING | |
| REF # | 670 |
|---|---|
| PART NUMBER | |
| QUANTITY | 3 |
| DESTINATION | |
| REMARKS | |
| GASKET,12.5X18X1.5 | |
| REF # | 11009 |
|---|---|
| PART NUMBER | |
| QUANTITY | 1 |
| DESTINATION | |
| REMARKS | |
| CAP | |
| REF # | 11065 |
|---|---|
| PART NUMBER | |
| QUANTITY | 1 |
| DESTINATION | |
| REMARKS | |
| CONTROL UNIT-ELECTRONIC | |
| REF # | 21175 |
|---|---|
| PART NUMBER | |
| QUANTITY | 1 |
| DESTINATION | |
| REMARKS | |
| SENSOR,PRESSURE | |
| REF # | 21176 |
|---|---|
| PART NUMBER | |
| QUANTITY | 1 |
| DESTINATION | |
| REMARKS | |
| SENSOR,AIR TEMP | |
| REF # | 21176A |
|---|---|
| PART NUMBER | |
| QUANTITY | 1 |
| DESTINATION | |
| REMARKS | |
| SENSOR | |
| REF # | 21176B |
|---|---|
| PART NUMBER | |
| QUANTITY | 1 |
| DESTINATION | |
| REMARKS | |
| RELAY-ASSY | |
| REF # | 27002 |
|---|---|
| PART NUMBER | |
| QUANTITY | 1 |
| DESTINATION | |
| REMARKS | |
| PIPE | |
| REF # | 32154 |
|---|---|
| PART NUMBER | |
| QUANTITY | 1 |
| DESTINATION | |
| REMARKS | |
| NOZZLE-INJECTION | |
| REF # | 49033 |
|---|---|
| PART NUMBER | |
| QUANTITY | 2 |
| DESTINATION | |
| REMARKS | |
| PIPE-INJECTION | |
| REF # | 49056 |
|---|---|
| PART NUMBER | |
| QUANTITY | 1 |
| DESTINATION | |
| REMARKS | |
| PIPE-INJECTION | |
| REF # | 49056A |
|---|---|
| PART NUMBER | |
| QUANTITY | 2 |
| DESTINATION | |
| REMARKS | |
| GROMMET | |
| REF # | 92071 |
|---|---|
| PART NUMBER | |
| QUANTITY | 1 |
| DESTINATION | |
| REMARKS | |
| SEAL | |
| REF # | 92093 |
|---|---|
| PART NUMBER | |
| QUANTITY | 2 |
| DESTINATION | |
| REMARKS | |
| SEAL | |
| REF # | 92093A |
|---|---|
| PART NUMBER | |
| QUANTITY | 1 |
| DESTINATION | |
| REMARKS | |