Skip to main content

Parts Diagrams

customer service agent speaking with a customer

Welcome, Kawasaki owners. Access the information and tools you need to get the most out of your vehicle.

Welcome, Kawasaki owners. Access the information and tools you need to get the most out of your vehicle.

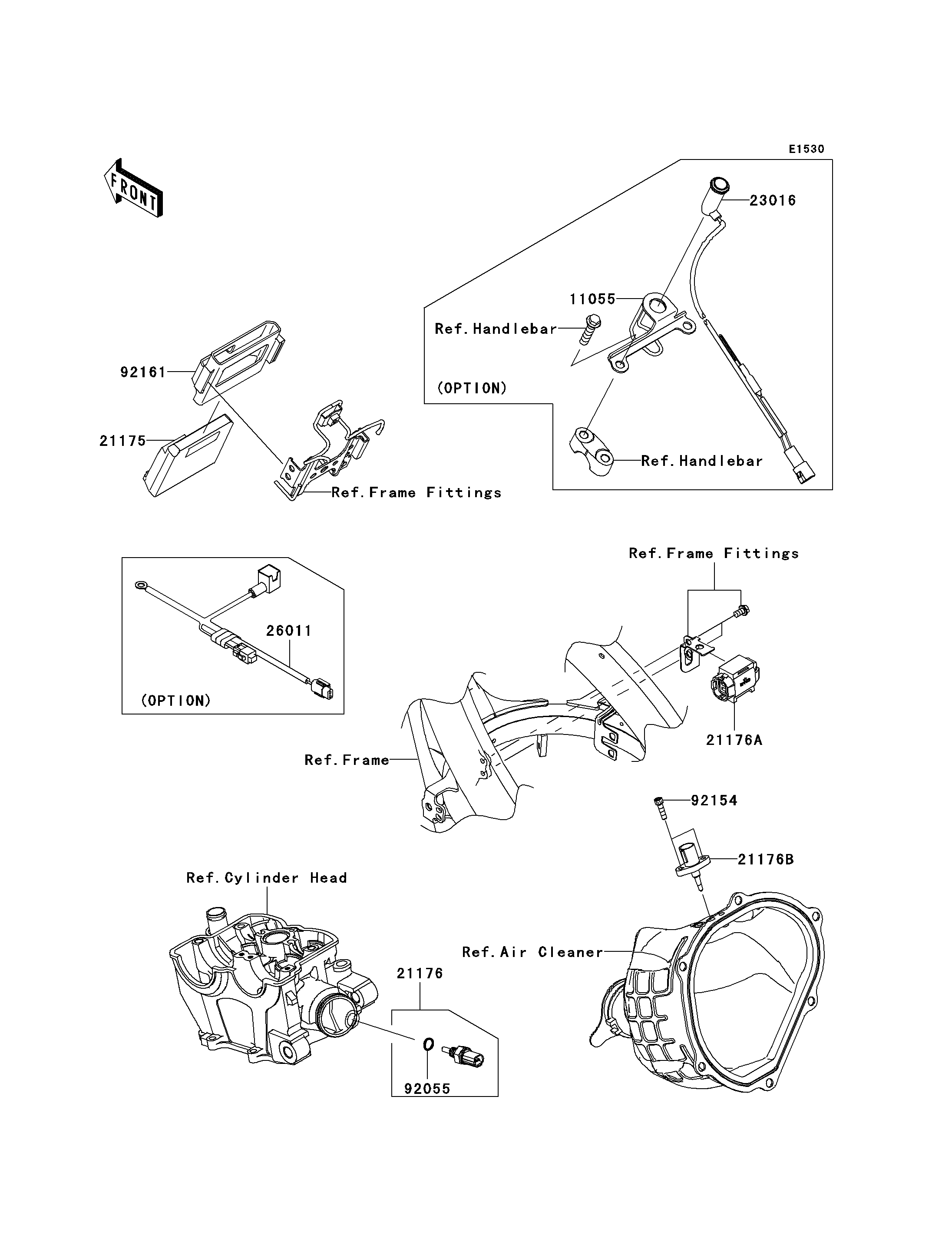
11055
21175
21176
21176A
21176B
23016
26011
92055
92154
92161
Part Item Information
ITEM NAME REF # PART NUMBER QUANTITY DESTINATION REMARKS
BRACKET,FI WARNING LAMP 11055 11055-1673 1 (OPTION)
CONTROL UNIT-ELECTRONIC 21175 21175-0320 1
SENSOR,WATER TEMP 21176 21176-0009 1
SENSOR,VEHICLE-DOWN 21176A 21176-0066 1
SENSOR,AIR TEMP 21176B 21176-0121 1
LAMP-ASSY,FI WARNING 23016 23016-0049 1 (OPTION)
WIRE-LEAD,BAT. CONNECTION 26011 26011-0246 1 (OPTION)
RING-O,9.5X1.9 92055 92055-0016 1
BOLT,SOCKET,5X18 92154 92154-0038 2
DAMPER,ECU 92161 92161-0842 1