main content of page
Parts Diagrams
OWNER CENTER |
Welcome, Kawasaki owners. Access the information and tools you need to get the most out of your vehicle.
OWNER CENTER |
Welcome, Kawasaki owners. Access the information and tools you need to get the most out of your vehicle.
Parts Diagrams |
132
132
132A
132A
132B
132C
225
12022
13272
13272
13272
13272
13272A
13272A
13272A
14001
32085
92005
92043
92043
92045
92045A
92045B
92045B
92045C
92045D
92045E
92046
92046
92046A
92049
92049A
92049A
92049B
92062
92065
92066
92153
92153
92153
92153
92153
92153
92153
92170
92171
92192
92200
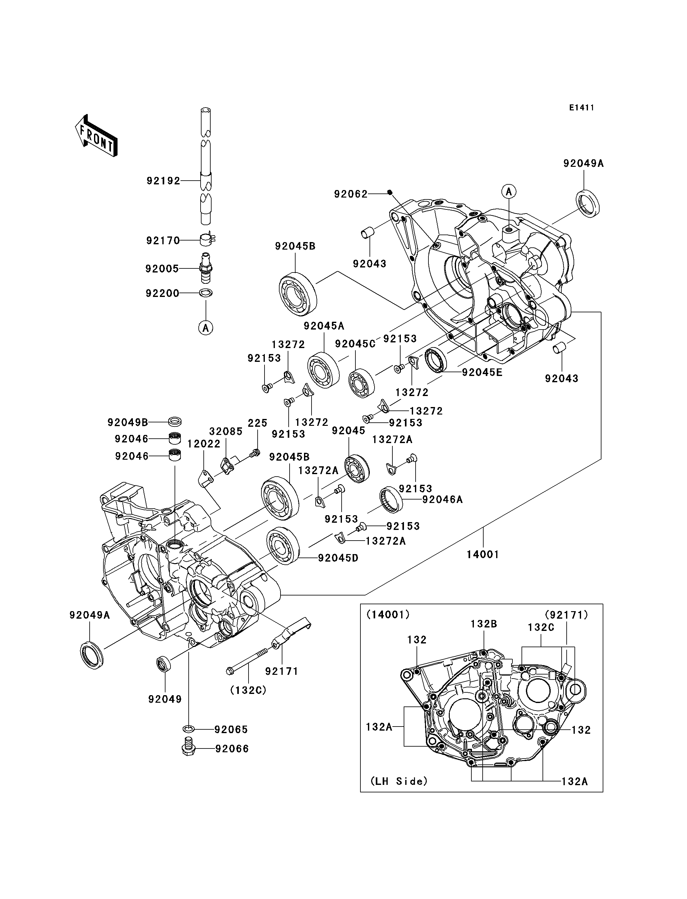
| ITEM NAME | REF # | PART NUMBER | QUANTITY | DESTINATION | REMARKS |
|---|---|---|---|---|---|
| BOLT-FLANGED-SMALL,6X50 | 132 | 132BA0650 | 2 | ||
| BOLT-FLANGED-SMALL,6X60 | 132A | 132BA0660 | 6 | ||
| BOLT-FLANGED-SMALL,6X65 | 132B | 132BA0665 | 1 | ||
| BOLT-FLANGED-SMALL,6X70 | 132C | 132BA0670 | 3 | ||
| SCREW-PAN-WSP-CROS,5X10 | 225 | 225AA0510 | 2 | ||
| VALVE-REED | 12022 | 12022-0006 | 1 | ||
| PLATE | 13272 | 13272-0488 | 4 | ||
| PLATE | 13272A | 13272-0670 | 3 | ||
| SET-CRANKCASE | 14001 | 14001-0155 | 1 | ||
| STOPPER,VALVE-REED | 32085 | 32085-0011 | 1 | ||
| FITTING,BREATHER | 92005 | 92005-0014 | 1 | ||
| PIN,10.1X12X14 | 92043 | 92043-4009 | 2 | ||
| BEARING-BALL,3TM-SX0391ZC3 | 92045 | 92045-0013 | 1 | ||
| BEARING-BALL,22X50X14 | 92045A | 92045-0051 | 1 | ||
| BEARING-BALL,CRANKSHAFT MAIN | 92045B | 92045-0052 | 2 | ||
| BEARING-BALL,TMB203LU | 92045C | 92045-1287 | 1 | ||
| BEARING-BALL,SX04A81C3 | 92045D | 92045-1335 | 1 | ||
| BEARING-BALL,6805JRZ | 92045E | 92045-1432 | 1 | ||
| BEARING-NEEDLE,HK1210 | 92046 | 92046-1010 | 2 | ||
| BEARING-NEEDLE,7E-HKS33X38X8 | 92046A | 92046-1221 | 1 | ||
| SEAL-OIL,SD2 14 22 6-1 NS | 92049 | 92049-0015 | 1 | ||
| SEAL-OIL,TC 30 40 7 | 92049A | 92049-0030 | 2 | ||
| SEAL-OIL,AG0353-F0 | 92049B | 92049-1262 | 1 | ||
| NOZZLE | 92062 | 92062-0004 | 1 | ||
| GASKET,10.5X16X1 | 92065 | 92065-058 | 1 | ||
| PLUG,DRAIN | 92066 | 92066-1437 | 1 | ||
| BOLT,TORX,6X8.7 | 92153 | 92153-1669 | 7 | ||
| CLAMP | 92170 | 92170-1938 | 1 | ||
| CLAMP | 92171 | 92171-0579 | 1 | ||
| TUBE,BREATHER | 92192 | 92192-0685 | 1 | ||
| WASHER,12.5X18X1.6 | 92200 | 92200-0087 | 1 |
| BOLT-FLANGED-SMALL,6X50 | |
| REF # | 132 |
|---|---|
| PART NUMBER | |
| QUANTITY | 2 |
| DESTINATION | |
| REMARKS | |
| BOLT-FLANGED-SMALL,6X60 | |
| REF # | 132A |
|---|---|
| PART NUMBER | |
| QUANTITY | 6 |
| DESTINATION | |
| REMARKS | |
| BOLT-FLANGED-SMALL,6X65 | |
| REF # | 132B |
|---|---|
| PART NUMBER | |
| QUANTITY | 1 |
| DESTINATION | |
| REMARKS | |
| BOLT-FLANGED-SMALL,6X70 | |
| REF # | 132C |
|---|---|
| PART NUMBER | |
| QUANTITY | 3 |
| DESTINATION | |
| REMARKS | |
| SCREW-PAN-WSP-CROS,5X10 | |
| REF # | 225 |
|---|---|
| PART NUMBER | |
| QUANTITY | 2 |
| DESTINATION | |
| REMARKS | |
| VALVE-REED | |
| REF # | 12022 |
|---|---|
| PART NUMBER | |
| QUANTITY | 1 |
| DESTINATION | |
| REMARKS | |
| PLATE | |
| REF # | 13272 |
|---|---|
| PART NUMBER | |
| QUANTITY | 4 |
| DESTINATION | |
| REMARKS | |
| PLATE | |
| REF # | 13272A |
|---|---|
| PART NUMBER | |
| QUANTITY | 3 |
| DESTINATION | |
| REMARKS | |
| SET-CRANKCASE | |
| REF # | 14001 |
|---|---|
| PART NUMBER | |
| QUANTITY | 1 |
| DESTINATION | |
| REMARKS | |
| STOPPER,VALVE-REED | |
| REF # | 32085 |
|---|---|
| PART NUMBER | |
| QUANTITY | 1 |
| DESTINATION | |
| REMARKS | |
| FITTING,BREATHER | |
| REF # | 92005 |
|---|---|
| PART NUMBER | |
| QUANTITY | 1 |
| DESTINATION | |
| REMARKS | |
| PIN,10.1X12X14 | |
| REF # | 92043 |
|---|---|
| PART NUMBER | |
| QUANTITY | 2 |
| DESTINATION | |
| REMARKS | |
| BEARING-BALL,3TM-SX0391ZC3 | |
| REF # | 92045 |
|---|---|
| PART NUMBER | |
| QUANTITY | 1 |
| DESTINATION | |
| REMARKS | |
| BEARING-BALL,22X50X14 | |
| REF # | 92045A |
|---|---|
| PART NUMBER | |
| QUANTITY | 1 |
| DESTINATION | |
| REMARKS | |
| BEARING-BALL,CRANKSHAFT MAIN | |
| REF # | 92045B |
|---|---|
| PART NUMBER | |
| QUANTITY | 2 |
| DESTINATION | |
| REMARKS | |
| BEARING-BALL,TMB203LU | |
| REF # | 92045C |
|---|---|
| PART NUMBER | |
| QUANTITY | 1 |
| DESTINATION | |
| REMARKS | |
| BEARING-BALL,SX04A81C3 | |
| REF # | 92045D |
|---|---|
| PART NUMBER | |
| QUANTITY | 1 |
| DESTINATION | |
| REMARKS | |
| BEARING-BALL,6805JRZ | |
| REF # | 92045E |
|---|---|
| PART NUMBER | |
| QUANTITY | 1 |
| DESTINATION | |
| REMARKS | |
| BEARING-NEEDLE,HK1210 | |
| REF # | 92046 |
|---|---|
| PART NUMBER | |
| QUANTITY | 2 |
| DESTINATION | |
| REMARKS | |
| BEARING-NEEDLE,7E-HKS33X38X8 | |
| REF # | 92046A |
|---|---|
| PART NUMBER | |
| QUANTITY | 1 |
| DESTINATION | |
| REMARKS | |
| SEAL-OIL,SD2 14 22 6-1 NS | |
| REF # | 92049 |
|---|---|
| PART NUMBER | |
| QUANTITY | 1 |
| DESTINATION | |
| REMARKS | |
| SEAL-OIL,TC 30 40 7 | |
| REF # | 92049A |
|---|---|
| PART NUMBER | |
| QUANTITY | 2 |
| DESTINATION | |
| REMARKS | |
| SEAL-OIL,AG0353-F0 | |
| REF # | 92049B |
|---|---|
| PART NUMBER | |
| QUANTITY | 1 |
| DESTINATION | |
| REMARKS | |
| NOZZLE | |
| REF # | 92062 |
|---|---|
| PART NUMBER | |
| QUANTITY | 1 |
| DESTINATION | |
| REMARKS | |
| GASKET,10.5X16X1 | |
| REF # | 92065 |
|---|---|
| PART NUMBER | |
| QUANTITY | 1 |
| DESTINATION | |
| REMARKS | |
| PLUG,DRAIN | |
| REF # | 92066 |
|---|---|
| PART NUMBER | |
| QUANTITY | 1 |
| DESTINATION | |
| REMARKS | |
| BOLT,TORX,6X8.7 | |
| REF # | 92153 |
|---|---|
| PART NUMBER | |
| QUANTITY | 7 |
| DESTINATION | |
| REMARKS | |
| CLAMP | |
| REF # | 92170 |
|---|---|
| PART NUMBER | |
| QUANTITY | 1 |
| DESTINATION | |
| REMARKS | |
| CLAMP | |
| REF # | 92171 |
|---|---|
| PART NUMBER | |
| QUANTITY | 1 |
| DESTINATION | |
| REMARKS | |
| TUBE,BREATHER | |
| REF # | 92192 |
|---|---|
| PART NUMBER | |
| QUANTITY | 1 |
| DESTINATION | |
| REMARKS | |
| WASHER,12.5X18X1.6 | |
| REF # | 92200 |
|---|---|
| PART NUMBER | |
| QUANTITY | 1 |
| DESTINATION | |
| REMARKS | |