main content of page
Parts Diagrams
| OWNER CENTER | 
 
        Welcome, Kawasaki owners. Access the information and tools you need to get the most out of your vehicle.
| OWNER CENTER | 
Welcome, Kawasaki owners. Access the information and tools you need to get the most out of your vehicle.
| Parts Diagrams | 
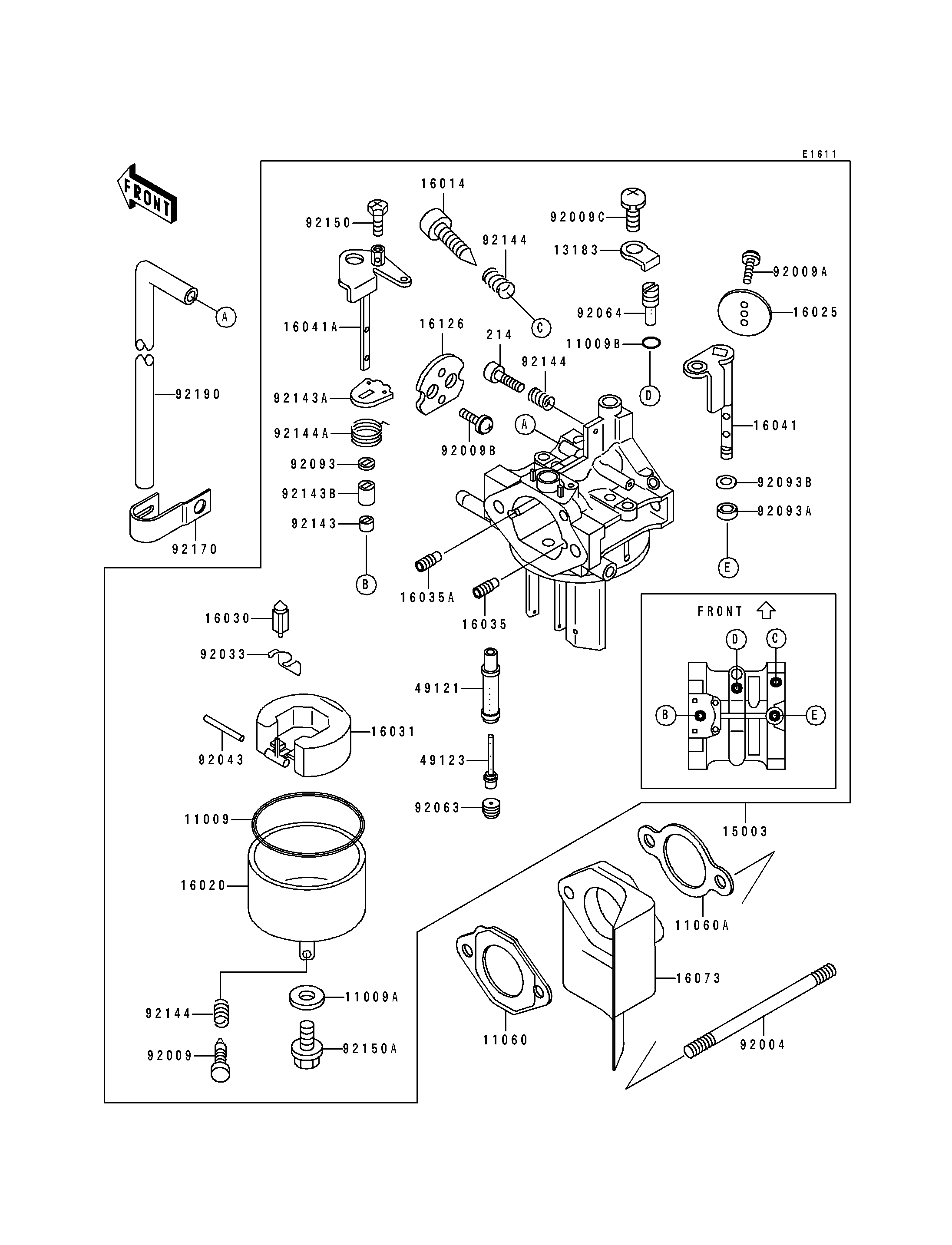
| ITEM NAME | REF # | PART NUMBER | QUANTITY | DESTINATION | REMARKS | 
|---|---|---|---|---|---|
| GASKET,FLOAT CHAMBER | 11009 | 11009-2024 | 1 | ||
| GASKET | 11009A | 11009-2025 | 1 | ||
| GASKET,PILOT JET | 11009B | 16038-024 | 1 | ||
| GASKET,CARBURETOR | 11060 | 11009-2827 | 1 | ||
| GASKET,INSULATOR | 11060A | 11009-2939 | 1 | ||
| PLATE | 13183 | 13183-2252 | 1 | ||
| CARBURETOR-ASSY. | 15003 | 15003-2104 | 1 | ||
| SCREW-PILOT AIR | 16014 | 16014-2004 | 1 | ||
| CHAMBER-FLOAT | 16020 | 16020-2051 | 1 | ||
| VALVE-THROTTLE,#160 | 16025 | 16025-2161 | 1 | ||
| VALVE-FLOAT | 16030 | 16030-2073 | 1 | ||
| FLOAT | 16031 | 16031-2066 | 1 | ||
| JET-AIR,#1.8 | 16035 | 16035-2056 | 1 | ||
| JET-AIR,#1.2 | 16035A | 16035-2061 | 1 | ||
| SHAFT-CARBURETOR,THROTTLE | 16041 | 16041-2203 | 1 | ||
| SHAFT-CARBURETOR,CHOKE | 16041A | 16041-2209 | 1 | ||
| INSULATOR | 16073 | 16073-2154 | 1 | ||
| VALVE,CHOKE | 16126 | 16126-2181 | 1 | ||
| NOZZLE-MAIN,#32B | 49121 | 49121-2164 | 1 | ||
| HOLDER-MAIN JET | 49123 | 49123-2060 | 1 | ||
| STUD,6X80 | 92004 | 92004-2125 | 2 | ||
| SCREW,DRAIN | 92009 | 92009-2015 | 1 | ||
| SCREW,THROTTLE VALVE | 92009A | 92009-2080 | 2 | ||
| SCREW,CHOKE VALVE | 92009B | 92009-2081 | 2 | ||
| SCREW | 92009C | 92009-2244 | 1 | ||
| RING-SNAP | 92033 | 92033-2067 | 1 | ||
| PIN,FLOAT | 92043 | 92043-2006 | 1 | ||
| JET-MAIN,#105 | 92063 | 92063-2218 | 1 | ||
| JET-PILOT,#45 | 92064 | 92064-2063 | 1 | ||
| SEAL | 92093 | 92093-2081 | 1 | ||
| SEAL | 92093A | 92093-2082 | 1 | ||
| SEAL | 92093B | 92093-2083 | 1 | ||
| COLLAR | 92143 | 92143-2132 | 1 | ||
| COLLAR | 92143A | 92143-2133 | 1 | ||
| COLLAR | 92143B | 92143-2134 | 1 | ||
| SPRING | 92144 | 92081-2009 | 3 | ||
| SPRING | 92144A | 92144-2269 | 1 | ||
| BOLT | 92150 | 92002-2008 | 1 | ||
| BOLT | 92150A | 92150-2146 | 1 | ||
| CLAMP | 92170 | 92037-2081 | 1 | ||
| TUBE,6X10X175 | 92190 | 92190-2051 | 1 | ||
| SCREW-PAN+- | 214 | 214B0414 | 1 | 
| GASKET,FLOAT CHAMBER | |
| REF # | 11009 | 
|---|---|
| PART NUMBER | |
| QUANTITY | 1 | 
| DESTINATION | |
| REMARKS | |
| GASKET | |
| REF # | 11009A | 
|---|---|
| PART NUMBER | |
| QUANTITY | 1 | 
| DESTINATION | |
| REMARKS | |
| GASKET,PILOT JET | |
| REF # | 11009B | 
|---|---|
| PART NUMBER | |
| QUANTITY | 1 | 
| DESTINATION | |
| REMARKS | |
| GASKET,CARBURETOR | |
| REF # | 11060 | 
|---|---|
| PART NUMBER | |
| QUANTITY | 1 | 
| DESTINATION | |
| REMARKS | |
| GASKET,INSULATOR | |
| REF # | 11060A | 
|---|---|
| PART NUMBER | |
| QUANTITY | 1 | 
| DESTINATION | |
| REMARKS | |
| PLATE | |
| REF # | 13183 | 
|---|---|
| PART NUMBER | |
| QUANTITY | 1 | 
| DESTINATION | |
| REMARKS | |
| CARBURETOR-ASSY. | |
| REF # | 15003 | 
|---|---|
| PART NUMBER | |
| QUANTITY | 1 | 
| DESTINATION | |
| REMARKS | |
| SCREW-PILOT AIR | |
| REF # | 16014 | 
|---|---|
| PART NUMBER | |
| QUANTITY | 1 | 
| DESTINATION | |
| REMARKS | |
| CHAMBER-FLOAT | |
| REF # | 16020 | 
|---|---|
| PART NUMBER | |
| QUANTITY | 1 | 
| DESTINATION | |
| REMARKS | |
| VALVE-THROTTLE,#160 | |
| REF # | 16025 | 
|---|---|
| PART NUMBER | |
| QUANTITY | 1 | 
| DESTINATION | |
| REMARKS | |
| VALVE-FLOAT | |
| REF # | 16030 | 
|---|---|
| PART NUMBER | |
| QUANTITY | 1 | 
| DESTINATION | |
| REMARKS | |
| FLOAT | |
| REF # | 16031 | 
|---|---|
| PART NUMBER | |
| QUANTITY | 1 | 
| DESTINATION | |
| REMARKS | |
| JET-AIR,#1.8 | |
| REF # | 16035 | 
|---|---|
| PART NUMBER | |
| QUANTITY | 1 | 
| DESTINATION | |
| REMARKS | |
| JET-AIR,#1.2 | |
| REF # | 16035A | 
|---|---|
| PART NUMBER | |
| QUANTITY | 1 | 
| DESTINATION | |
| REMARKS | |
| SHAFT-CARBURETOR,THROTTLE | |
| REF # | 16041 | 
|---|---|
| PART NUMBER | |
| QUANTITY | 1 | 
| DESTINATION | |
| REMARKS | |
| SHAFT-CARBURETOR,CHOKE | |
| REF # | 16041A | 
|---|---|
| PART NUMBER | |
| QUANTITY | 1 | 
| DESTINATION | |
| REMARKS | |
| INSULATOR | |
| REF # | 16073 | 
|---|---|
| PART NUMBER | |
| QUANTITY | 1 | 
| DESTINATION | |
| REMARKS | |
| VALVE,CHOKE | |
| REF # | 16126 | 
|---|---|
| PART NUMBER | |
| QUANTITY | 1 | 
| DESTINATION | |
| REMARKS | |
| NOZZLE-MAIN,#32B | |
| REF # | 49121 | 
|---|---|
| PART NUMBER | |
| QUANTITY | 1 | 
| DESTINATION | |
| REMARKS | |
| HOLDER-MAIN JET | |
| REF # | 49123 | 
|---|---|
| PART NUMBER | |
| QUANTITY | 1 | 
| DESTINATION | |
| REMARKS | |
| STUD,6X80 | |
| REF # | 92004 | 
|---|---|
| PART NUMBER | |
| QUANTITY | 2 | 
| DESTINATION | |
| REMARKS | |
| SCREW,DRAIN | |
| REF # | 92009 | 
|---|---|
| PART NUMBER | |
| QUANTITY | 1 | 
| DESTINATION | |
| REMARKS | |
| SCREW,THROTTLE VALVE | |
| REF # | 92009A | 
|---|---|
| PART NUMBER | |
| QUANTITY | 2 | 
| DESTINATION | |
| REMARKS | |
| SCREW,CHOKE VALVE | |
| REF # | 92009B | 
|---|---|
| PART NUMBER | |
| QUANTITY | 2 | 
| DESTINATION | |
| REMARKS | |
| SCREW | |
| REF # | 92009C | 
|---|---|
| PART NUMBER | |
| QUANTITY | 1 | 
| DESTINATION | |
| REMARKS | |
| RING-SNAP | |
| REF # | 92033 | 
|---|---|
| PART NUMBER | |
| QUANTITY | 1 | 
| DESTINATION | |
| REMARKS | |
| PIN,FLOAT | |
| REF # | 92043 | 
|---|---|
| PART NUMBER | |
| QUANTITY | 1 | 
| DESTINATION | |
| REMARKS | |
| JET-MAIN,#105 | |
| REF # | 92063 | 
|---|---|
| PART NUMBER | |
| QUANTITY | 1 | 
| DESTINATION | |
| REMARKS | |
| JET-PILOT,#45 | |
| REF # | 92064 | 
|---|---|
| PART NUMBER | |
| QUANTITY | 1 | 
| DESTINATION | |
| REMARKS | |
| SEAL | |
| REF # | 92093 | 
|---|---|
| PART NUMBER | |
| QUANTITY | 1 | 
| DESTINATION | |
| REMARKS | |
| SEAL | |
| REF # | 92093A | 
|---|---|
| PART NUMBER | |
| QUANTITY | 1 | 
| DESTINATION | |
| REMARKS | |
| SEAL | |
| REF # | 92093B | 
|---|---|
| PART NUMBER | |
| QUANTITY | 1 | 
| DESTINATION | |
| REMARKS | |
| COLLAR | |
| REF # | 92143 | 
|---|---|
| PART NUMBER | |
| QUANTITY | 1 | 
| DESTINATION | |
| REMARKS | |
| COLLAR | |
| REF # | 92143A | 
|---|---|
| PART NUMBER | |
| QUANTITY | 1 | 
| DESTINATION | |
| REMARKS | |
| COLLAR | |
| REF # | 92143B | 
|---|---|
| PART NUMBER | |
| QUANTITY | 1 | 
| DESTINATION | |
| REMARKS | |
| SPRING | |
| REF # | 92144 | 
|---|---|
| PART NUMBER | |
| QUANTITY | 3 | 
| DESTINATION | |
| REMARKS | |
| SPRING | |
| REF # | 92144A | 
|---|---|
| PART NUMBER | |
| QUANTITY | 1 | 
| DESTINATION | |
| REMARKS | |
| BOLT | |
| REF # | 92150 | 
|---|---|
| PART NUMBER | |
| QUANTITY | 1 | 
| DESTINATION | |
| REMARKS | |
| BOLT | |
| REF # | 92150A | 
|---|---|
| PART NUMBER | |
| QUANTITY | 1 | 
| DESTINATION | |
| REMARKS | |
| CLAMP | |
| REF # | 92170 | 
|---|---|
| PART NUMBER | |
| QUANTITY | 1 | 
| DESTINATION | |
| REMARKS | |
| TUBE,6X10X175 | |
| REF # | 92190 | 
|---|---|
| PART NUMBER | |
| QUANTITY | 1 | 
| DESTINATION | |
| REMARKS | |
| SCREW-PAN+- | |
| REF # | 214 | 
|---|---|
| PART NUMBER | |
| QUANTITY | 1 | 
| DESTINATION | |
| REMARKS | |
 
                             
                             
                             
                             
                             
                            