Skip to main content

Parts Diagrams

customer service agent speaking with a customer

Welcome, Kawasaki owners. Access the information and tools you need to get the most out of your vehicle.

Welcome, Kawasaki owners. Access the information and tools you need to get the most out of your vehicle.

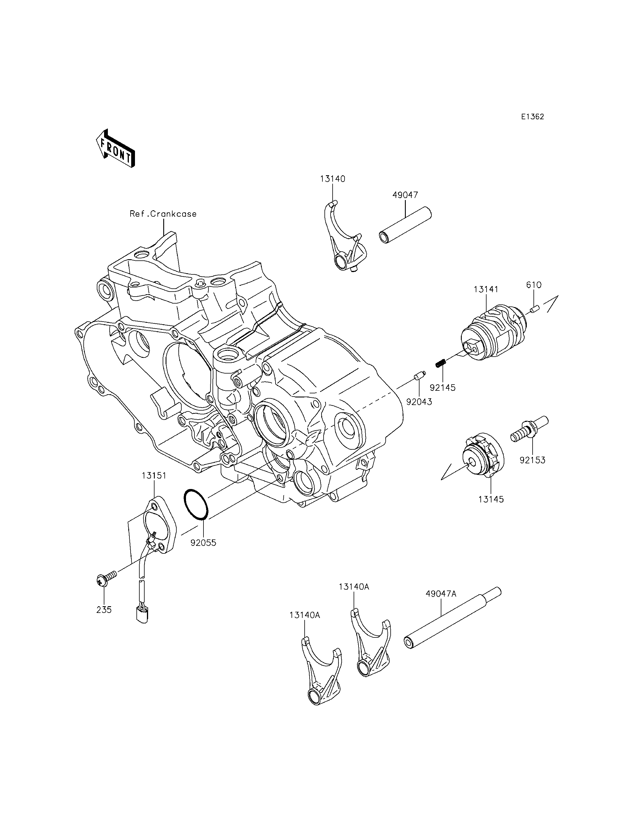
2015 KX450F - Gear Change Drum/Shift Fork(s)

235
610
13140
13140A
13140A
13141
13145
13151
49047
49047A
92043
92055
92145
92153
Part Item Information
ITEM NAME REF # PART NUMBER QUANTITY DESTINATION REMARKS
SCREW-PAN-WP-CROS,5X16 235 235AB0516 2
ROLLER,4X8 610 610A0408 1
FORK-SHIFT,IN 13140 13140-0043 1
FORK-SHIFT,OUT 13140A 13140-0044 2
DRUM-CHANGE 13141 13141-0586 1
CAM-CHANGE DRUM 13145 13145-0031 1
SWITCH-COMP,NEUTRAL 13151 13151-0047 1
ROD-SHIFT,IN 49047 49047-0017 1
ROD-SHIFT,OUT 49047A 49047-0028 1
PIN 92043 92043-1654 2
RING-O,27.7X2.4 92055 92055-091 1
SPRING 92145 92145-1414 2
BOLT,8X20 92153 92153-0530 1