main content of page
Parts Diagrams
OWNER CENTER |
Welcome, Kawasaki owners. Access the information and tools you need to get the most out of your vehicle.
OWNER CENTER |
Welcome, Kawasaki owners. Access the information and tools you need to get the most out of your vehicle.
Parts Diagrams |
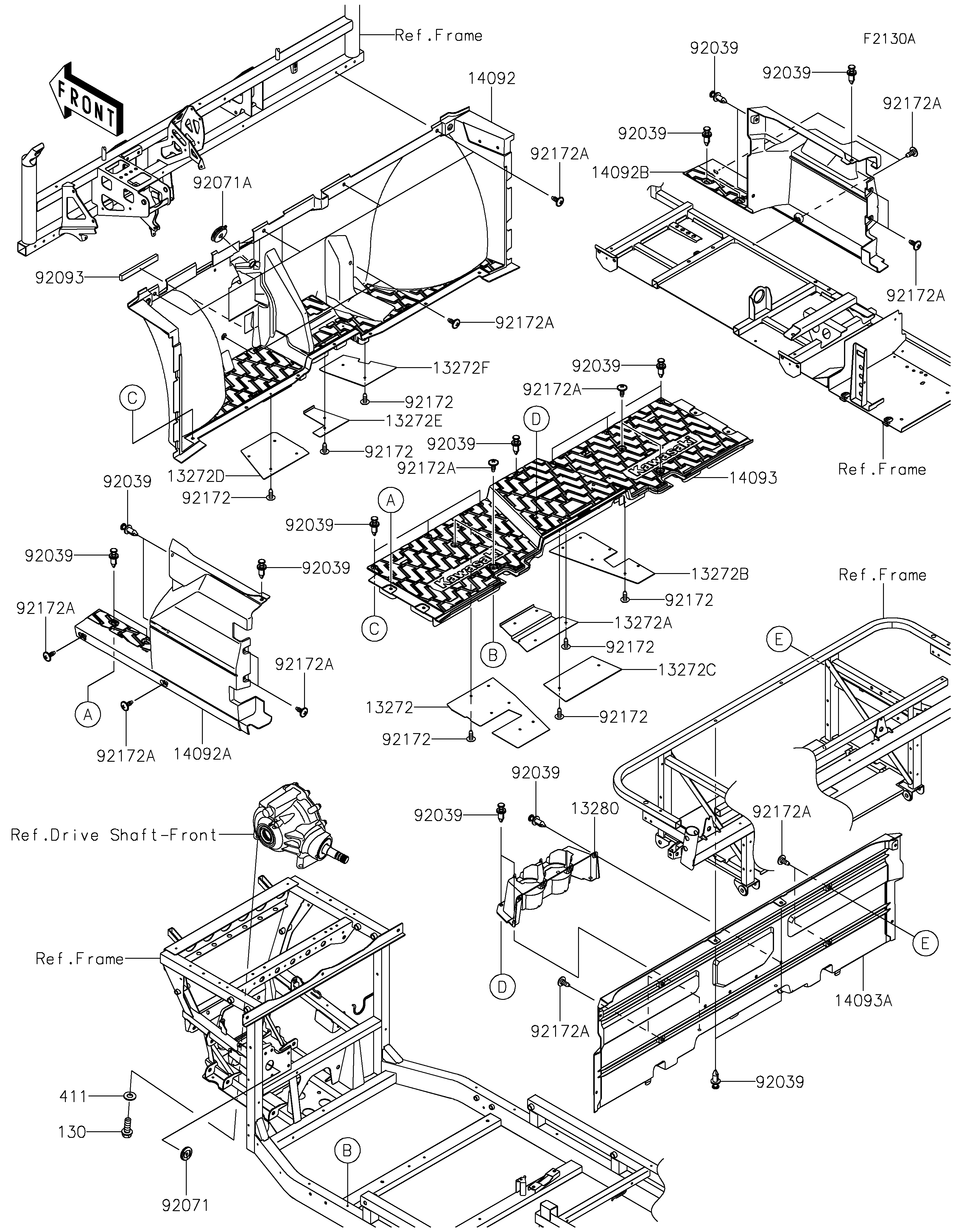
2026 MULE PRO-FXT™ 1000 LE RANCH EDITION - Frame Fittings(Front)(CTFNN/CTFNL)
13272
13272A
13272B
13272C
13272D
13272E
13272F
13280
14092
14092A
14092B
14093
14093A
92039
92039
92039
92039
92039
92039
92039
92039
92039
92039
92039
92039
92071
92071A
92093
92172
92172
92172
92172
92172
92172
92172
92172A
92172A
92172A
92172A
92172A
92172A
92172A
92172A
92172A
92172A
92172A
130
411
| ITEM NAME | REF # | PART NUMBER | QUANTITY | DESTINATION | REMARKS |
|---|---|---|---|---|---|
| PLATE,FR FLOOR,LH | 13272 | 13272-7270 | 1 | ||
| PLATE,FR FLOOR,MID,FR | 13272A | 13272-7271 | 1 | ||
| PLATE,FR FLOOR,RH | 13272B | 13272-7272 | 1 | ||
| PLATE,FR FLOOR,MID,RR | 13272C | 13272-7273 | 1 | ||
| PLATE,DASH,LWR,LH | 13272D | 13272-7275 | 1 | ||
| PLATE,DASH,LWR,MID | 13272E | 13272-7276 | 1 | ||
| PLATE,DASH,LWR,RH | 13272F | 13272-7277 | 1 | ||
| HOLDER | 13280 | 13280-1352 | 1 | ||
| COVER,FR FLOOR | 14092 | 14092-1184 | 1 | ||
| COVER,SIDE,LH,FR | 14092A | 14092-1188 | 1 | ||
| COVER,SIDE,RH,FR | 14092B | 14092-1189 | 1 | ||
| COVER,FLOOR,BOTTOM | 14093 | 14093-1426 | 1 | ||
| COVER,FR SEAT | 14093A | 14093-1427 | 1 | ||
| RIVET | 92039 | 92039-0865 | 27 | ||
| GROMMET,9X45X9 | 92071 | 92071-0728 | 1 | ||
| GROMMET,8X22X8 | 92071A | 92071-0753 | 1 | ||
| SEAL,10X20X165 | 92093 | 92093-0617 | 1 | ||
| SCREW,6X16 | 92172 | 92172-0284 | 26 | ||
| SCREW,6X16 | 92172A | 92172-0711 | 22 | ||
| BOLT-FLANGED,12X35 | 130 | 130CA1235 | 4 | ||
| WASHER-PLAIN,12MM | 411 | 411AA1200 | 4 |
| PLATE,FR FLOOR,LH | |
| REF # | 13272 |
|---|---|
| PART NUMBER | |
| QUANTITY | 1 |
| DESTINATION | |
| REMARKS | |
| PLATE,FR FLOOR,MID,FR | |
| REF # | 13272A |
|---|---|
| PART NUMBER | |
| QUANTITY | 1 |
| DESTINATION | |
| REMARKS | |
| PLATE,FR FLOOR,RH | |
| REF # | 13272B |
|---|---|
| PART NUMBER | |
| QUANTITY | 1 |
| DESTINATION | |
| REMARKS | |
| PLATE,FR FLOOR,MID,RR | |
| REF # | 13272C |
|---|---|
| PART NUMBER | |
| QUANTITY | 1 |
| DESTINATION | |
| REMARKS | |
| PLATE,DASH,LWR,LH | |
| REF # | 13272D |
|---|---|
| PART NUMBER | |
| QUANTITY | 1 |
| DESTINATION | |
| REMARKS | |
| PLATE,DASH,LWR,MID | |
| REF # | 13272E |
|---|---|
| PART NUMBER | |
| QUANTITY | 1 |
| DESTINATION | |
| REMARKS | |
| PLATE,DASH,LWR,RH | |
| REF # | 13272F |
|---|---|
| PART NUMBER | |
| QUANTITY | 1 |
| DESTINATION | |
| REMARKS | |
| HOLDER | |
| REF # | 13280 |
|---|---|
| PART NUMBER | |
| QUANTITY | 1 |
| DESTINATION | |
| REMARKS | |
| COVER,FR FLOOR | |
| REF # | 14092 |
|---|---|
| PART NUMBER | |
| QUANTITY | 1 |
| DESTINATION | |
| REMARKS | |
| COVER,SIDE,LH,FR | |
| REF # | 14092A |
|---|---|
| PART NUMBER | |
| QUANTITY | 1 |
| DESTINATION | |
| REMARKS | |
| COVER,SIDE,RH,FR | |
| REF # | 14092B |
|---|---|
| PART NUMBER | |
| QUANTITY | 1 |
| DESTINATION | |
| REMARKS | |
| COVER,FLOOR,BOTTOM | |
| REF # | 14093 |
|---|---|
| PART NUMBER | |
| QUANTITY | 1 |
| DESTINATION | |
| REMARKS | |
| COVER,FR SEAT | |
| REF # | 14093A |
|---|---|
| PART NUMBER | |
| QUANTITY | 1 |
| DESTINATION | |
| REMARKS | |
| RIVET | |
| REF # | 92039 |
|---|---|
| PART NUMBER | |
| QUANTITY | 27 |
| DESTINATION | |
| REMARKS | |
| GROMMET,9X45X9 | |
| REF # | 92071 |
|---|---|
| PART NUMBER | |
| QUANTITY | 1 |
| DESTINATION | |
| REMARKS | |
| GROMMET,8X22X8 | |
| REF # | 92071A |
|---|---|
| PART NUMBER | |
| QUANTITY | 1 |
| DESTINATION | |
| REMARKS | |
| SEAL,10X20X165 | |
| REF # | 92093 |
|---|---|
| PART NUMBER | |
| QUANTITY | 1 |
| DESTINATION | |
| REMARKS | |
| SCREW,6X16 | |
| REF # | 92172 |
|---|---|
| PART NUMBER | |
| QUANTITY | 26 |
| DESTINATION | |
| REMARKS | |
| SCREW,6X16 | |
| REF # | 92172A |
|---|---|
| PART NUMBER | |
| QUANTITY | 22 |
| DESTINATION | |
| REMARKS | |
| BOLT-FLANGED,12X35 | |
| REF # | 130 |
|---|---|
| PART NUMBER | |
| QUANTITY | 4 |
| DESTINATION | |
| REMARKS | |
| WASHER-PLAIN,12MM | |
| REF # | 411 |
|---|---|
| PART NUMBER | |
| QUANTITY | 4 |
| DESTINATION | |
| REMARKS | |