main content of page
Parts Diagrams
OWNER CENTER |
Welcome, Kawasaki owners. Access the information and tools you need to get the most out of your vehicle.
OWNER CENTER |
Welcome, Kawasaki owners. Access the information and tools you need to get the most out of your vehicle.
Parts Diagrams |
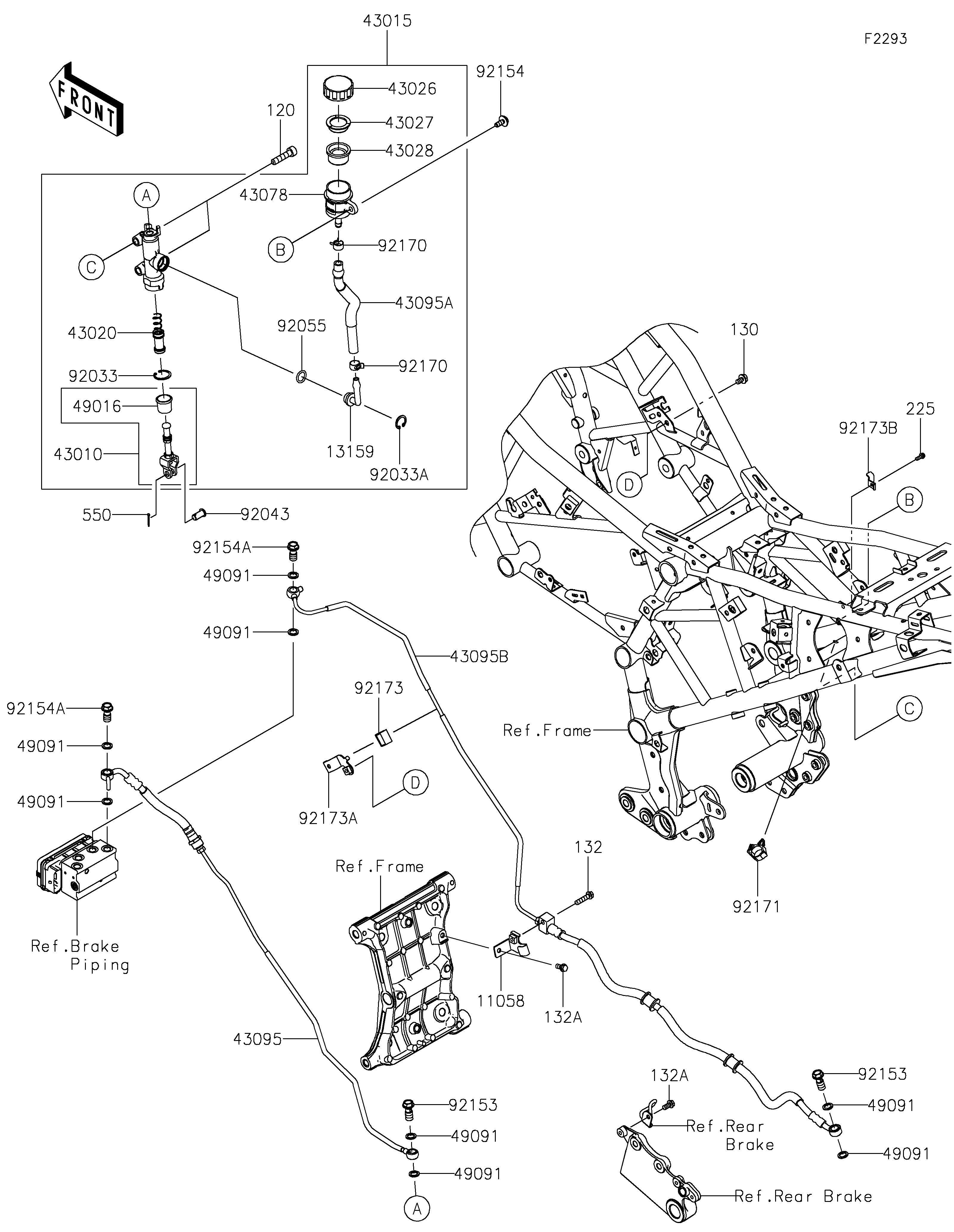
2026 KLE500 SE ABS - Rear Master Cylinder
11058
13159
43010
43015
43020
43026
43027
43028
43078
43095
43095A
43095B
49016
49091
49091
49091
49091
49091
49091
49091
49091
92033
92033A
92043
92055
92153
92153
92154
92154A
92154A
92170
92170
92171
92173
92173A
92173B
120
130
132
132A
132A
225
550
| ITEM NAME | REF # | PART NUMBER | QUANTITY | DESTINATION | REMARKS |
|---|---|---|---|---|---|
| BRACKET | 11058 | 11058-2748 | 1 | ||
| CONNECTOR | 13159 | 13159-1056 | 1 | ||
| ROD-ASSY-BRAKE | 43010 | 43010-0021 | 1 | ||
| CYLINDER-ASSY-MASTER,RR | 43015 | 43015-0842 | 1 | ||
| PISTON-COMP-BRAKE,RR | 43020 | 43020-1067 | 1 | ||
| CAP-BRAKE | 43026 | 43026-0009 | 1 | ||
| PLATE-DIAPHRAGM | 43027 | 43027-1053 | 1 | ||
| DIAPHRAGM | 43028 | 43028-1065 | 1 | ||
| RESERVOIR | 43078 | 43078-0040 | 1 | ||
| HOSE-BRAKE,ABS UNIT-RR M/C | 43095 | 43095-2089 | 1 | ||
| HOSE-BRAKE | 43095A | 43095-2266 | 1 | ||
| HOSE-BRAKE,ABS UNIT-RR CALIPER | 43095B | 43095-2289 | 1 | ||
| COVER-SEAL,BRAKE PISTON | 49016 | 49016-1103 | 1 | ||
| WASHER-SEAL,10.1X14.5X1.5 | 49091 | 49091-0001 | 8 | ||
| RING-SNAP,20.9X24.6X1.2 | 92033 | 92033-0079 | 1 | ||
| RING-SNAP,20.5MM | 92033A | 92033-1186 | 1 | ||
| PIN | 92043 | 92043-0182 | 1 | ||
| RING-O,14.8X2.4 | 92055 | 92055-0741 | 1 | ||
| BOLT,OIL,L=23 | 92153 | 92153-0627 | 2 | ||
| BOLT,UPSET-WP,6X16 | 92154 | 92154-2244 | 1 | ||
| BOLT | 92154A | 92154-7600 | 2 | ||
| CLAMP,HOSE | 92170 | 92170-1091 | 2 | ||
| CLAMP,BRAKE HOSE | 92171 | 92171-0316 | 1 | ||
| CLAMP,METAL PIPE | 92173 | 92173-0986 | 1 | ||
| CLAMP | 92173A | 92173-2927 | 1 | ||
| CLAMP | 92173B | 92173-2928 | 1 | ||
| BOLT-SOCKET,8X35 | 120 | 120CB0835 | 2 | ||
| BOLT-FLANGED,6X10 | 130 | 130BB0610 | 1 | ||
| BOLT-FLANGED-SMALL,6X25 | 132 | 132BA0625 | 1 | ||
| BOLT-FLANGED-SMALL,6X12 | 132A | 132BB0612 | 2 | ||
| SCREW-PAN-WSP-CROS,4X12 | 225 | 225AB0412 | 1 | ||
| PIN-COTTER,2.0X15 | 550 | 550AA2015 | 1 |
| BRACKET | |
| REF # | 11058 |
|---|---|
| PART NUMBER | |
| QUANTITY | 1 |
| DESTINATION | |
| REMARKS | |
| CONNECTOR | |
| REF # | 13159 |
|---|---|
| PART NUMBER | |
| QUANTITY | 1 |
| DESTINATION | |
| REMARKS | |
| ROD-ASSY-BRAKE | |
| REF # | 43010 |
|---|---|
| PART NUMBER | |
| QUANTITY | 1 |
| DESTINATION | |
| REMARKS | |
| CYLINDER-ASSY-MASTER,RR | |
| REF # | 43015 |
|---|---|
| PART NUMBER | |
| QUANTITY | 1 |
| DESTINATION | |
| REMARKS | |
| PISTON-COMP-BRAKE,RR | |
| REF # | 43020 |
|---|---|
| PART NUMBER | |
| QUANTITY | 1 |
| DESTINATION | |
| REMARKS | |
| CAP-BRAKE | |
| REF # | 43026 |
|---|---|
| PART NUMBER | |
| QUANTITY | 1 |
| DESTINATION | |
| REMARKS | |
| PLATE-DIAPHRAGM | |
| REF # | 43027 |
|---|---|
| PART NUMBER | |
| QUANTITY | 1 |
| DESTINATION | |
| REMARKS | |
| DIAPHRAGM | |
| REF # | 43028 |
|---|---|
| PART NUMBER | |
| QUANTITY | 1 |
| DESTINATION | |
| REMARKS | |
| RESERVOIR | |
| REF # | 43078 |
|---|---|
| PART NUMBER | |
| QUANTITY | 1 |
| DESTINATION | |
| REMARKS | |
| HOSE-BRAKE,ABS UNIT-RR M/C | |
| REF # | 43095 |
|---|---|
| PART NUMBER | |
| QUANTITY | 1 |
| DESTINATION | |
| REMARKS | |
| HOSE-BRAKE | |
| REF # | 43095A |
|---|---|
| PART NUMBER | |
| QUANTITY | 1 |
| DESTINATION | |
| REMARKS | |
| HOSE-BRAKE,ABS UNIT-RR CALIPER | |
| REF # | 43095B |
|---|---|
| PART NUMBER | |
| QUANTITY | 1 |
| DESTINATION | |
| REMARKS | |
| COVER-SEAL,BRAKE PISTON | |
| REF # | 49016 |
|---|---|
| PART NUMBER | |
| QUANTITY | 1 |
| DESTINATION | |
| REMARKS | |
| WASHER-SEAL,10.1X14.5X1.5 | |
| REF # | 49091 |
|---|---|
| PART NUMBER | |
| QUANTITY | 8 |
| DESTINATION | |
| REMARKS | |
| RING-SNAP,20.9X24.6X1.2 | |
| REF # | 92033 |
|---|---|
| PART NUMBER | |
| QUANTITY | 1 |
| DESTINATION | |
| REMARKS | |
| RING-SNAP,20.5MM | |
| REF # | 92033A |
|---|---|
| PART NUMBER | |
| QUANTITY | 1 |
| DESTINATION | |
| REMARKS | |
| PIN | |
| REF # | 92043 |
|---|---|
| PART NUMBER | |
| QUANTITY | 1 |
| DESTINATION | |
| REMARKS | |
| RING-O,14.8X2.4 | |
| REF # | 92055 |
|---|---|
| PART NUMBER | |
| QUANTITY | 1 |
| DESTINATION | |
| REMARKS | |
| BOLT,OIL,L=23 | |
| REF # | 92153 |
|---|---|
| PART NUMBER | |
| QUANTITY | 2 |
| DESTINATION | |
| REMARKS | |
| BOLT,UPSET-WP,6X16 | |
| REF # | 92154 |
|---|---|
| PART NUMBER | |
| QUANTITY | 1 |
| DESTINATION | |
| REMARKS | |
| BOLT | |
| REF # | 92154A |
|---|---|
| PART NUMBER | |
| QUANTITY | 2 |
| DESTINATION | |
| REMARKS | |
| CLAMP,HOSE | |
| REF # | 92170 |
|---|---|
| PART NUMBER | |
| QUANTITY | 2 |
| DESTINATION | |
| REMARKS | |
| CLAMP,BRAKE HOSE | |
| REF # | 92171 |
|---|---|
| PART NUMBER | |
| QUANTITY | 1 |
| DESTINATION | |
| REMARKS | |
| CLAMP,METAL PIPE | |
| REF # | 92173 |
|---|---|
| PART NUMBER | |
| QUANTITY | 1 |
| DESTINATION | |
| REMARKS | |
| CLAMP | |
| REF # | 92173A |
|---|---|
| PART NUMBER | |
| QUANTITY | 1 |
| DESTINATION | |
| REMARKS | |
| CLAMP | |
| REF # | 92173B |
|---|---|
| PART NUMBER | |
| QUANTITY | 1 |
| DESTINATION | |
| REMARKS | |
| BOLT-SOCKET,8X35 | |
| REF # | 120 |
|---|---|
| PART NUMBER | |
| QUANTITY | 2 |
| DESTINATION | |
| REMARKS | |
| BOLT-FLANGED,6X10 | |
| REF # | 130 |
|---|---|
| PART NUMBER | |
| QUANTITY | 1 |
| DESTINATION | |
| REMARKS | |
| BOLT-FLANGED-SMALL,6X25 | |
| REF # | 132 |
|---|---|
| PART NUMBER | |
| QUANTITY | 1 |
| DESTINATION | |
| REMARKS | |
| BOLT-FLANGED-SMALL,6X12 | |
| REF # | 132A |
|---|---|
| PART NUMBER | |
| QUANTITY | 2 |
| DESTINATION | |
| REMARKS | |
| SCREW-PAN-WSP-CROS,4X12 | |
| REF # | 225 |
|---|---|
| PART NUMBER | |
| QUANTITY | 1 |
| DESTINATION | |
| REMARKS | |
| PIN-COTTER,2.0X15 | |
| REF # | 550 |
|---|---|
| PART NUMBER | |
| QUANTITY | 1 |
| DESTINATION | |
| REMARKS | |