Skip to main content

Parts Diagrams

customer service agent speaking with a customer

Welcome, Kawasaki owners. Access the information and tools you need to get the most out of your vehicle.

Welcome, Kawasaki owners. Access the information and tools you need to get the most out of your vehicle.

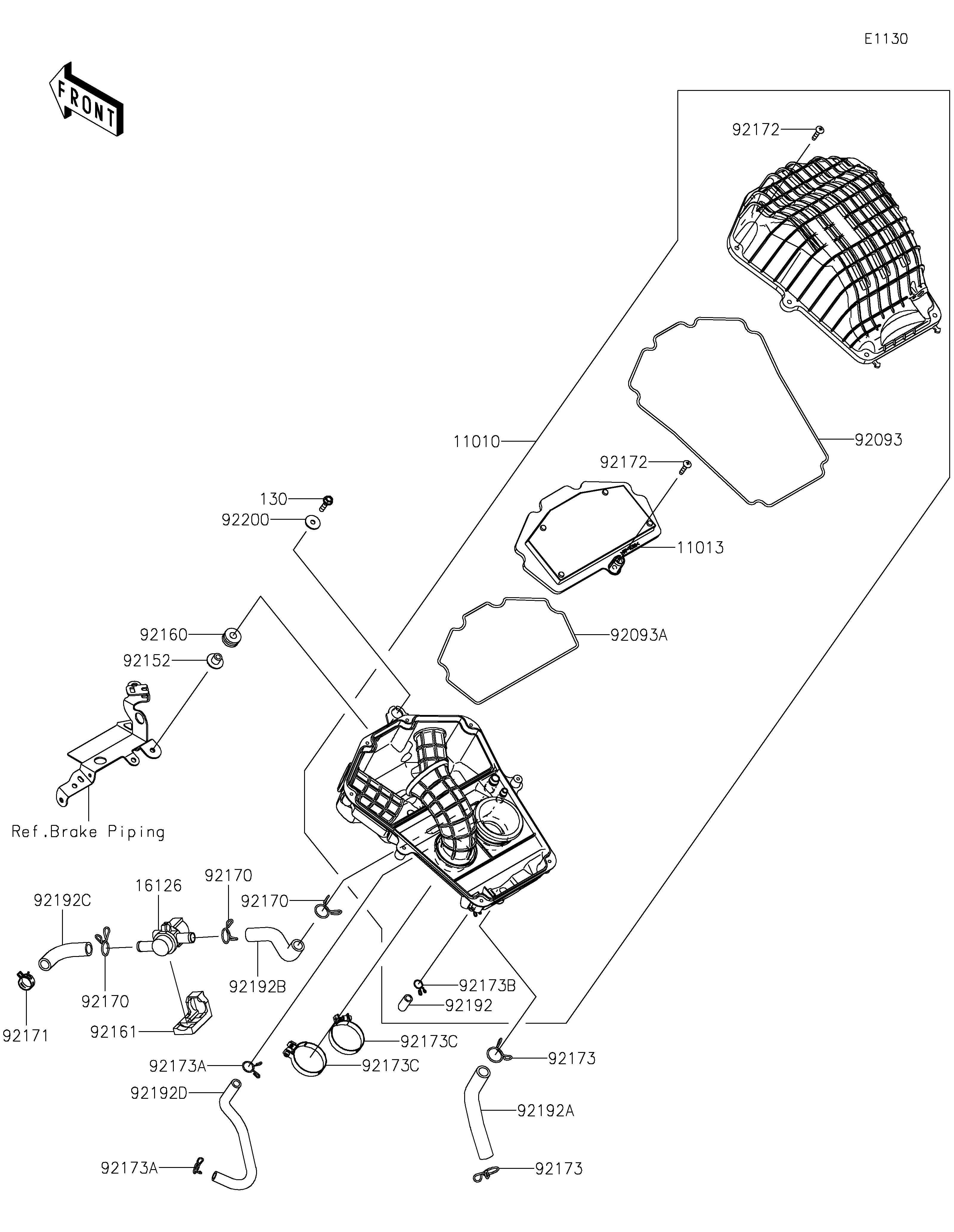
11010
11013
16126
92093
92093A
92152
92160
92161
92170
92170
92170
92171
92172
92172
92173
92173
92173A
92173A
92173B
92173C
92173C
92192
92192A
92192B
92192C
92192D
92200
130
Part Item Information
ITEM NAME REF # PART NUMBER QUANTITY DESTINATION REMARKS
FILTER-ASSY-AIR 11010 11010-1860 1
ELEMENT-AIR FILTER 11013 11013-0767 1
VALVE,AIR CUT 16126 16126-0744 1
SEAL,CASE 92093 92093-0706 1
SEAL,ELEMENT 92093A 92093-0707 1
COLLAR,6.5X10.5X13.1 92152 92152-0547 1
DAMPER 92160 92160-1162 1
DAMPER 92161 92161-1933 1
CLAMP 92170 92170-1017 3
CLAMP,18.8MM 92171 92171-2056 1
SCREW,5X25 92172 92172-0891 9
CLAMP,20MM 92173 92173-0190 2
CLAMP,14MM 92173A 92173-0192 2
CLAMP 92173B 92173-1714 1
CLAMP 92173C 92173-2714 2
TUBE,DRAIN CLEAN 92192 92192-1744 1
TUBE,BREATHER 92192A 92192-1810 1
TUBE,AIR CUT VALVE-AIR CLEANER 92192B 92192-1811 1
TUBE,AIR CUT VALVE-HEAD CAP 92192C 92192-1812 1
TUBE,ISC-AIR CLEANER 92192D 92192-1813 1
WASHER,6.5X22X1.6 92200 92200-1087 1
BOLT-FLANGED,6X25 130 130BB0625 1